GM Service Manual Online
For 1990-2009 cars only
Makes
🢒
Saturn
🢒
2003
🢒
L200/LW200
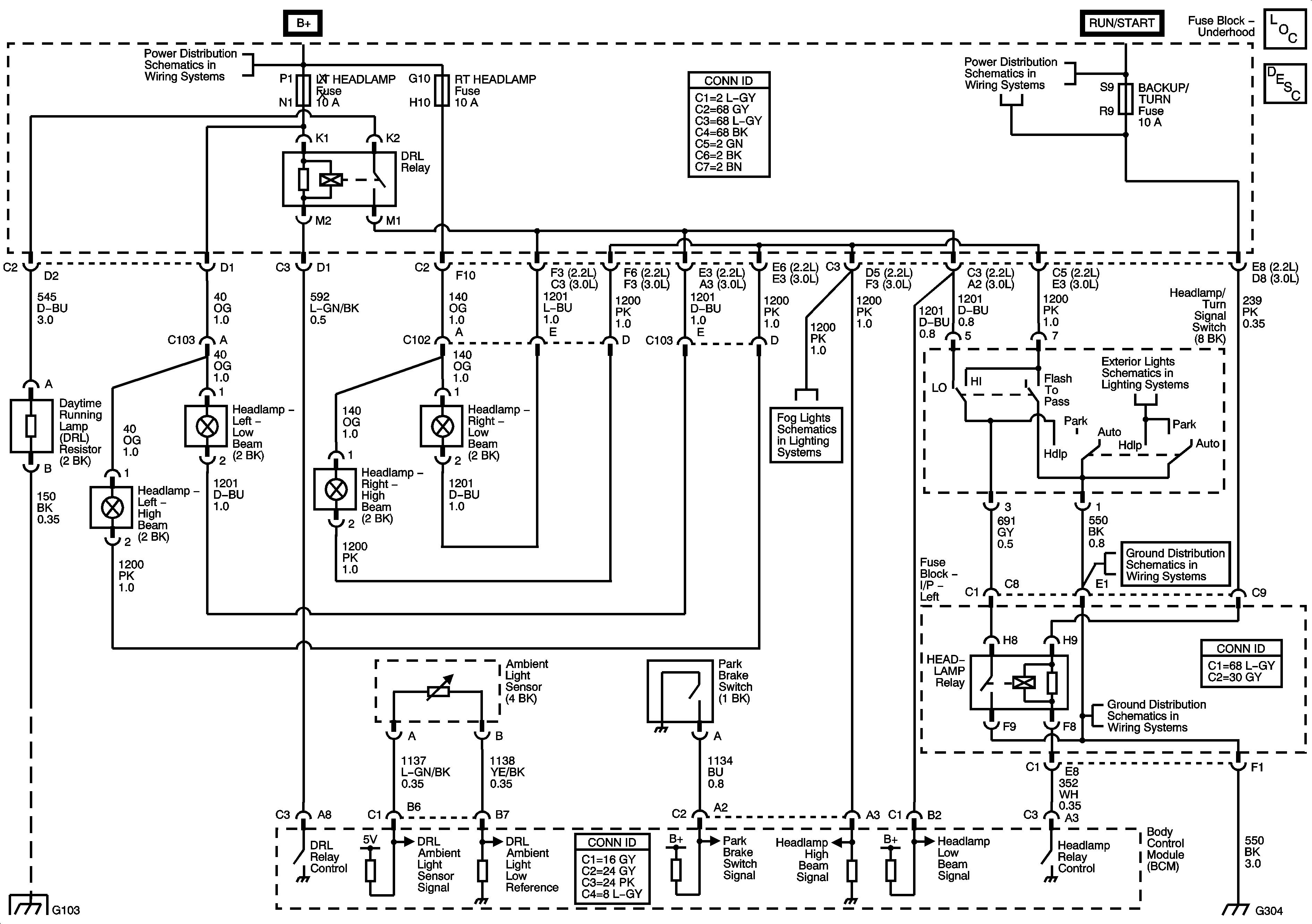
🢒 Headlights/DRL Schematics
Headlights/DRL Schematics
Master Electrical Component List
Exterior Lighting Systems Description and Operation
Fuse Block - Underhood Bus
Fuse Block - Underhood Fuses: BCM/ECM/CRUISE/ABS, Cruise Switch, IGN1 and Backup/Turn
Fog Lights Schematics
Parking Lamps - Sedan
G300, G304
G300, G304
G105, G103, G113, G107