GM Service Manual Online
For 1990-2009 cars only
Makes
🢒
Saturn
🢒
2003
🢒
L200/LW200
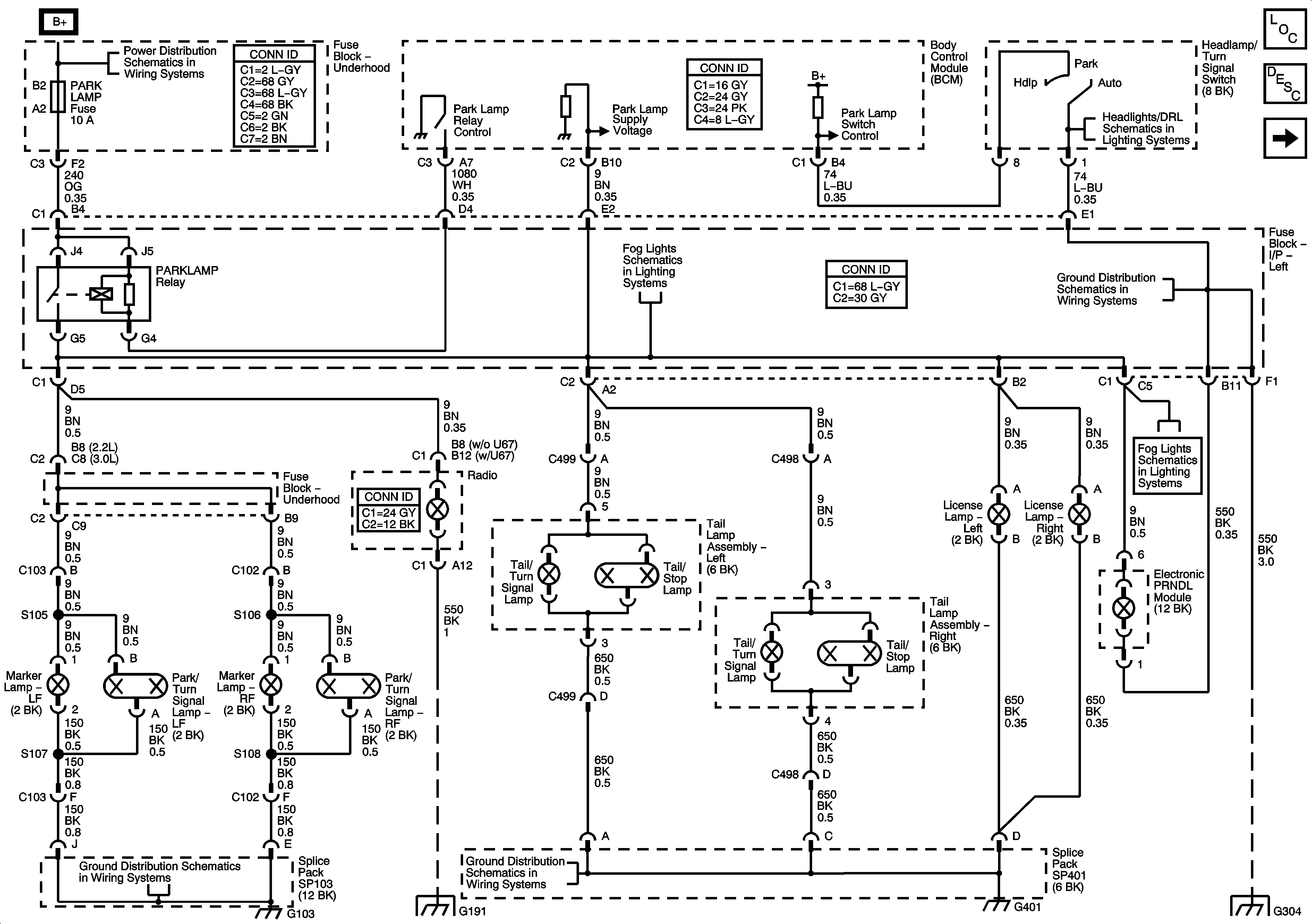
🢒 Parking Lamps - Sedan
Parking Lamps - Sedan
Parking Lamps- Sedan
Master Electrical Component List
Exterior Lighting Systems Description and Operation
Parking Lamps - Wagon
Fuse Block - Underhood Bus
Headlights/DRL Schematics
Fog Lights Schematics
G300, G304
Fog Lights Schematics
G105, G103, G113, G107
G191, G303
G305, G401, G399, G400
G300, G304