GM Service Manual Online
For 1990-2009 cars only
Makes
🢒
Saturn
🢒
2003
🢒
L200/LW200
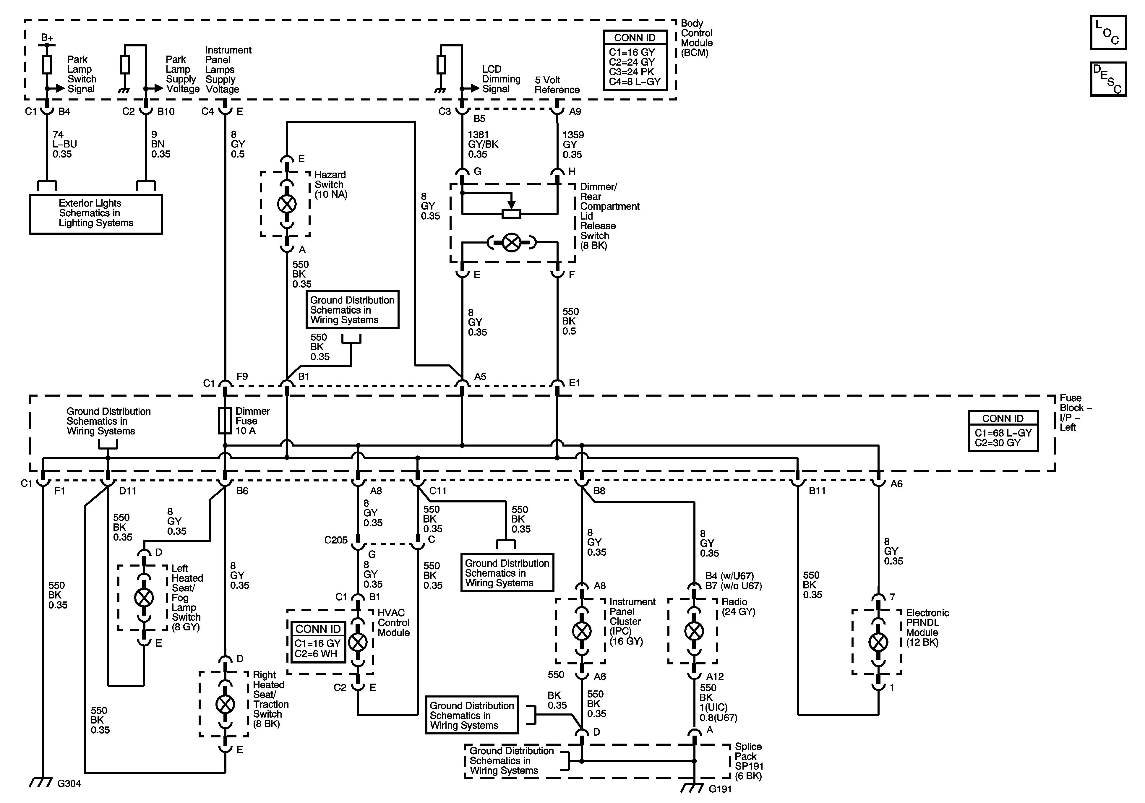
🢒 Interior Lights Dimming Schematics
Interior Lights Dimming Schematics
Master Electrical Component List
Interior Lighting Systems Description and Operation
Parking Lamps - Sedan
G300, G304
G300, G304
G300, G304
G191, G303
G191, G303