GM Service Manual Online
For 1990-2009 cars only
Makes
🢒
Saturn
🢒
2005
🢒
L300/LW300
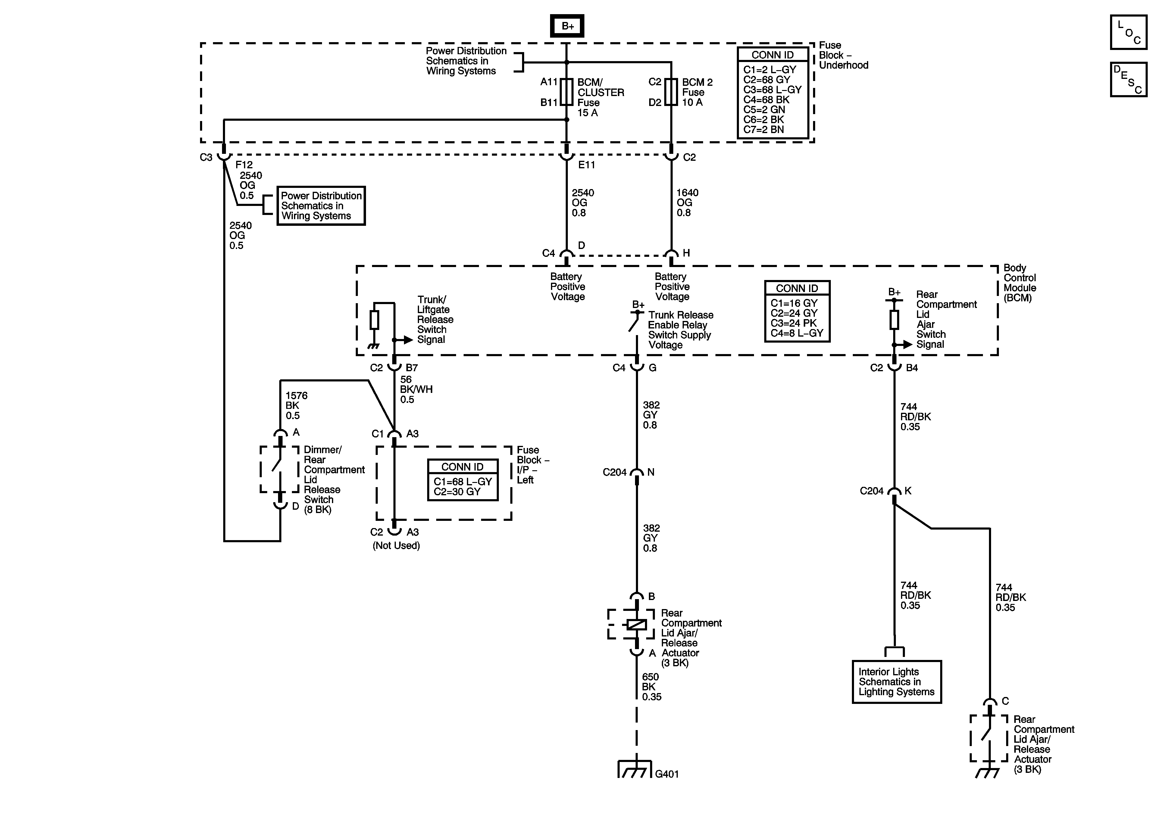
🢒 Body Rear End Schematics
Body Rear End Schematics
Master Electrical Component List
Luggage Compartment Description and Operation
Fuse Block - Underhood Bus
BCM CLUSTER, DEFOG LED, and REAR DEFOG Fuses
Interior Lights
G305, G399, G400, and G401