GM Service Manual Online
For 1990-2009 cars only
Makes
🢒
Saturn
🢒
2007
🢒
OUTLOOK - FWD
🢒
Diagnostic Navigation
🢒
Vehicle Diagnostic Information
🢒 Liftgate Schematics
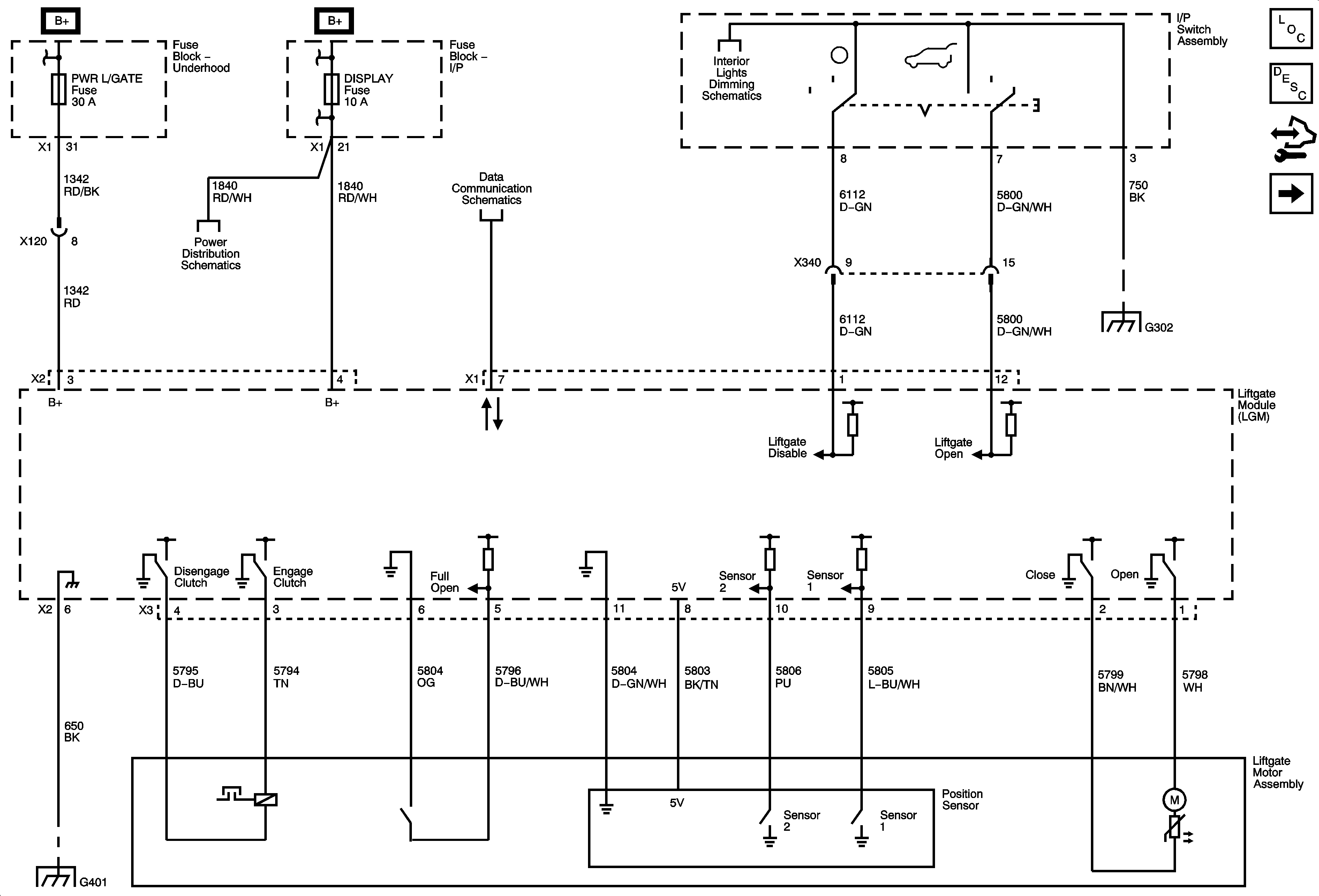
Figure
1:
Module Power, Ground, Data Communication, I/P Switch, and Liftgate Motor
Master Electrical Component List
Rear Hatch/Gate Description and Operation
Control Module References
Indicator, Latch, Object Sensors, and Switches
B+ Bus 1 of 2
AIRBAG, AMP, BATT 1, BCM, CNSTR/VENT, CSTY, DISPLAY, INADV/PWR/LED, INFOTAINMENT, MSM, POWER MOD, and RADIO Fuses
AIRBAG, AMP, BATT 1, BCM, CNSTR/VENT, CSTY, DISPLAY, INADV/PWR/LED, INFOTAINMENT, MSM, POWER MOD, and RADIO Fuses
AIRBAG, AMP, BATT 1, BCM, CNSTR/VENT, CSTY, DISPLAY, INADV/PWR/LED, INFOTAINMENT, MSM, POWER MOD, and RADIO Fuses
Data Communication Schematics
Console and Driver Door LEDs
G302 1 of 3
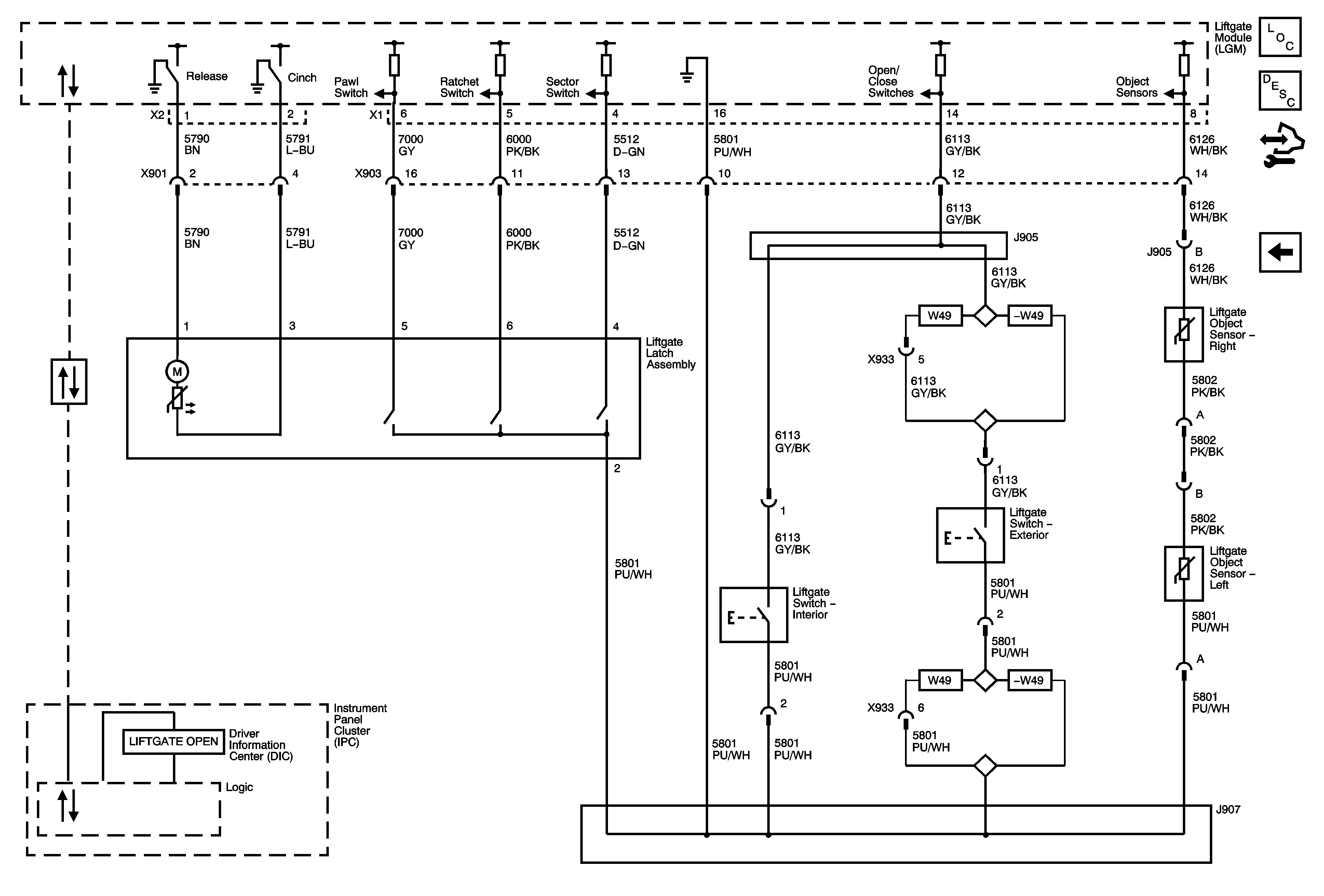
Figure
2:
Indicator, Latch, Object Sensors, and Switches
Master Electrical Component List
Rear Hatch/Gate Description and Operation
Control Module References
Module Power, Ground, Data Communication, I/P Switch, and Liftgate Motor
Data Communication Schematics