GM Service Manual Online
For 1990-2009 cars only
Makes
🢒
Saturn
🢒
2007
🢒
OUTLOOK - FWD
🢒 IGN II/III
IGN II/III
IGN II/III
Master Electrical Component List
Power Mode Description and Operation
Control Module References
IGN I/II
AIRBAG, AMP, BATT 1, BCM, CNSTR/VENT, CSTY, DISPLAY, INADV/PWR/LED, INFOTAINMENT, MSM, POWER MOD, and RADIO Fuses
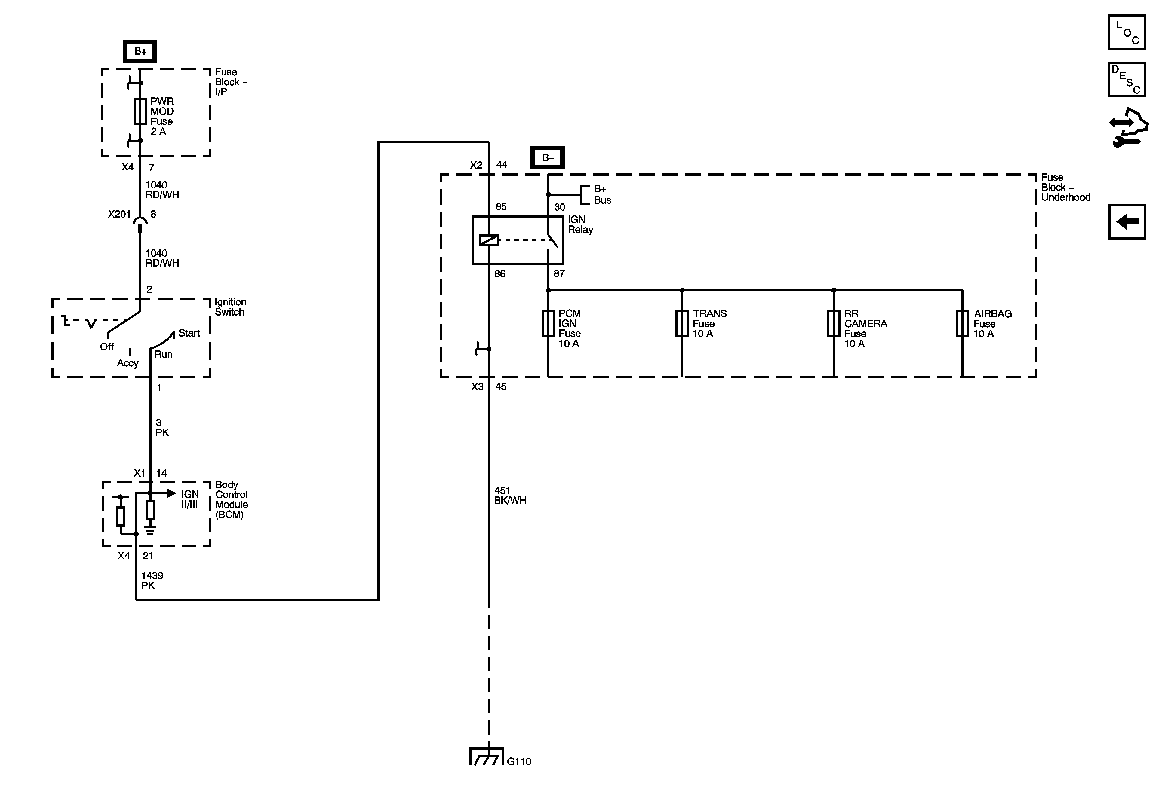
Ignition Switch and AIRBAG, PCM IGN, RR CAMERA, and TRANS Fuses
B+ Bus 2 of 2
G105 and G110