GM Service Manual Online
For 1990-2009 cars only
Makes
🢒
Saturn
🢒
2007
🢒
OUTLOOK - FWD
🢒 Fuel Controls - Fuel Pump and Fuel Injectors
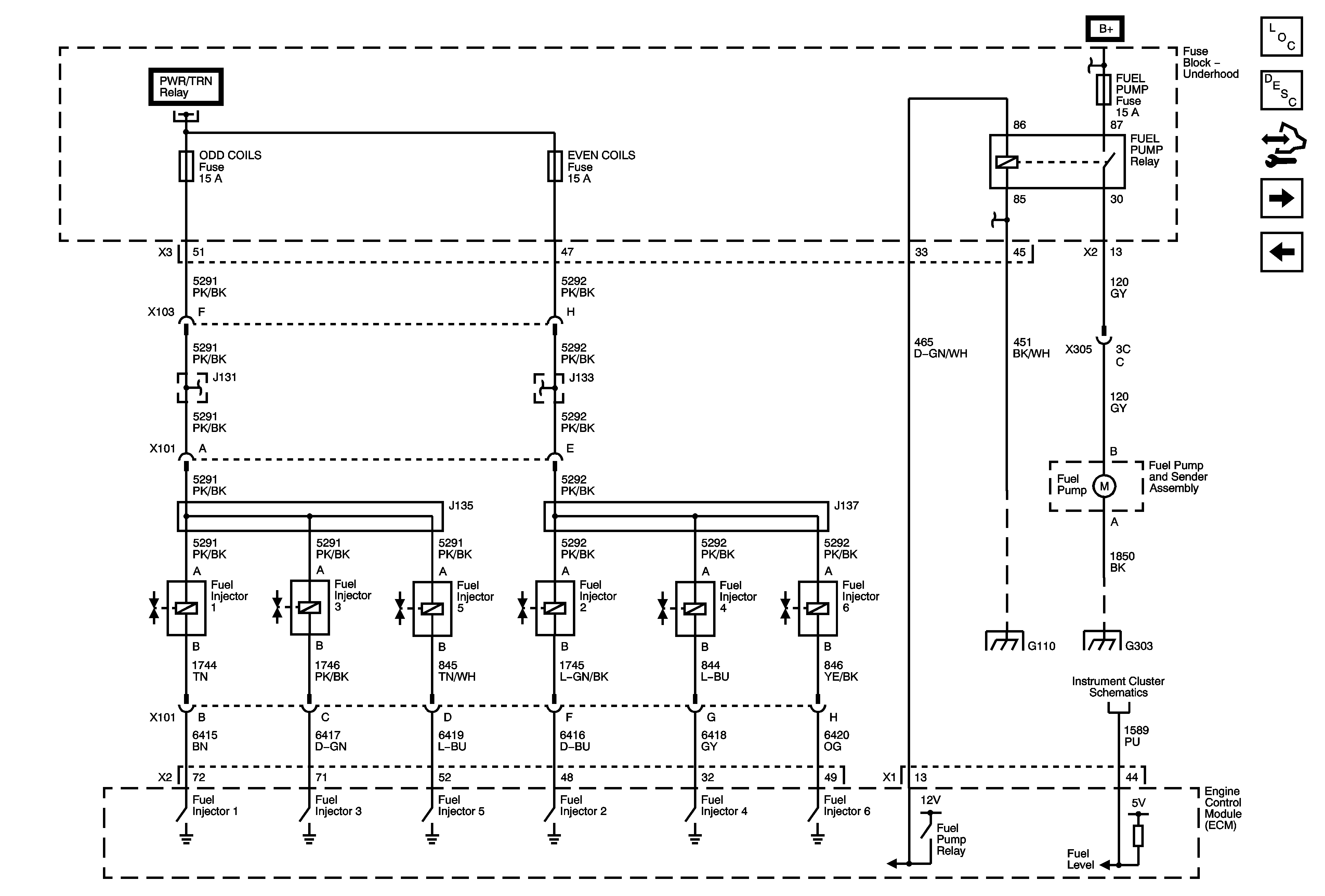
Fuel Controls - Fuel Pump and Fuel Injectors
Fuel Controls - Fuel Pump and Fuel Injectors
Master Electrical Component List
Fuel System Description
Control Module References
Fuel Controls - EVAP Controls and Manifold Tuning
Ignition Controls - CMP Sensors and Actuator Solenoids
B+ Bus 2 of 2
B+ Bus 2 of 2
B+ Bus 1 of 2
G105 and G110
Gages, Ground, and Power