GM Service Manual Online
For 1990-2009 cars only
Makes
🢒
Saturn
🢒
2007
🢒
OUTLOOK - FWD
🢒 Fuel Controls - EVAP Controls and Manifold Tuning
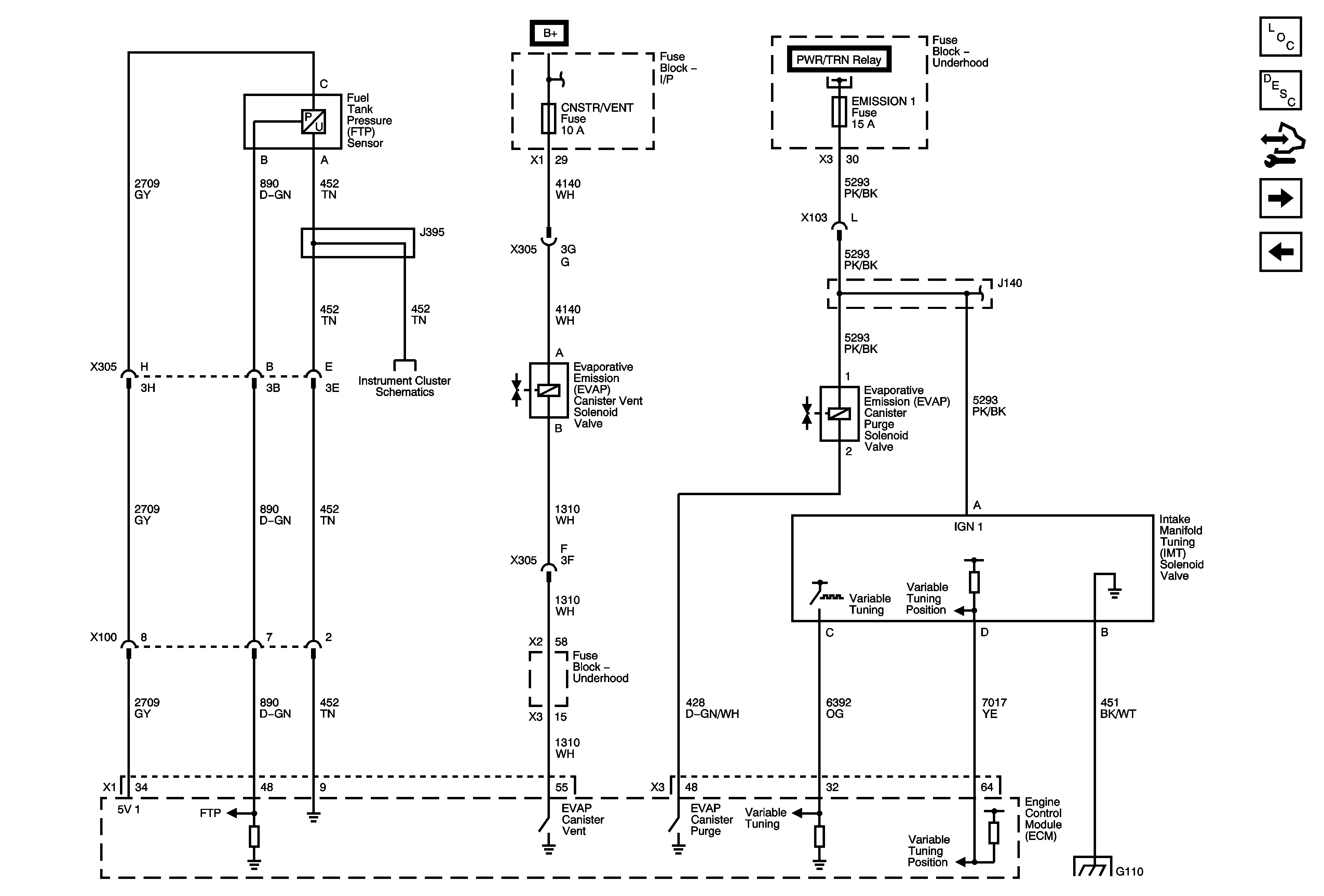
Fuel Controls - EVAP Controls and Manifold Tuning
Fuel Controls - EVAP Controls and Manifold Tuning
Master Electrical Component List
Evaporative Emission Control System Description
Control Module References
Subsystem References
Fuel Controls - Fuel Pump and Fuel Injectors
AIRBAG, AMP, BATT 1, BCM, CNSTR/VENT, CSTY, DISPLAY, INADV/PWR/LED, INFOTAINMENT, MSM, POWER MOD, and RADIO Fuses
B+ Bus 2 of 2
Gages, Ground, and Power
G105 and G110