GM Service Manual Online
For 1990-2009 cars only
Makes
🢒
Saturn
🢒
2007
🢒
OUTLOOK - FWD
🢒 Compressor Controls
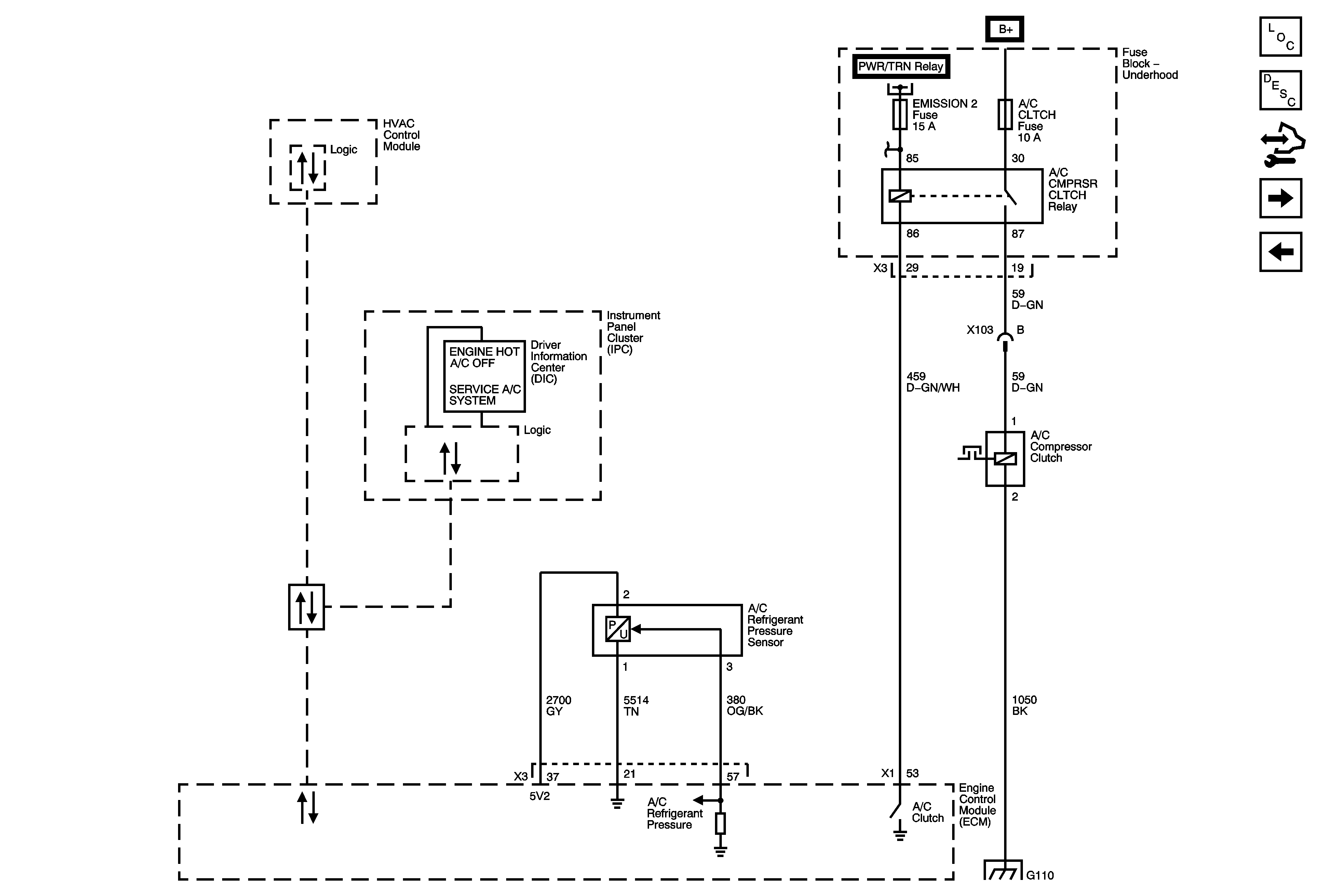
Compressor Controls
Compressor Controls
Master Electrical Component List
Air Temperature Description and Operation
Control Module References
Rear HVAC without UK6
Sensors
B+ Bus 2 of 2
B+ Bus 1 of 2
Data Communication Schematics
G105 and G110