GM Service Manual Online
For 1990-2009 cars only
Makes
🢒
Saturn
🢒
2007
🢒
OUTLOOK - FWD
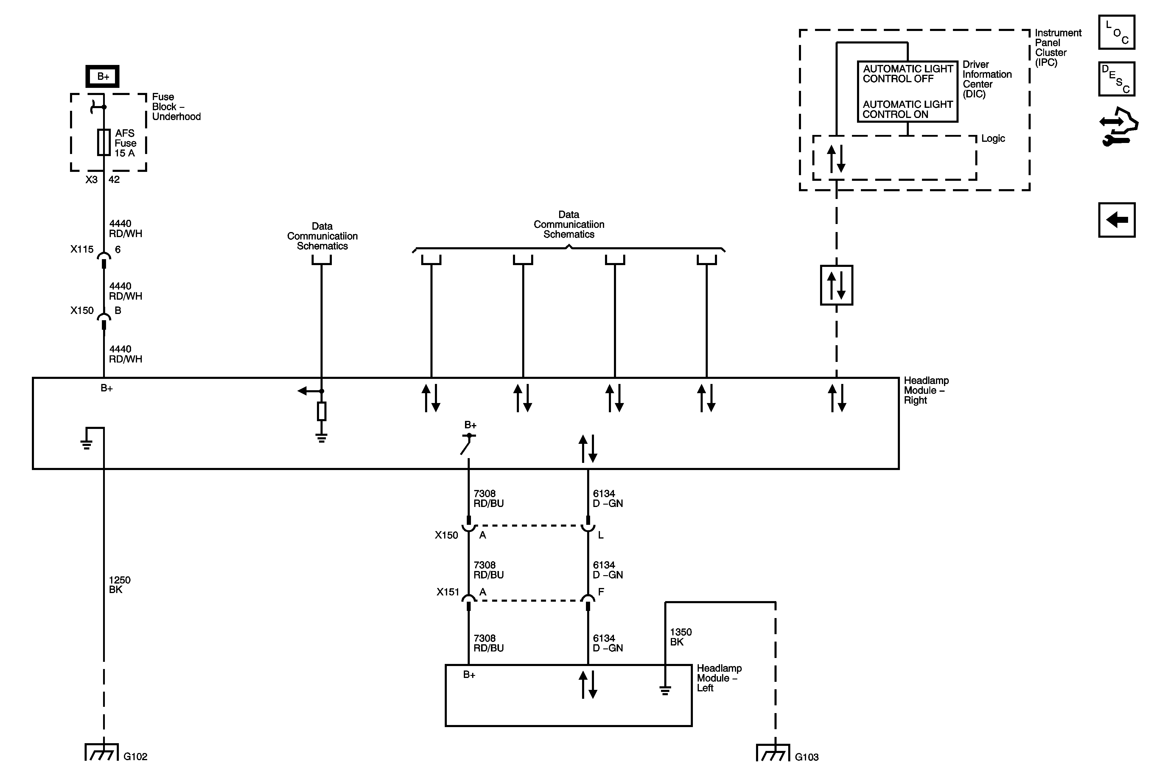
🢒 Adaptive Forward Lighting System - TSH
Adaptive Forward Lighting System - TSH
Adaptive Forward Lighting System - TSH
Master Electrical Component List
Exterior Lighting Systems Description and Operation
Control Module References
Daytime Running Lights
B+ Bus 1 of 2
Data Communication Schematics
Data Communication Schematics
Data Communication Schematics
Ground Distribution Schematics
Ground Distribution Schematics