GM Service Manual Online
For 1990-2009 cars only
Makes
🢒
Saturn
🢒
2007
🢒
OUTLOOK - FWD
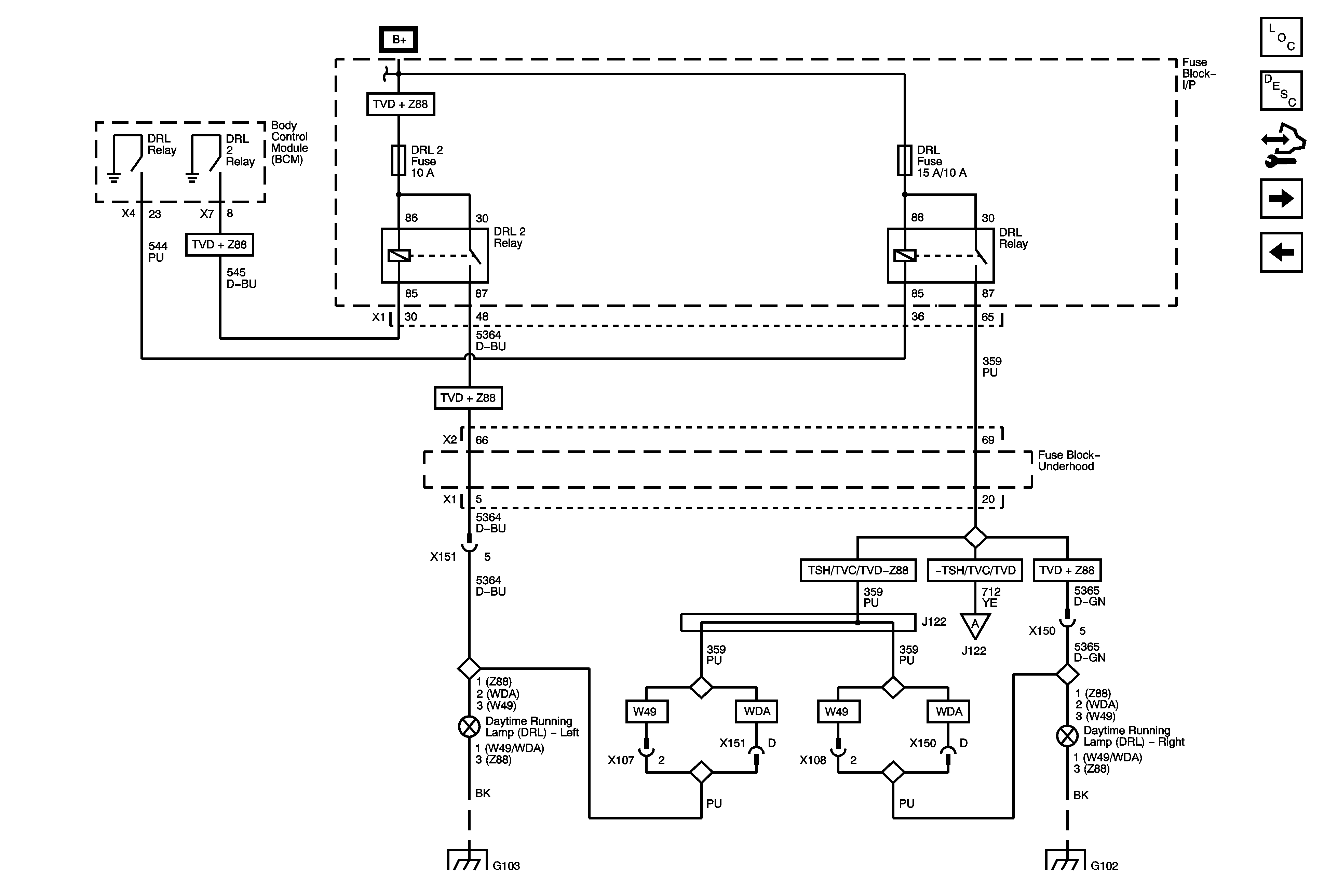
🢒 Daytime Running Lights
Daytime Running Lights
Daytime Running Lights
Master Electrical Component List
Exterior Lighting Systems Description and Operation
Control Module References
Adaptive Forward Lighting System - TSH
High Beams
BATT 3, DRL, DRL 2, DR/LCK, FRT/WSW, HVAC, and REAR WIPER Fuses, PWR/WNDW Circuit Breaker
BATT 3, DRL, DRL 2, DR/LCK, FRT/WSW, HVAC, and REAR WIPER Fuses, PWR/WNDW Circuit Breaker
BATT 3, DRL, DRL 2, DR/LCK, FRT/WSW, HVAC, and REAR WIPER Fuses, PWR/WNDW Circuit Breaker
Low Beams
Ground Distribution Schematics