GM Service Manual Online
For 1990-2009 cars only
Makes
🢒
Saturn
🢒
2007
🢒
OUTLOOK - FWD
🢒 DG6/DS3
DG6/DS3
DG6/DS3
Master Electrical Component List
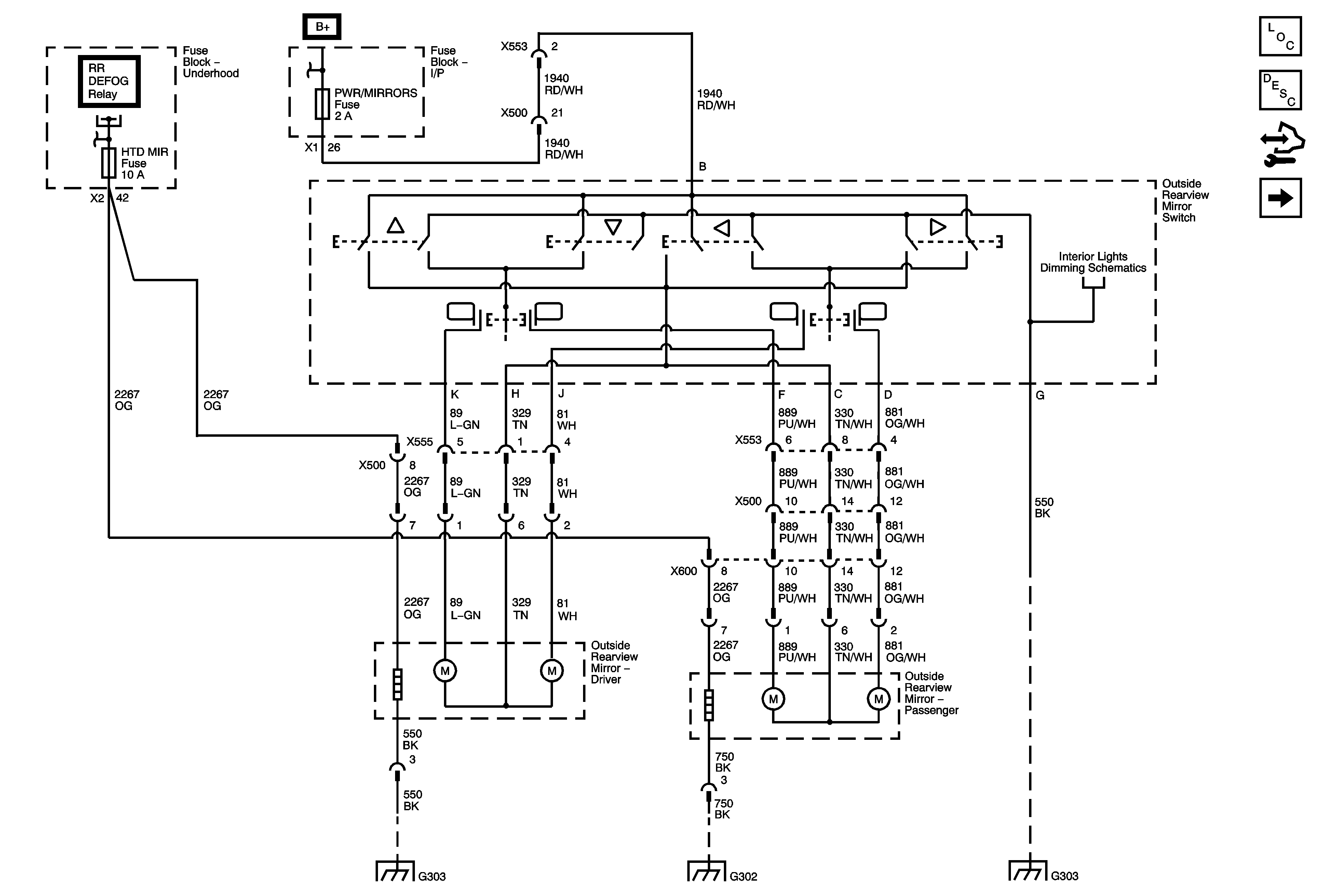
Outside Mirror Description and Operation (Power Mirrors)
Control Module References
Driver - DNP
B+ Bus 1 of 2
BATT 2, BCK/UP/STOP, HTD/SEAT, LT/TRN/SIG, PDM, PWR/MIRRORS, and RT/TRN/SIG Fuses, LT/PWR/SEAT, PWR/COLUMN, and RT/PWR/SEAT Circuit Breakers
Driver, LR, and RR Door Lamps
G303 1 of 2
G302 1 of 3
G303 1 of 2