GM Service Manual Online
For 1990-2009 cars only
Makes
🢒
Saturn
🢒
2007
🢒
OUTLOOK - FWD
🢒 Heating Elements
Heating Elements
Heating Elements
Master Electrical Component List
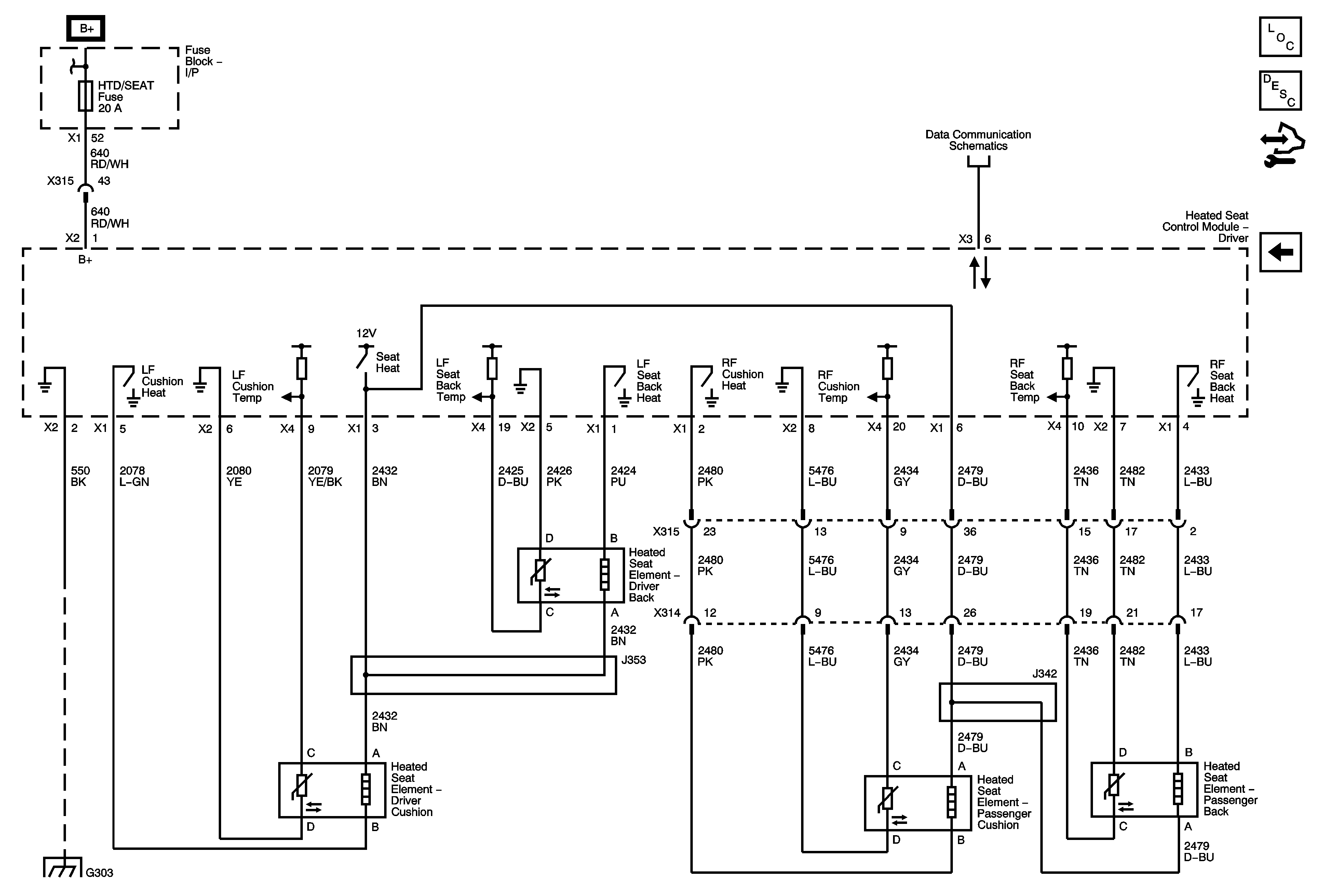
Heated Seats Description and Operation
Control Module References
Indicators and Switches
BATT 2, BCK/UP/STOP, HTD/SEAT, LT/TRN/SIG, PDM, PWR/MIRRORS, and RT/TRN/SIG Fuses, LT/PWR/SEAT, PWR/COLUMN, and RT/PWR/SEAT Circuit Breakers
Data Communication Schematics
G303 1 of 2