GM Service Manual Online
For 1990-2009 cars only
Makes
🢒
Saturn
🢒
2007
🢒
OUTLOOK - FWD
🢒 Indicators and Switches
Indicators and Switches
Indicators and Switches
Master Electrical Component List
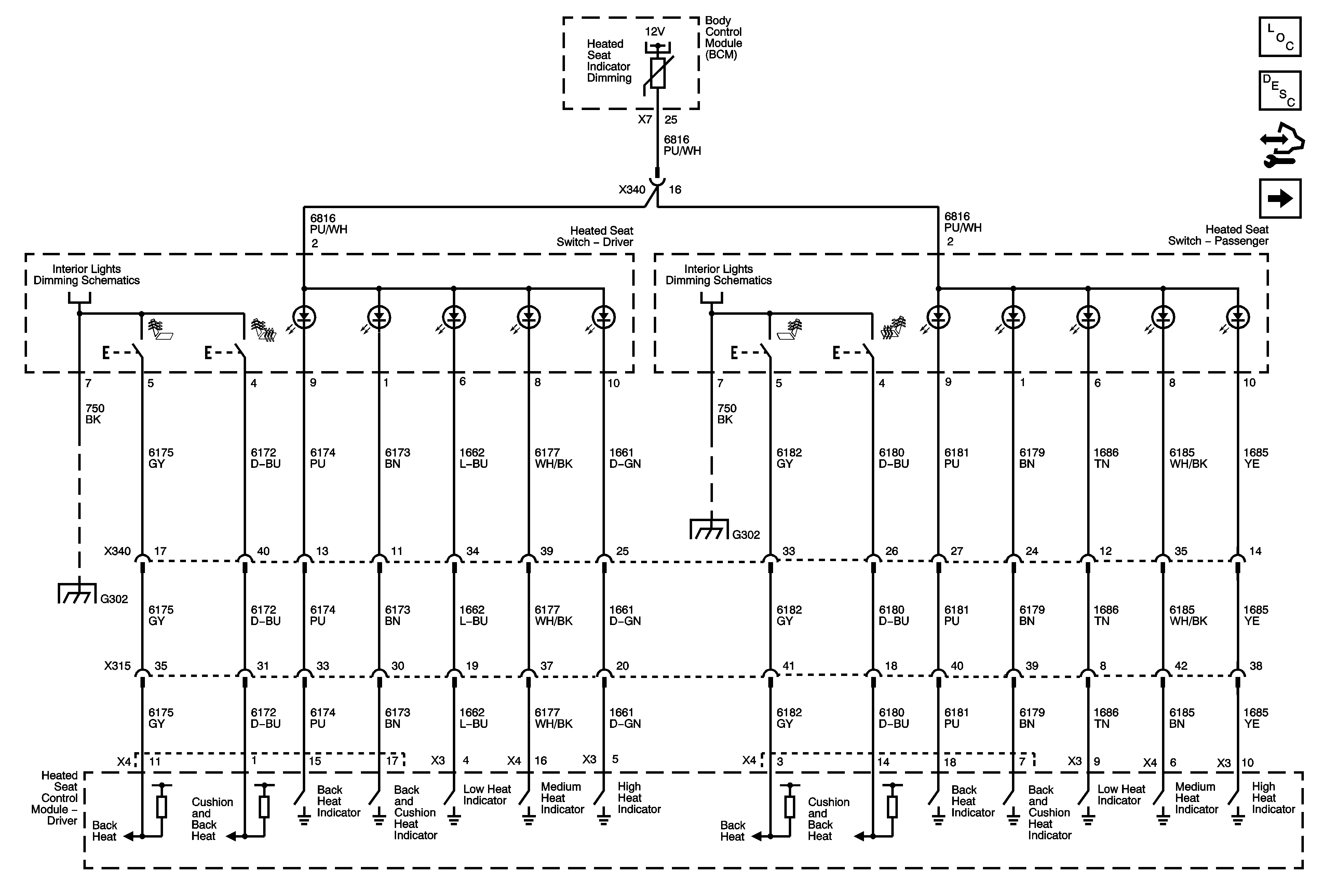
Heated Seats Description and Operation
Control Module References
Heating Elements
Subsystem References 2 of 3
Console and Driver Door LEDs
Console and Driver Door LEDs
G302 1 of 3
G302 1 of 3