GM Service Manual Online
For 1990-2009 cars only
Makes
🢒
Saturn
🢒
2007
🢒
OUTLOOK - FWD
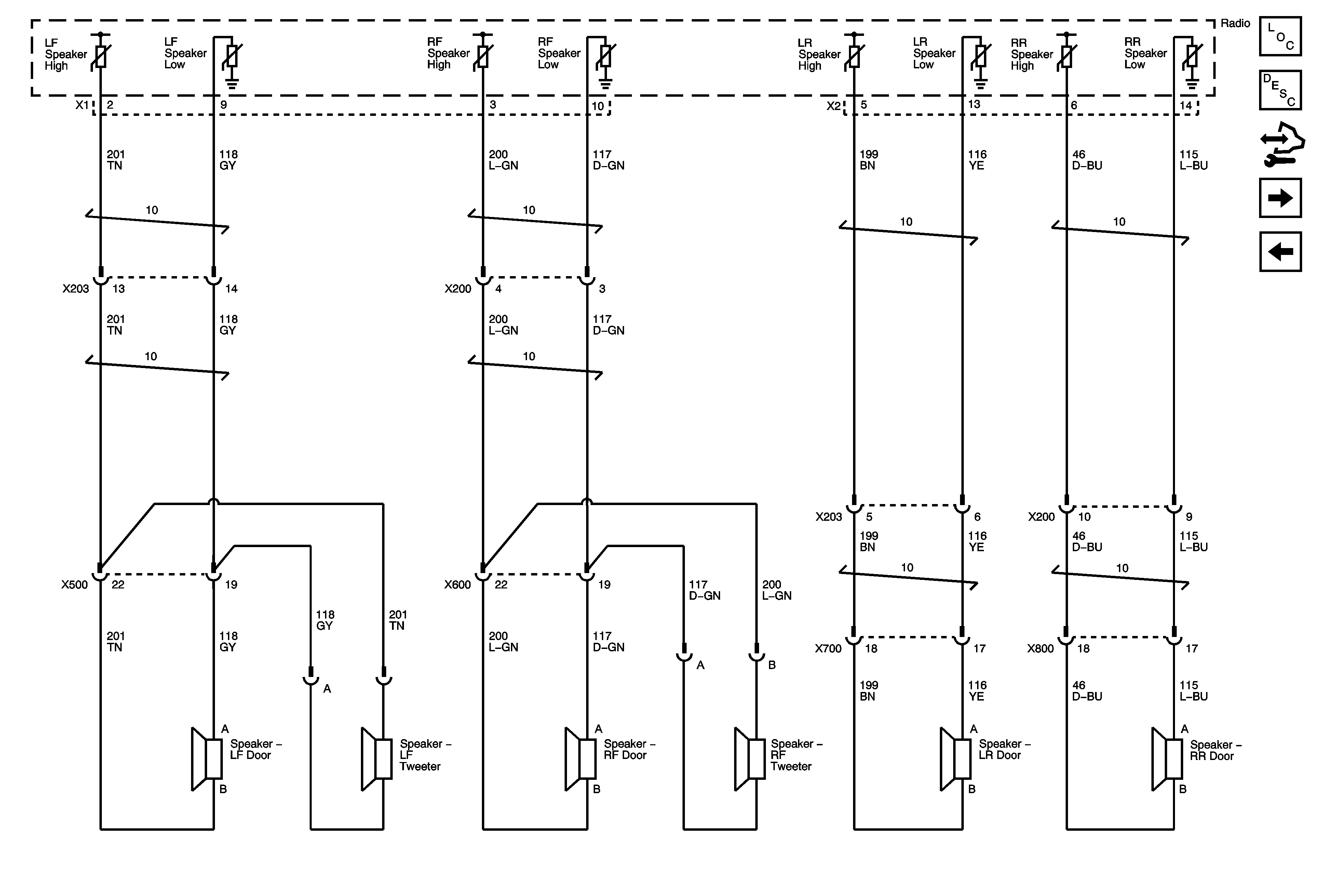
🢒 Speakers - UQF
Speakers - UQF
Speakers - UQF
Master Electrical Component List
Radio/Audio System Description and Operation
Control Module References
Speakers - UQF+UK6
Audio Amplifier Center and Subwoofer Audio Inputs - UQS