GM Service Manual Online
For 1990-2009 cars only
Makes
🢒
Saturn
🢒
2007
🢒
OUTLOOK - FWD
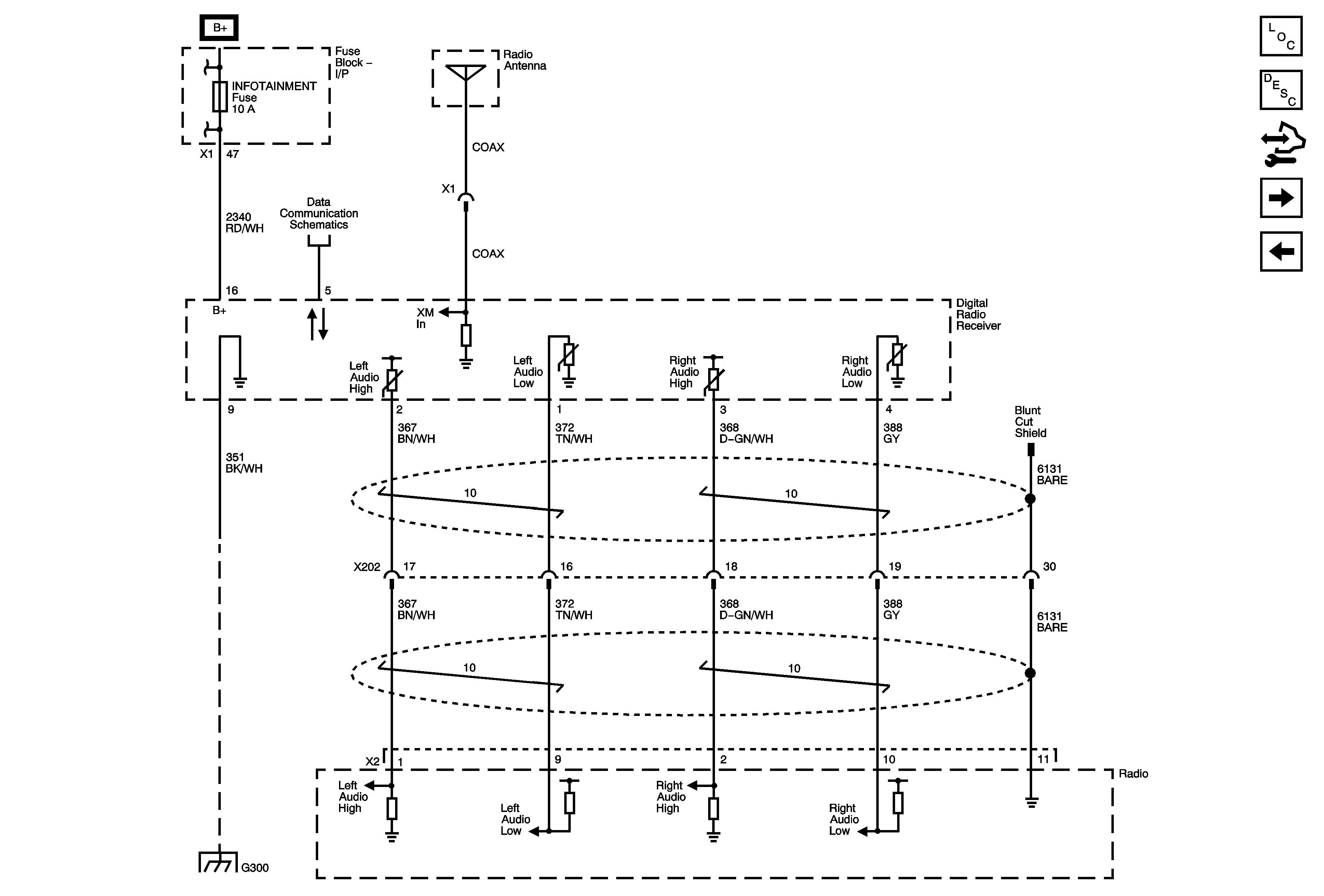
🢒 XM Radio - U2K
XM Radio - U2K
XM Radio - U2K
Master Electrical Component List
Radio/Audio System Description and Operation
Control Module References
Secondary Controls
Rear Video/Audio/HVAC Module Power, Ground, Lighting, Data Communication, and Infrared Module
AIRBAG, AMP, BATT 1, BCM, CNSTR/VENT, CSTY, DISPLAY, INADV/PWR/LED, INFOTAINMENT, MSM, POWER MOD, and RADIO Fuses
Data Communication Schematics
G300