GM Service Manual Online
For 1990-2009 cars only
Makes
🢒
Saturn
🢒
2007
🢒
OUTLOOK - FWD
🢒 Secondary Controls
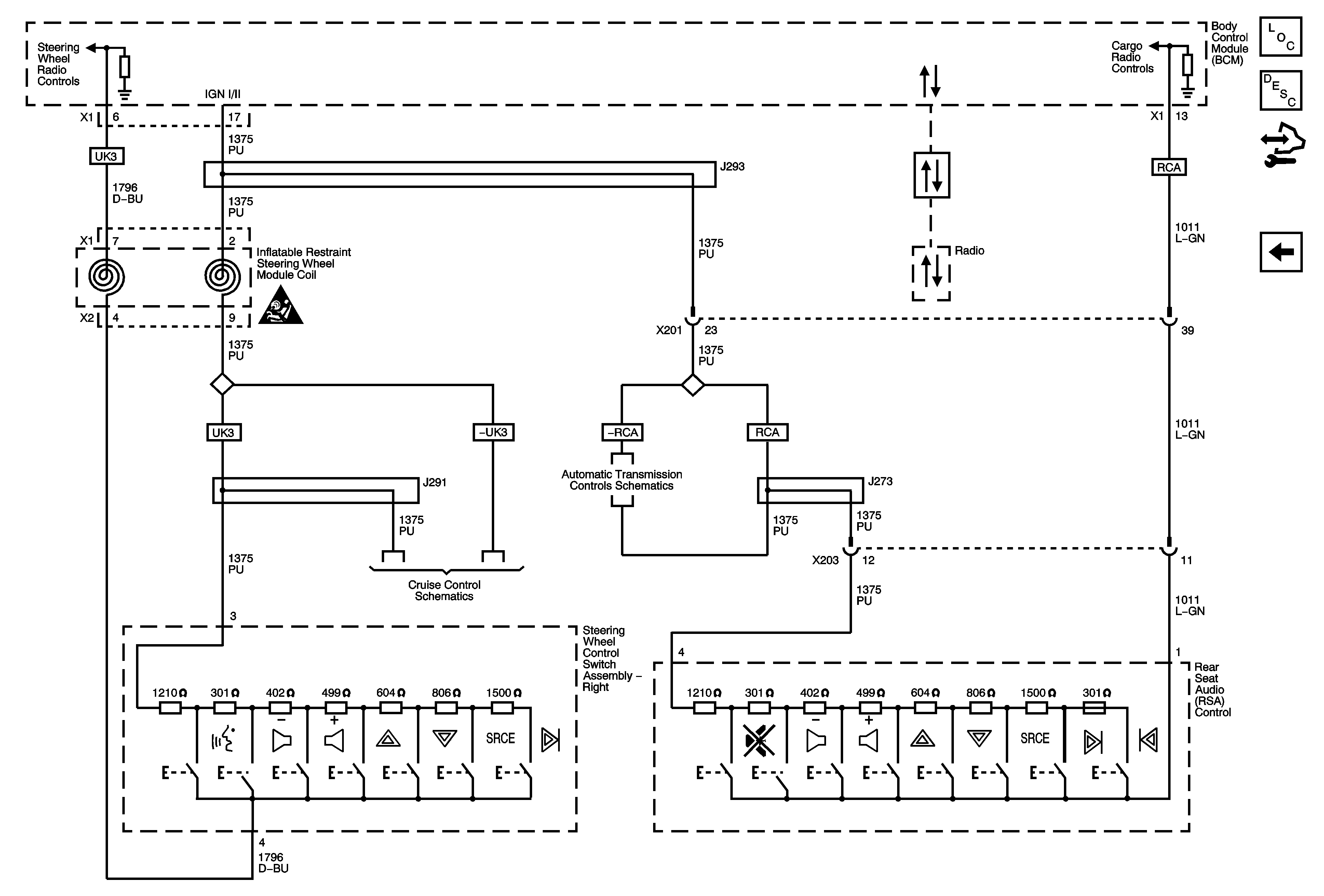
Secondary Controls
Secondary Controls
Master Electrical Component List
Radio/Audio System Description and Operation
Control Module References
XM Radio - U2K
Data Communication Schematics
IMS and Tap Up/Tap Down
Cruise Control
Entertainment/Communication Schematic Icons