GM Service Manual Online
For 1990-2009 cars only
Makes
🢒
Saturn
🢒
2007
🢒
OUTLOOK - FWD
🢒 Rear
Rear
Rear
Master Electrical Component List
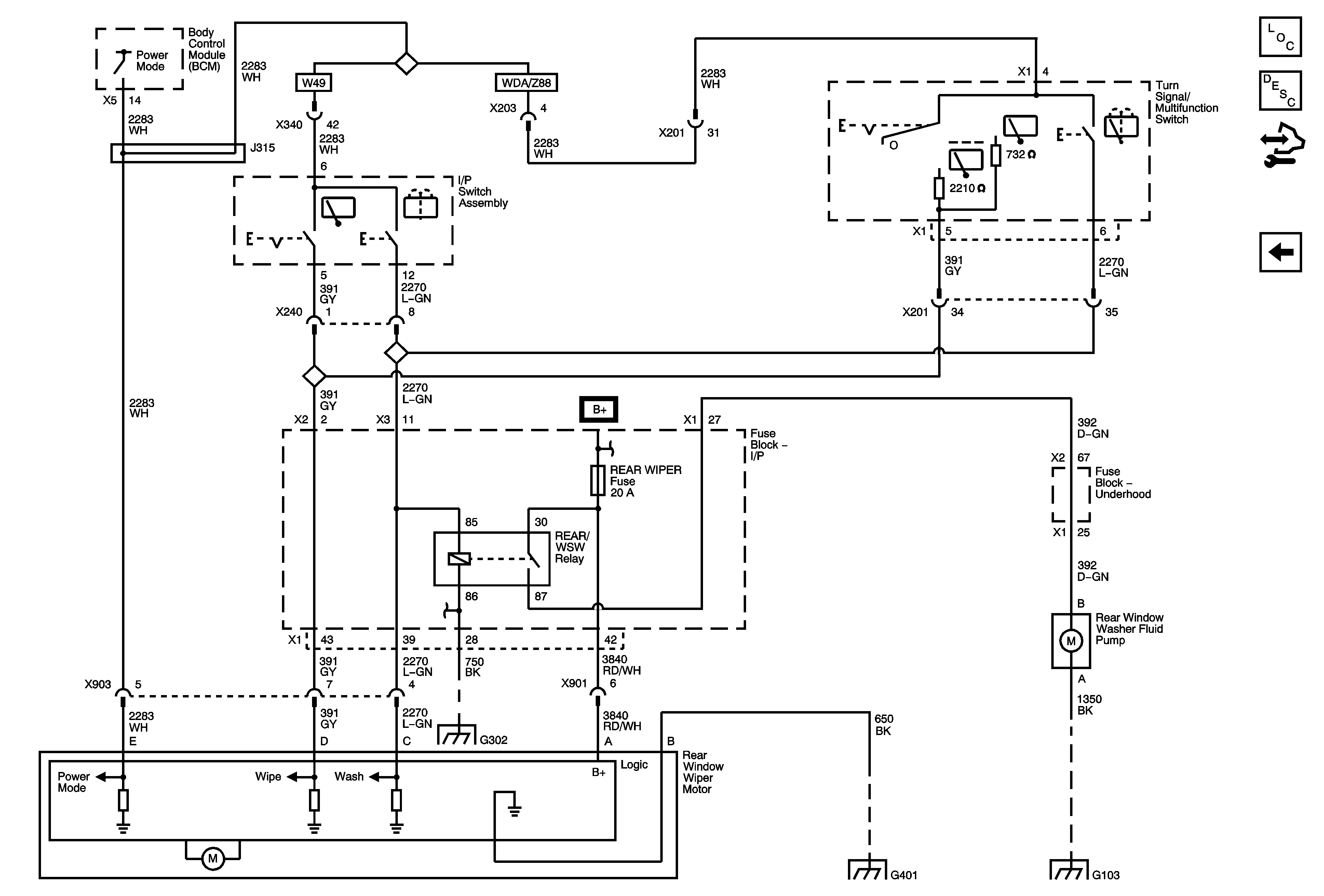
Wiper/Washer System Description and Operation
Control Module References
Front Washers
BATT 3, DRL, DRL 2, DR/LCK, FRT/WSW, HVAC, and REAR WIPER Fuses, PWR/WNDW Circuit Breaker
G401 1 of 2
Ground Distribution Schematics