GM Service Manual Online
For 1990-2009 cars only
Makes
🢒
Saturn
🢒
2007
🢒
OUTLOOK - FWD
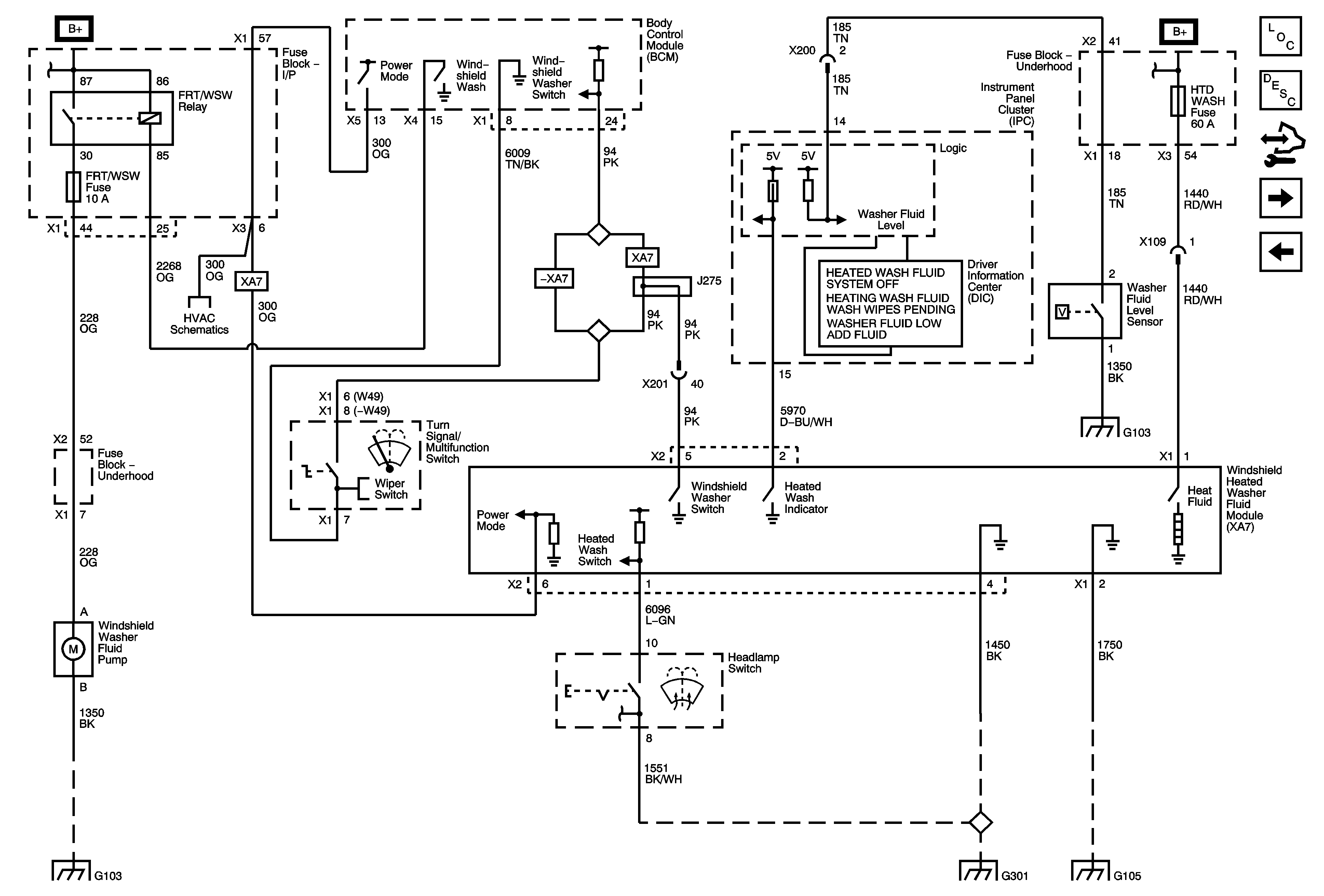
🢒 Front Washers
Front Washers
Front Washers
Master Electrical Component List
Wiper/Washer System Description and Operation
Control Module References
Rear
Front Wipers
BATT 3, DRL, DRL 2, DR/LCK, FRT/WSW, HVAC, and REAR WIPER Fuses, PWR/WNDW Circuit Breaker
BATT 3, DRL, DRL 2, DR/LCK, FRT/WSW, HVAC, and REAR WIPER Fuses, PWR/WNDW Circuit Breaker
B+ Bus 1 of 2
Module Power and Ground, Blower Control, and Subsystem References
Front Wipers
Ground Distribution Schematics
Ground Distribution Schematics
G301 1 of 2
G105 and G110