GM Service Manual Online
For 1990-2009 cars only
Makes
🢒
Saturn
🢒
2007
🢒
RELAY Ext.
🢒 Starting
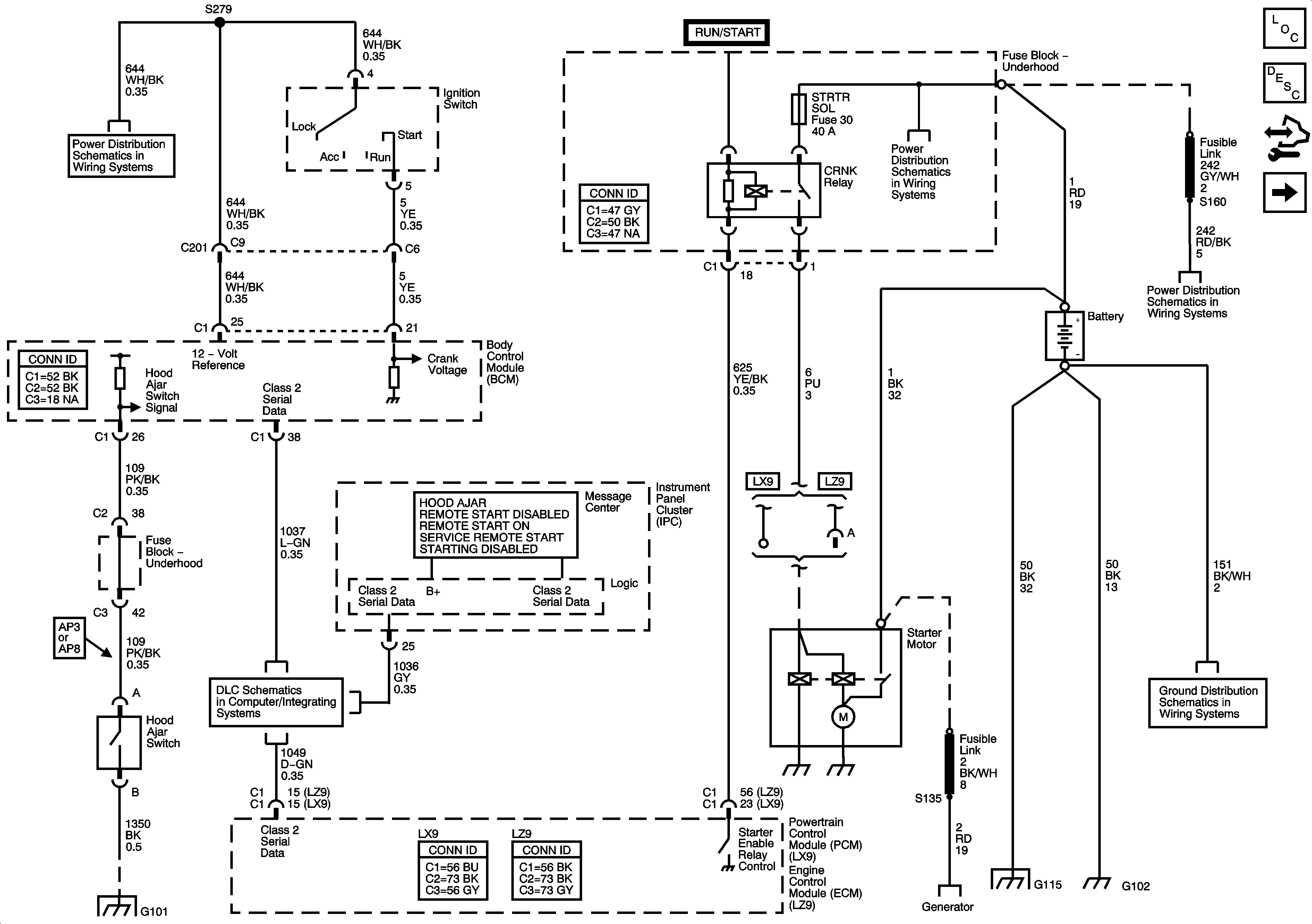
Starting
Starting
Master Electrical Component List
Starting System Description and Operation
Control Module References
Charging
Ignition Switch
ABS, AIRBAG, CRUISE/SWTCH, HVAC/RPA/CRUISE, PCM IGN, and TRANS SOLS Fuses
B+ Bus
B+ Bus
Data Link Connector (DLC) Schematics
G102, G113 and G115
G100 and G101
Charging
G102, G113 and G115
G102, G113 and G115