GM Service Manual Online
For 1990-2009 cars only
Makes
🢒
Saturn
🢒
2007
🢒
RELAY Ext.
🢒 Charging
Charging
Charging
Master Electrical Component List
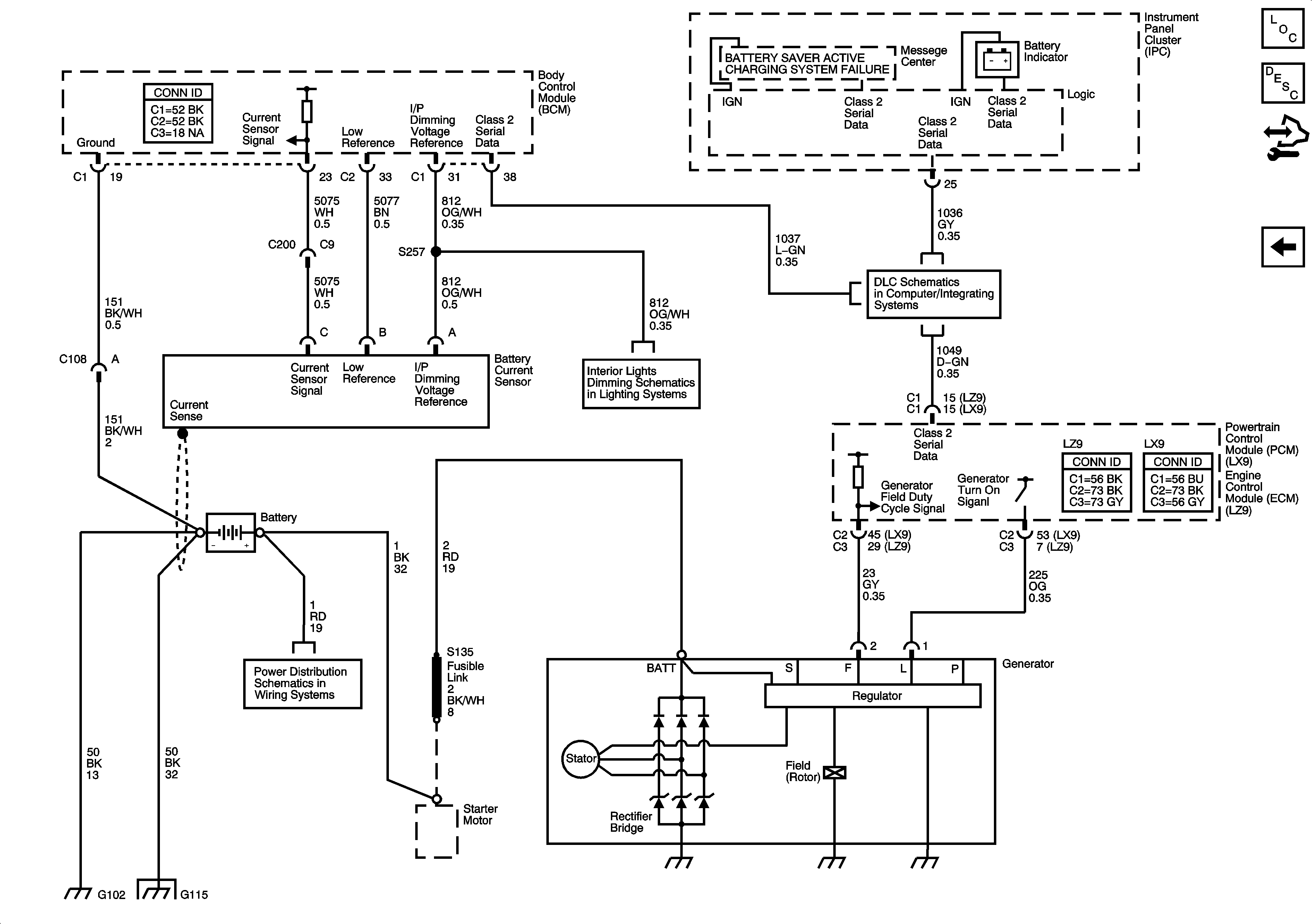
Charging System Description and Operation
Control Module References
Starting
Data Link Connector (DLC) Schematics
Control, I/P and Passenger Door Lamps
B+ Bus
G102, G113 and G115