GM Service Manual Online
For 1990-2009 cars only
Makes
🢒
Saturn
🢒
2003
🢒
VUE - FWD
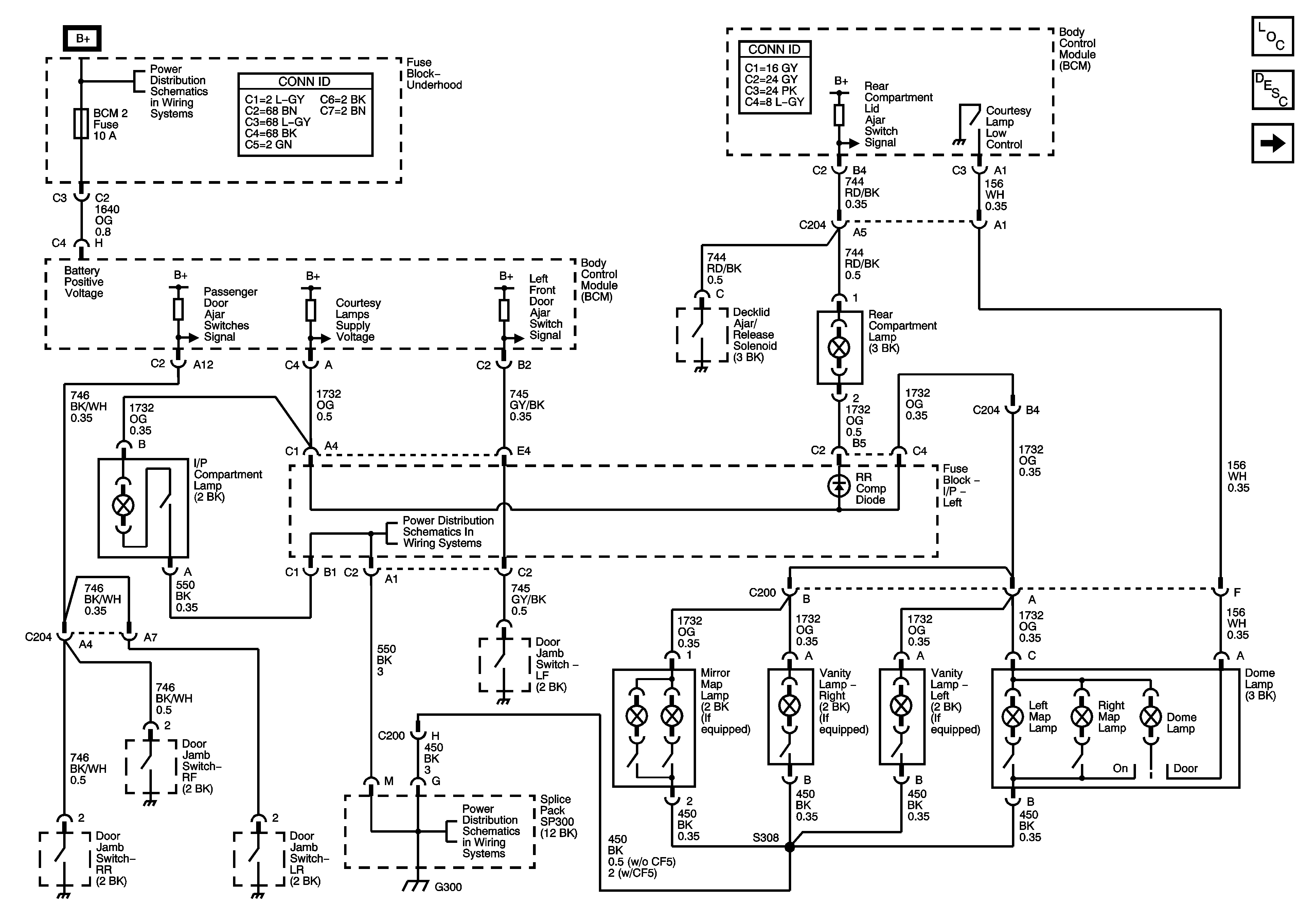
🢒 Interior LIghts Schematics- Sedan w/ UE1
Interior LIghts Schematics- Sedan w/ UE1
Sedan (w/ UE1)
Master Electrical Component List
Interior Lighting Systems Description and Operation
Sedan w/o UE1
Fuse Block-Underhood Bus
G300, G304
G300