GM Service Manual Online
For 1990-2009 cars only
Makes
🢒
Saturn
🢒
2003
🢒
VUE - FWD
🢒 Sedan w/o UE1
Sedan w/o UE1
Sedan (w/o UE1)
Master Electrical Component List
High Beam Indicator Inoperative
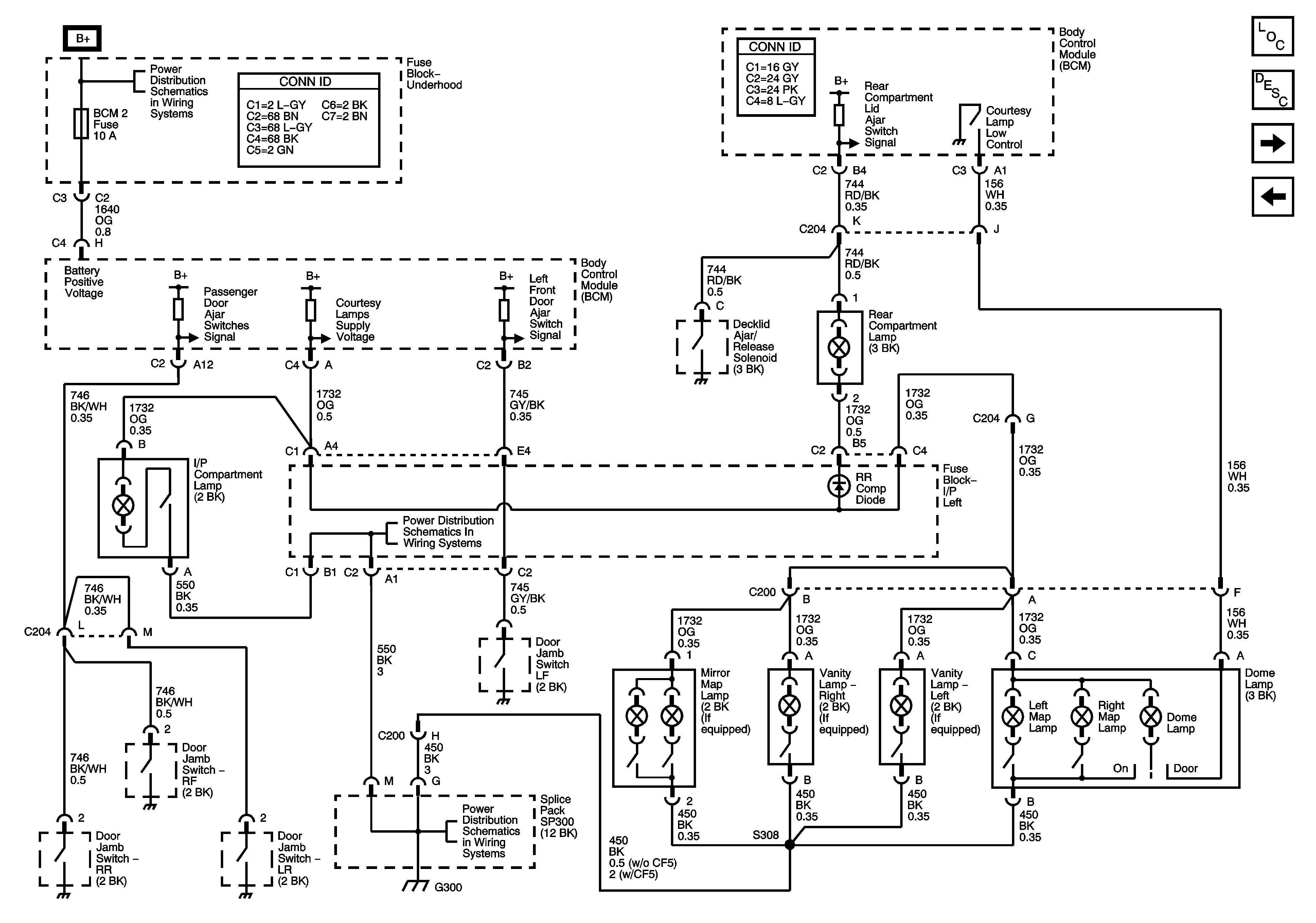
Interior Lights Schematics- Wagon w/UE1
Interior LIghts Schematics- Sedan w/ UE1
Fuse Block-Underhood Bus
G300, G304
G300