GM Service Manual Online
For 1990-2009 cars only
Makes
🢒
Saturn
🢒
2003
🢒
VUE - FWD
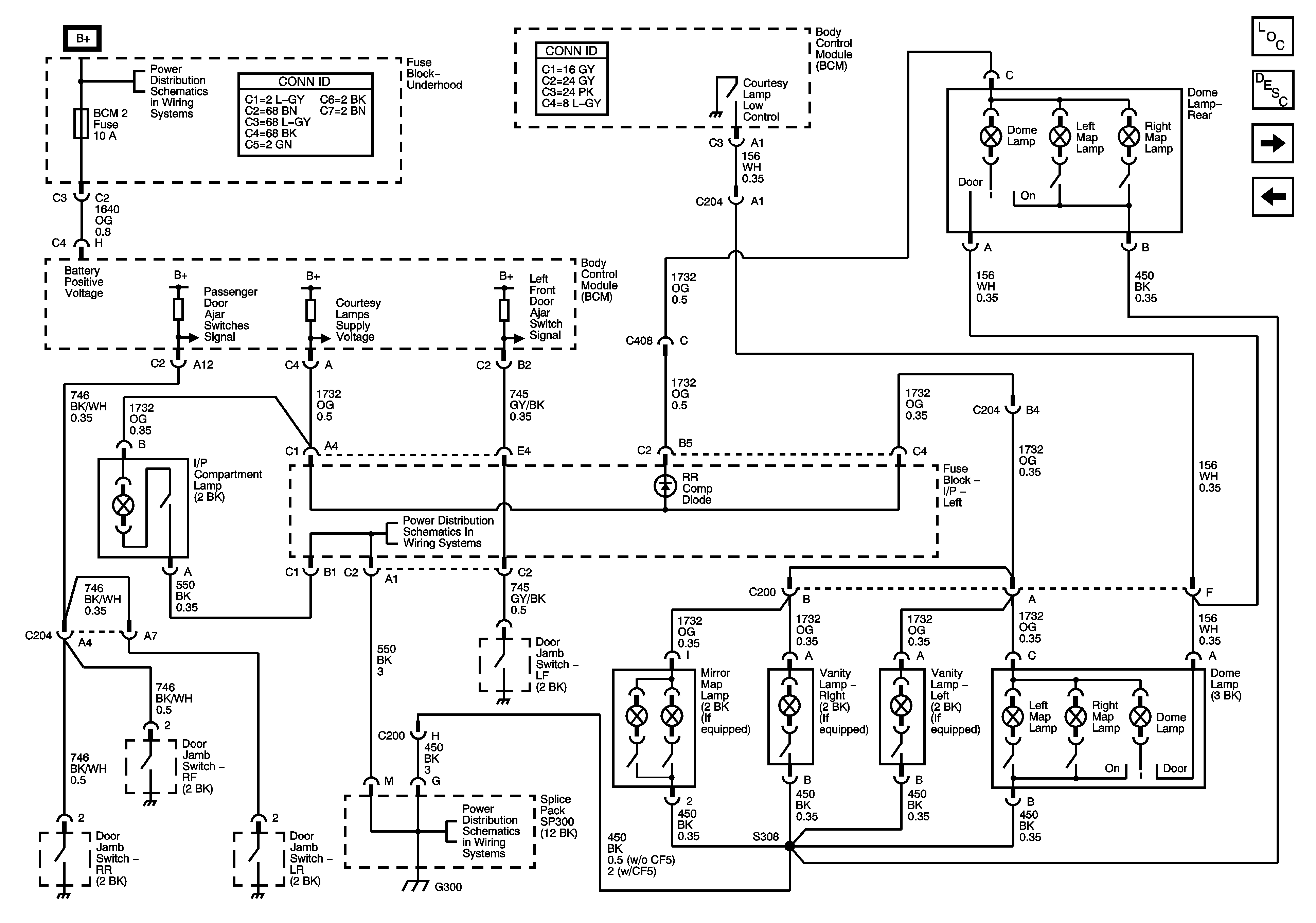
🢒 Interior Lights Schematics- Wagon w/UE1
Interior Lights Schematics- Wagon w/UE1
Wagon (w/UE1)
Master Electrical Component List
Interior Lighting Systems Description and Operation
Wagon w/o UE1
Sedan w/o UE1
Fuse Block-Underhood Bus
G300, G304
G300