GM Service Manual Online
For 1990-2009 cars only
Makes
🢒
Saturn
🢒
2003
🢒
VUE - FWD
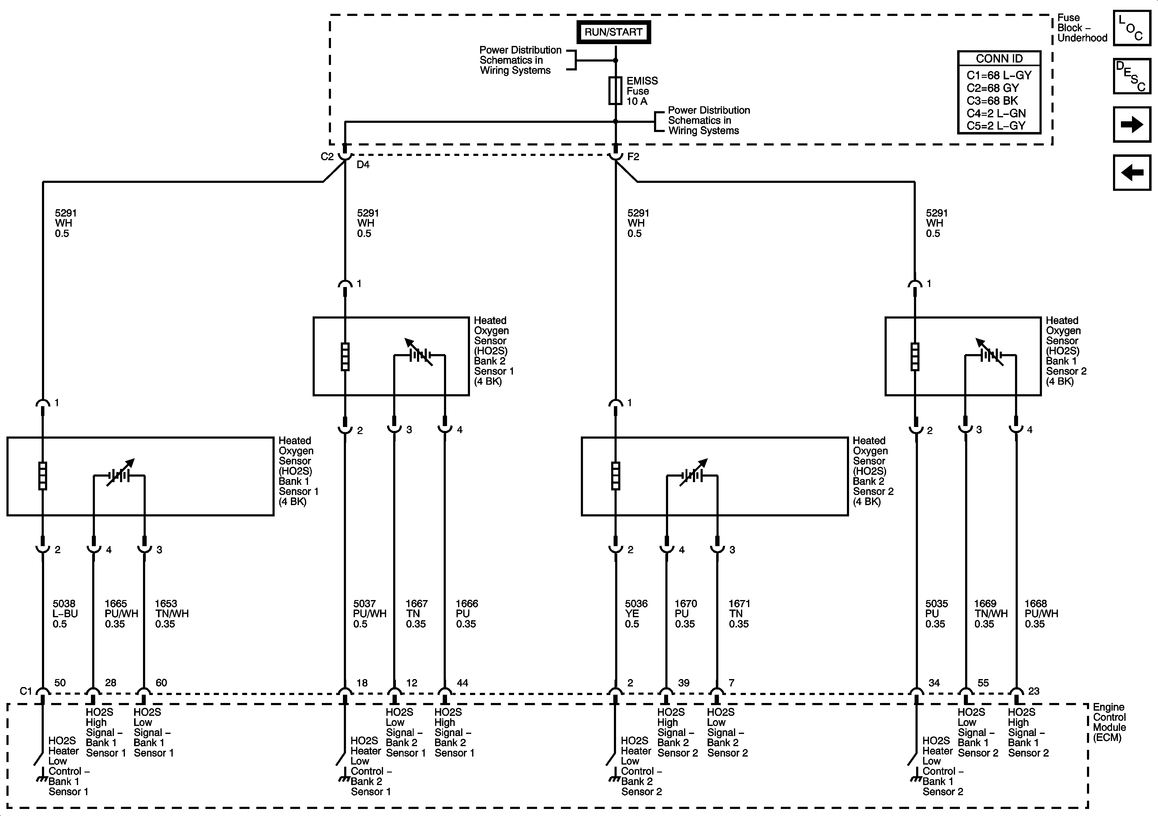
🢒 Engine Data Sensors - Oxygen Sensors
Engine Data Sensors - Oxygen Sensors
Engine Data Sensors - Oxygen Sensors
Master Electrical Component List
Engine Control Module Description
Throttle Controls
Engine Data Sensors - MAF, OSS, Stop Lamp Switch, and the Wheel Speed Conditioner Module (w/o ABS)
Ignition Switch
ENG MAIN Relay, EMISS, ECM/CAM, and INJ/MANF Fuses