GM Service Manual Online
For 1990-2009 cars only
Makes
🢒
Saturn
🢒
2003
🢒
VUE - FWD
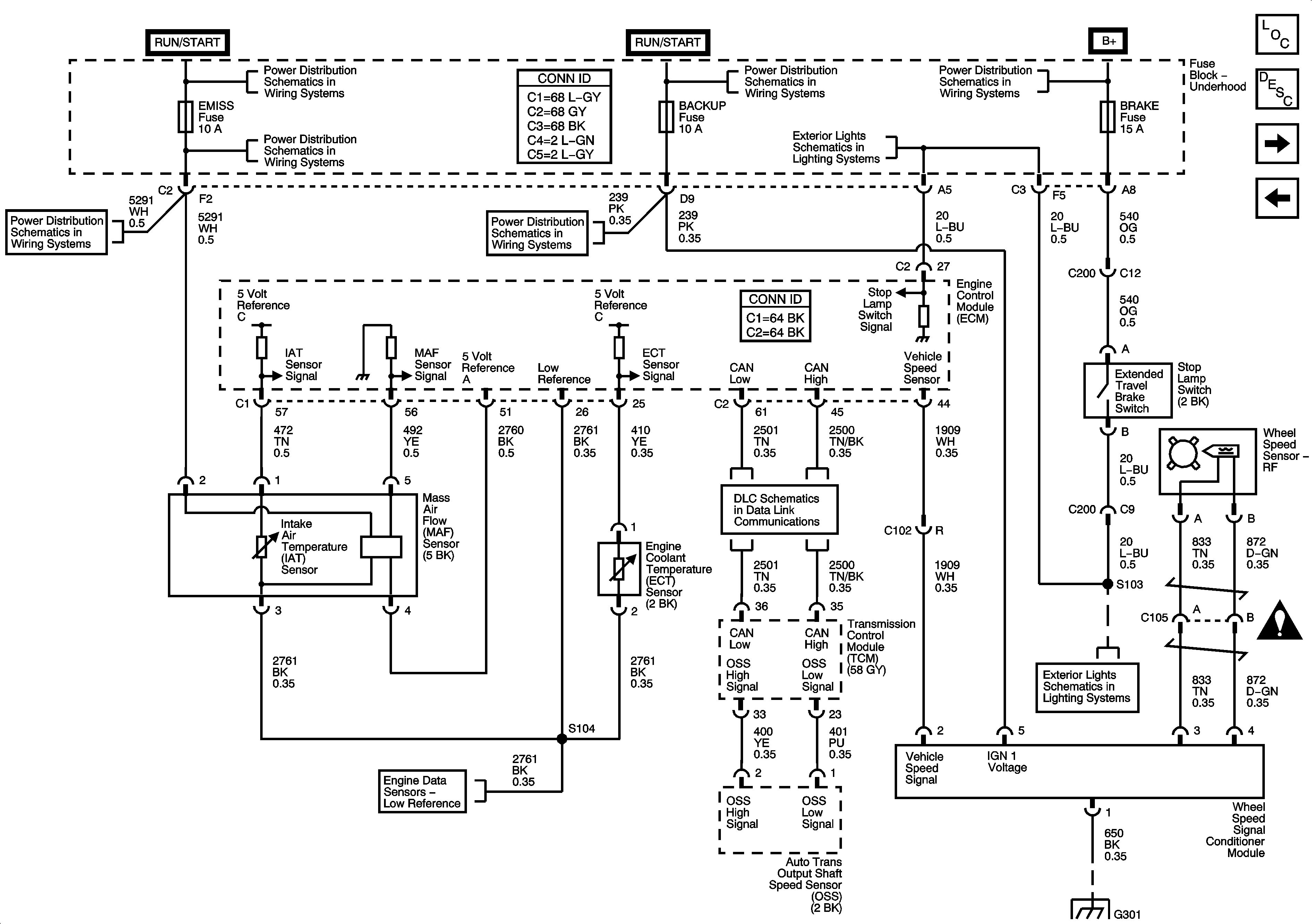
🢒 Engine Data Sensors - MAF, OSS, Stop Lamp Switch,and the Wheel Speed Conditioner Module (w/o ABS)
Engine Data Sensors - MAF, OSS, Stop Lamp Switch,and the Wheel Speed Conditioner Module (w/o ABS)
Engine Data Sensors - MAF, OSS, and the Stop Lamp Switch (w/o ABS)
Master Electrical Component List
Engine Control Module Description
Engine Data Sensors - Oxygen Sensors
Engine Data Sensors - MAF, OSS, and the Stop Lamp Switch (w/ABS)
Ignition Switch
ENG MAIN Relay, EMISS, ECM/CAM, and INJ/MANF Fuses
ENG MAIN Relay, EMISS, ECM/CAM, and INJ/MANF Fuses
Battery Power to the Fuse Block, Starter, and Generator
Stop Lamps
Stop Lamps
DLC Schematic
Engine Data Sensors - Low References
Ignition Switch
BACKUP,PWR TRAIN,ENG IGN, and ABS Fuses
G301 - 2 of 2
Engine Controls Schematic Icons