GM Service Manual Online
For 1990-2009 cars only
Makes
🢒
Saturn
🢒
2003
🢒
VUE - FWD
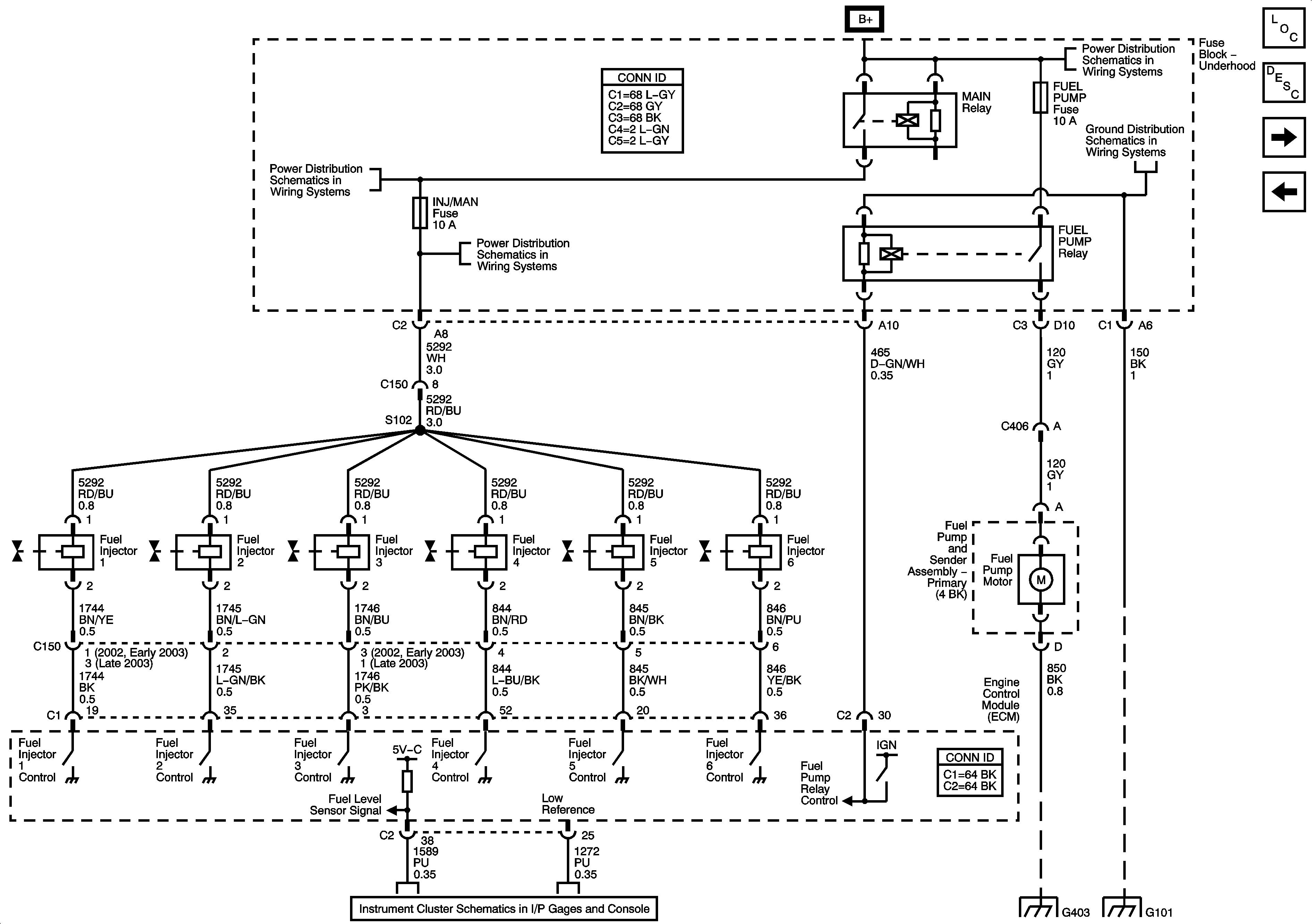
🢒 Fuel Pump and Injectors
Fuel Pump and Injectors
Fuel Pump and Injector Controls
Master Electrical Component List
Fuel System Description
EVAP Controls
Knock, Crankshaft, and Camshaft Sensors
Battery Power to the Fuse Block, Starter, and Generator
G101
ENG MAIN Relay, EMISS, ECM/CAM, and INJ/MANF Fuses
ENG MAIN Relay, EMISS, ECM/CAM, and INJ/MANF Fuses
Gages and the Fuel Level Sensors
G401 and G403
G101