GM Service Manual Online
For 1990-2009 cars only
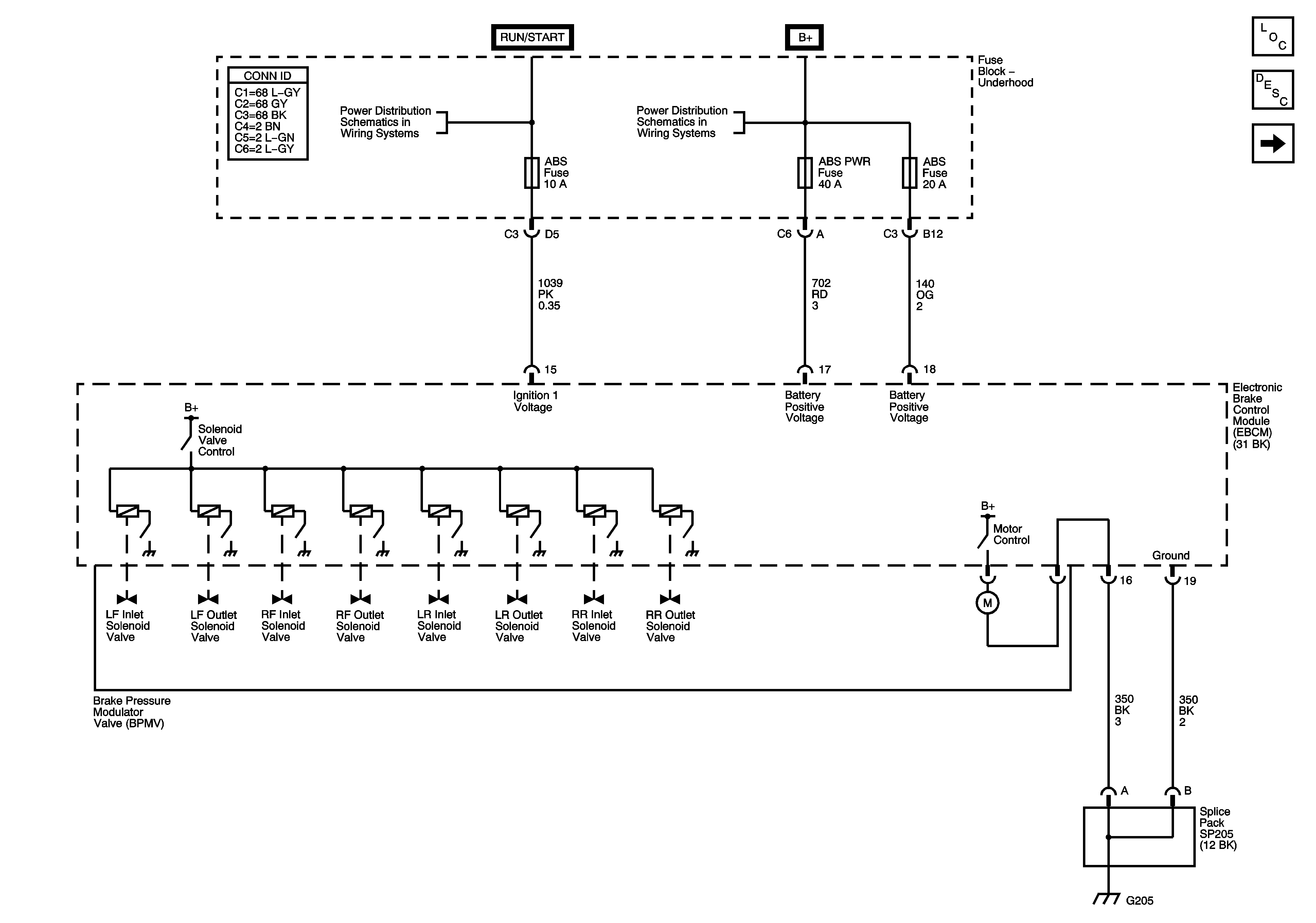
Figure 1:

EBCM Power and Ground


Object Number: 1339384  Size: FS
Master Electrical Component List
ABS Description and Operation
Indicators and TC Switch
IGN Fuse, Ignition Switch, and the Igntion Switch Position Circuits
Battery, Starter, Generator, PSCM, and the B+ Circuits to the Underhood Fuse Block
G203 and G205
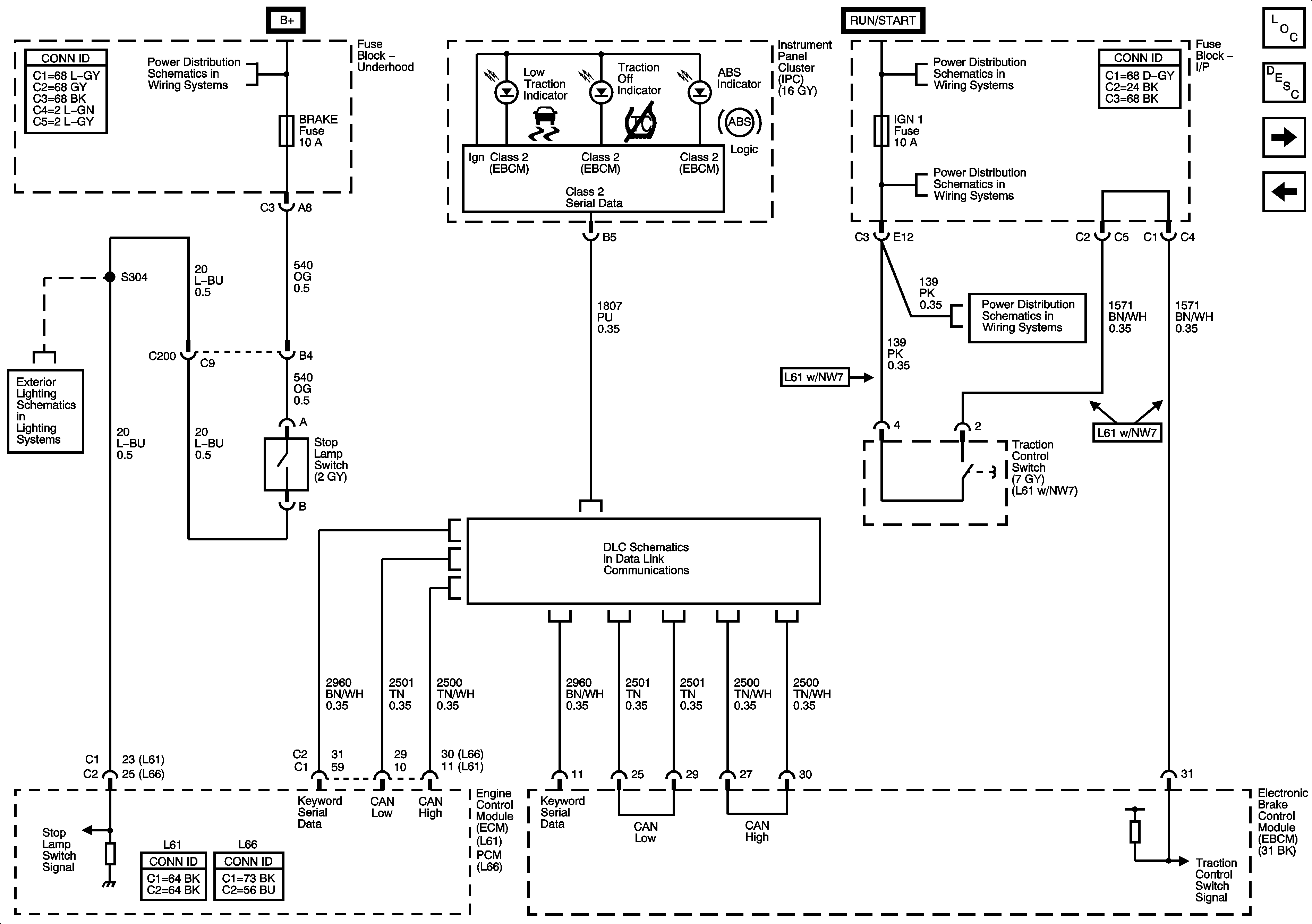
Figure 2:

Indicators and TC Switch


Object Number: 1339386  Size: FS
Master Electrical Component List
ABS Description and Operation
Wheel Speed Sensors
EBCM Power and Ground
IGN Fuse, Ignition Switch, and the Igntion Switch Position Circuits
IGN 1, BCM(IGN), AIR BAG, EPS, and CRUISE Fuses (I/P Fuse Block)
IGN 1, BCM(IGN), AIR BAG, EPS, and CRUISE Fuses (I/P Fuse Block)
Battery, Starter, Generator, PSCM, and the B+ Circuits to the Underhood Fuse Block
Stop Lamps
DLC Schematic
Figure 3:

Wheel Speed Sensors


Object Number: 1181397  Size: FS
Master Electrical Component List
ABS Description and Operation
Indicators and TC Switch
Antilock Brake System Schematic Icons
Antilock Brake System Schematic Icons
Antilock Brake System Schematic Icons
Antilock Brake System Schematic Icons