GM Service Manual Online
For 1990-2009 cars only
Makes
🢒
Saturn
🢒
2004
🢒
VUE - FWD
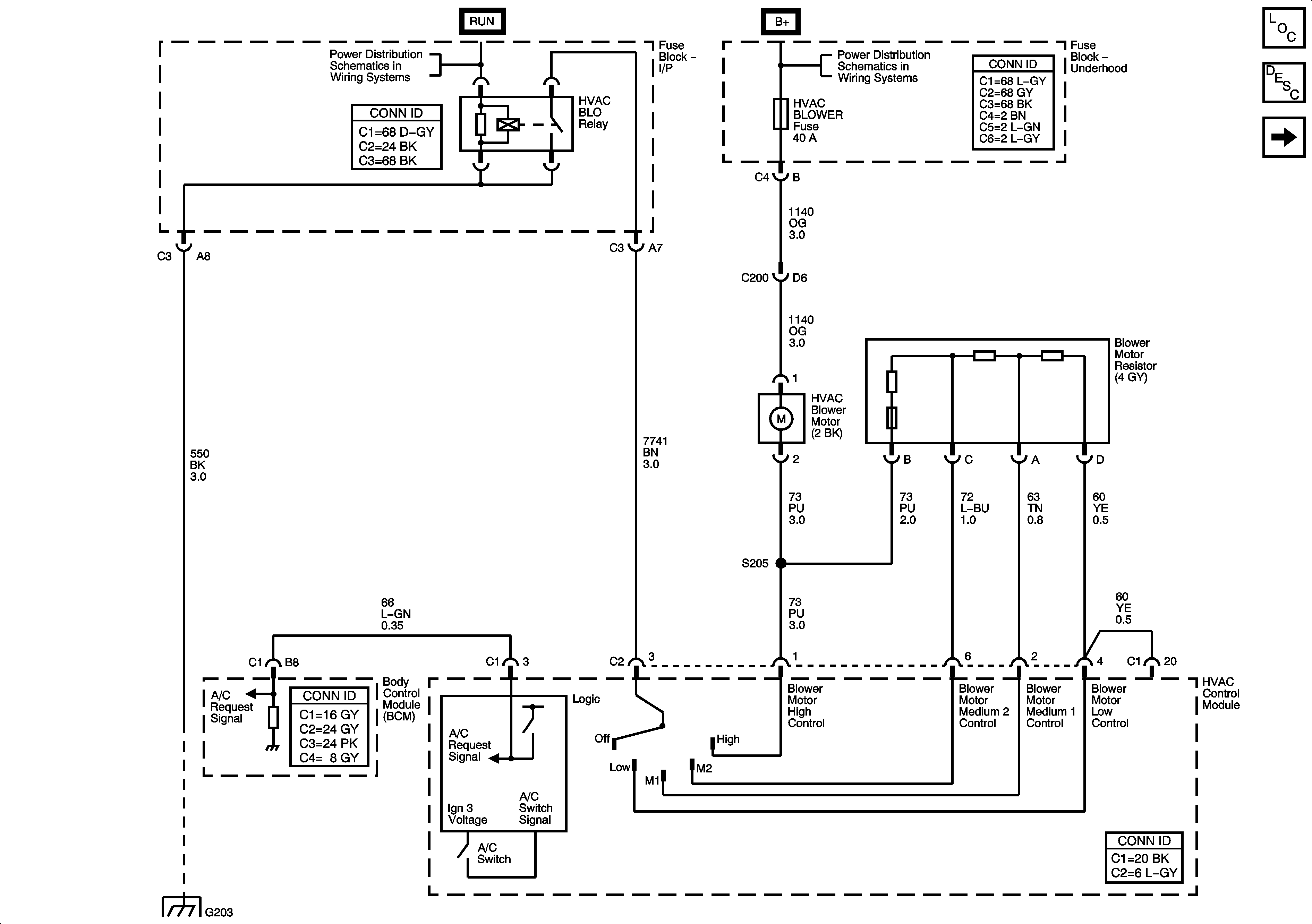
🢒 Blower Controls
Blower Controls
Blower Controls
Master Electrical Component List
Air Temperature Description and Operation
Compressor and Pressure Sensor Signals
IGN Fuse, Ignition Switch, and the Igntion Switch Position Circuits
Battery, Starter, Generator, PSCM, and the B+ Circuits to the Underhood Fuse Block
G203 and G205