GM Service Manual Online
For 1990-2009 cars only
Makes
🢒
Saturn
🢒
2004
🢒
VUE - FWD
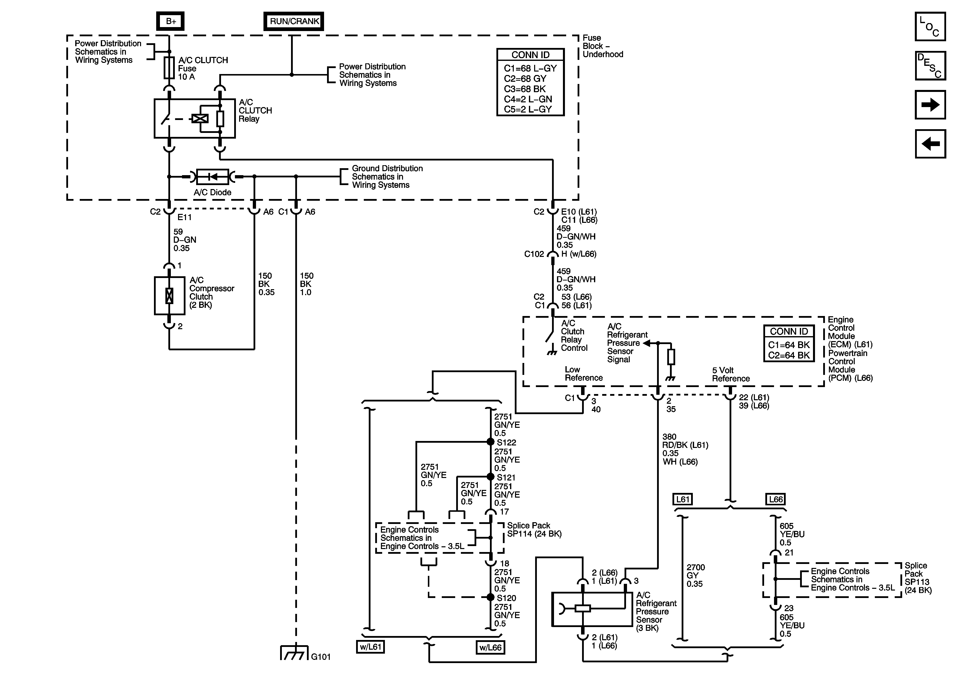
🢒 Compressor and Pressure Sensor Signals
Compressor and Pressure Sensor Signals
Compressor and Pressure Sensor Signals
Master Electrical Component List
Air Temperature Description and Operation
Actuators and EVAP Temp Sensor
Blower Controls
IGN Fuse, Ignition Switch, and the Igntion Switch Position Circuits
Battery, Starter, Generator, PSCM, and the B+ Circuits to the Underhood Fuse Block
G101
Engine Data Sensors - Low References
Engine Data Sensors - 5 Volt References