GM Service Manual Online
For 1990-2009 cars only
Makes
🢒
Saturn
🢒
2004
🢒
VUE - FWD
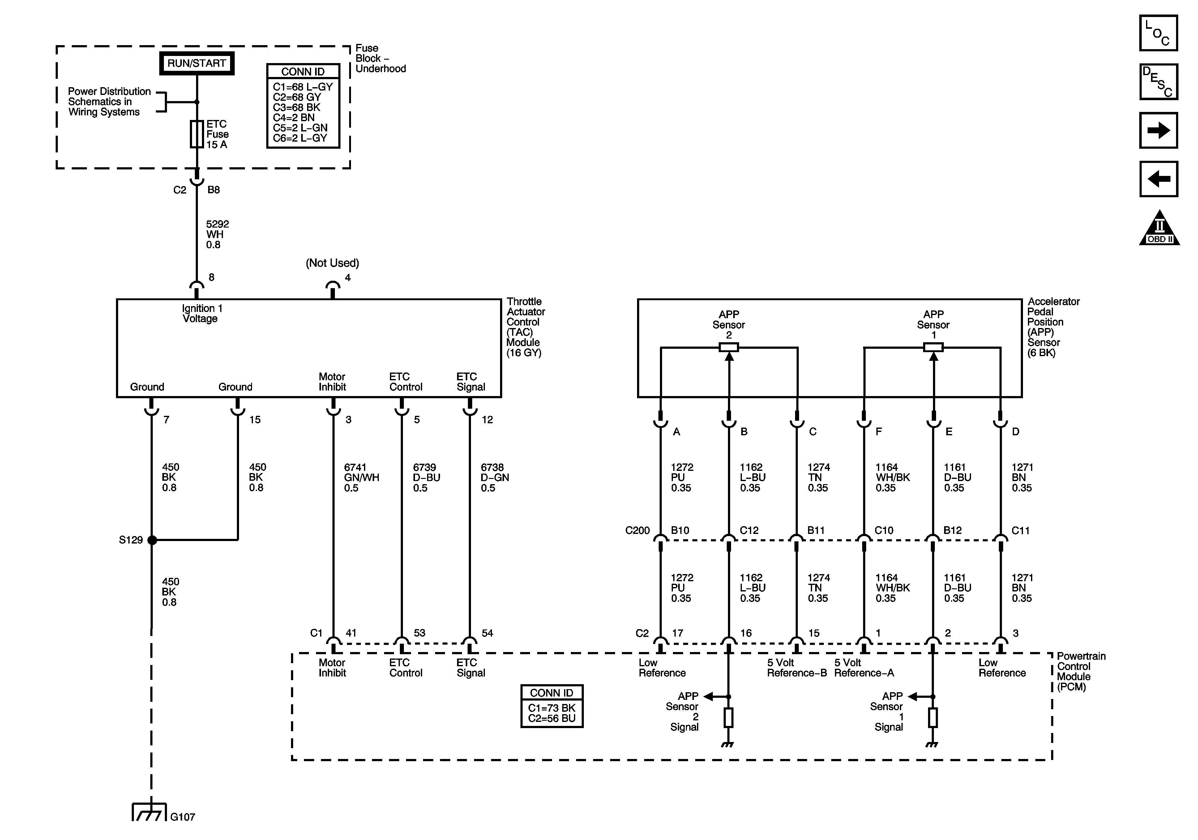
🢒 Throttle Controls
Throttle Controls
Throttle Controls
Master Electrical Component List
Throttle Actuator Control (TAC) System Description
Ignition Control Modules
Bank 2 Oxygen Sensors
OBD II Symbol Description Notice
IGN Fuse, Ignition Switch, and the Igntion Switch Position Circuits