GM Service Manual Online
For 1990-2009 cars only
Makes
🢒
Saturn
🢒
2004
🢒
VUE - FWD
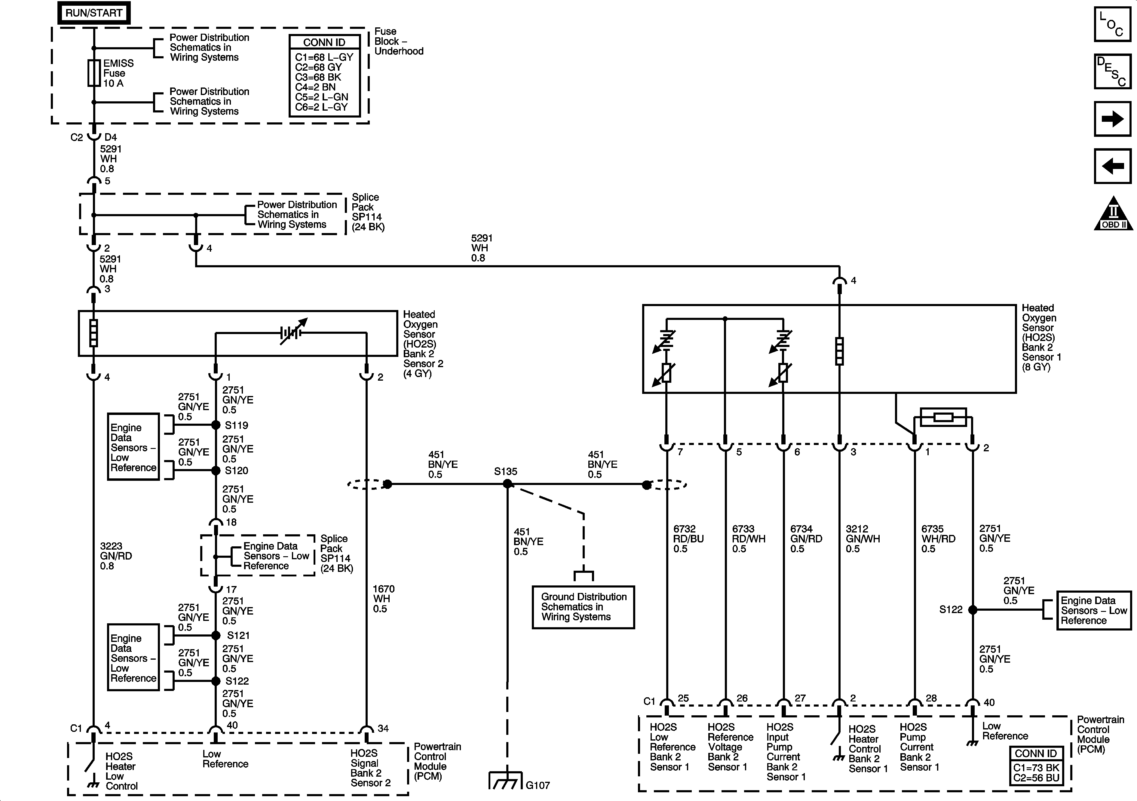
🢒 Bank 2 Oxygen Sensors
Bank 2 Oxygen Sensors
Bank 2 Oxygen Sensors
Master Electrical Component List
Powertrain Control Module Description
Throttle Controls
Bank 1 Oxygen Sensors
OBD II Symbol Description Notice
IGN Fuse, Ignition Switch, and the Igntion Switch Position Circuits
L66 1 of 2 - ENG MAIN Relay, EMISS Fuse, and the INJECTORS Fuse
L66 1 of 2 - ENG MAIN Relay, EMISS Fuse, and the INJECTORS Fuse
Engine Data Sensors - Low References
w/L66 - G103, G105, G107, G109, and G207
w/L66 - G103, G105, G107, G109, and G207
Engine Data Sensors - Low References