GM Service Manual Online
For 1990-2009 cars only
Makes
🢒
Saturn
🢒
2004
🢒
VUE - FWD
🢒 Igntion Controls - Sensors
Igntion Controls - Sensors
Ignition Controls - Sensors
Master Electrical Component List
Electronic Ignition (EI) System Description
Fuel Injectors, Fuel Pump, and Valve Timing Signals
Ignition Control Modules
OBD II Symbol Description Notice
IGN Fuse, Ignition Switch, and the Igntion Switch Position Circuits
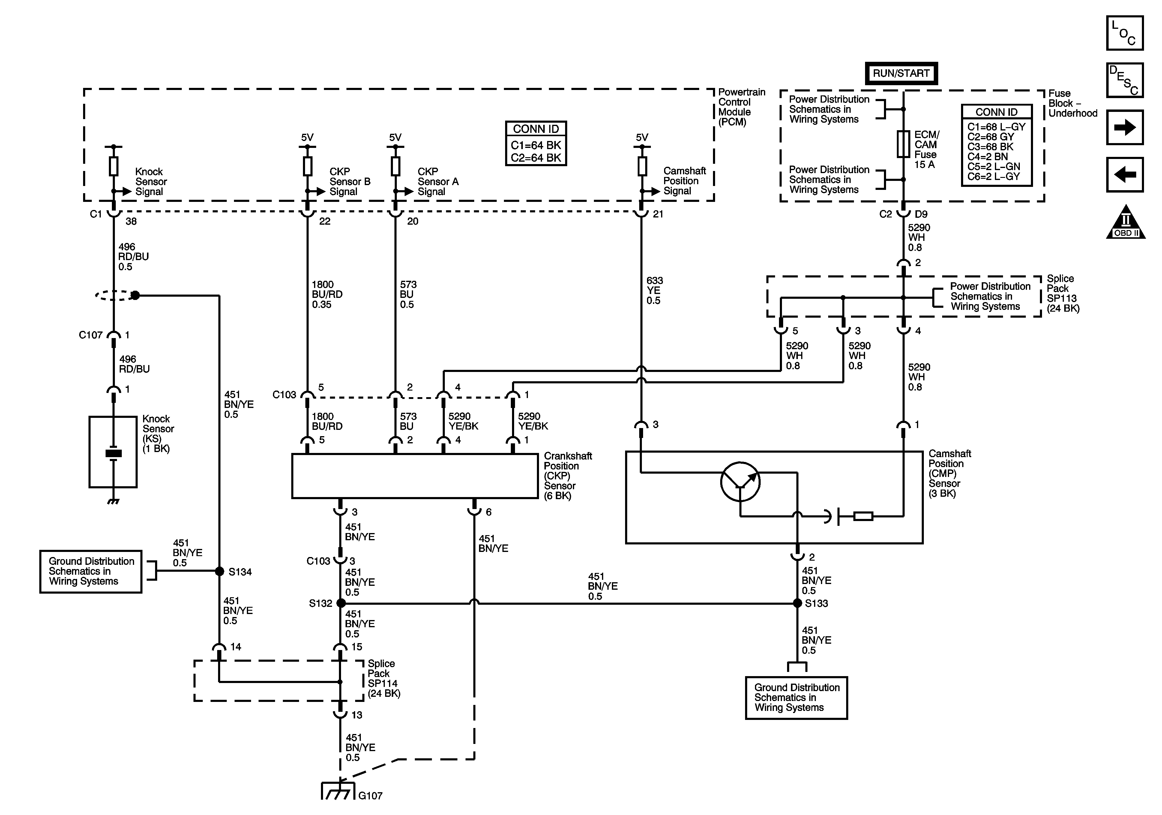
L66 2 of 2-ECM/CAM Fuse
L66 2 of 2-ECM/CAM Fuse
w/L66 - G103, G105, G107, G109, and G207
w/L66 - G103, G105, G107, G109, and G207
w/L66 - G103, G105, G107, G109, and G207