GM Service Manual Online
For 1990-2009 cars only
Makes
🢒
Saturn
🢒
2004
🢒
VUE - FWD
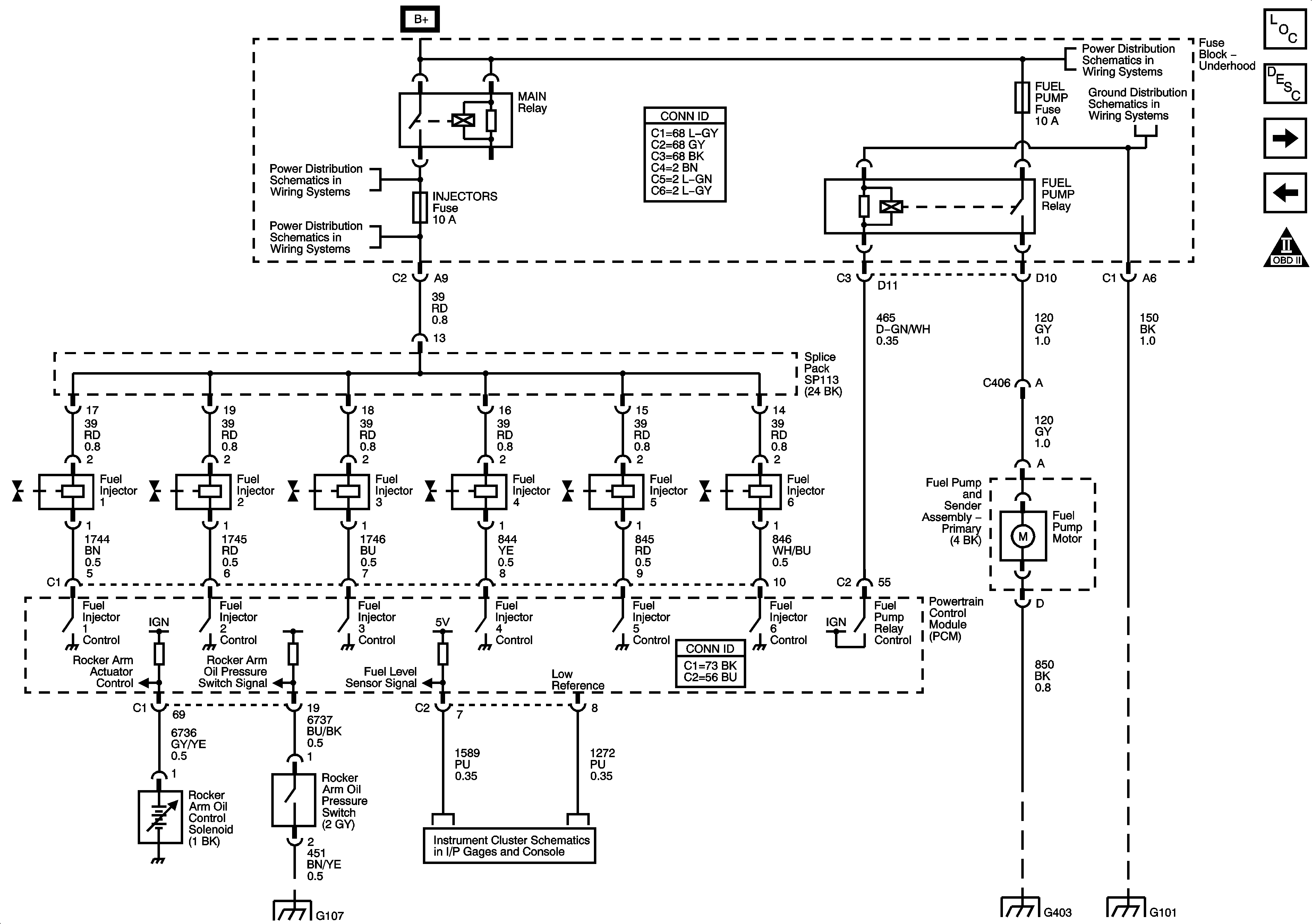
🢒 Fuel Injectors, Fuel Pump, and Valve Timing Signals
Fuel Injectors, Fuel Pump, and Valve Timing Signals
Fuel Controls and Rocker Arm Oil Switch and Solenoid Controls
Master Electrical Component List
Fuel System Description
EVAP Controls, EGR and FTP Sensors
Igntion Controls - Sensors
OBD II Symbol Description Notice
IGN Fuse, Ignition Switch, and the Igntion Switch Position Circuits
L66 1 of 2 - ENG MAIN Relay, EMISS Fuse, and the INJECTORS Fuse
Battery, Starter, Generator, PSCM, and the B+ Circuits to the Underhood Fuse Block
G101
w/L66 - G103, G105, G107, G109, and G207
Gages
G401 and G403
G101