GM Service Manual Online
For 1990-2009 cars only
Makes
🢒
Saturn
🢒
2006
🢒
VUE - FWD
🢒
Accessories
🢒
Cruise Control
🢒 Exterior Lights Schematics
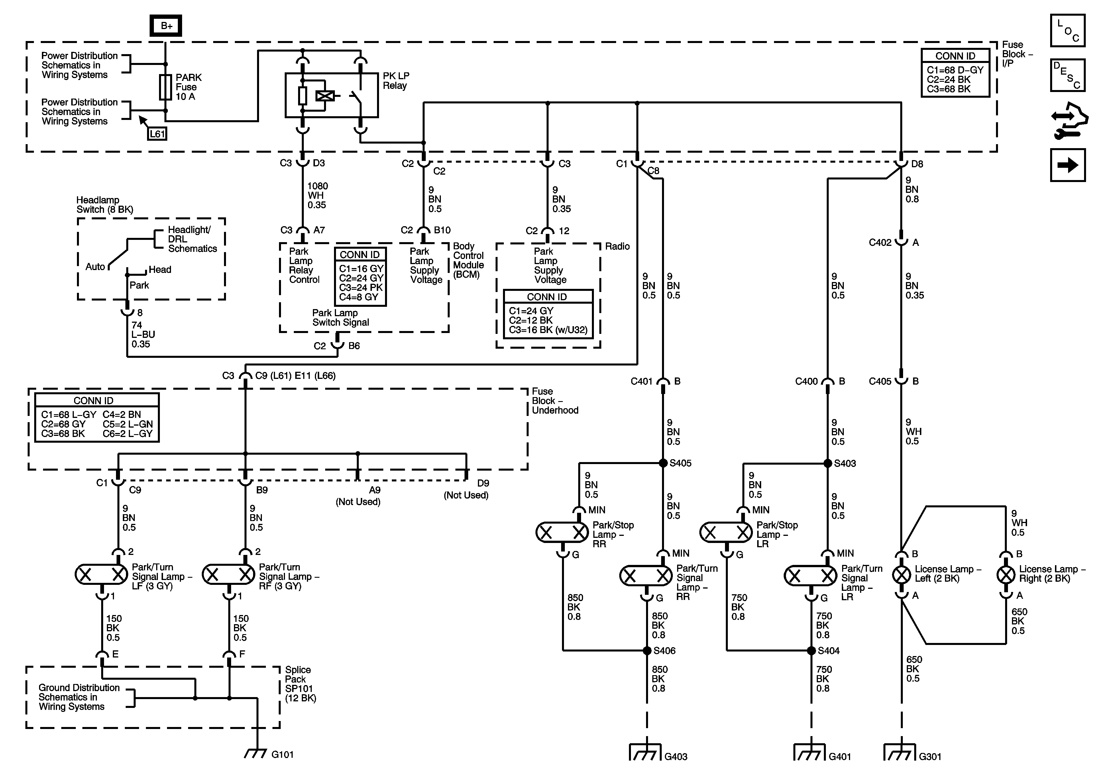
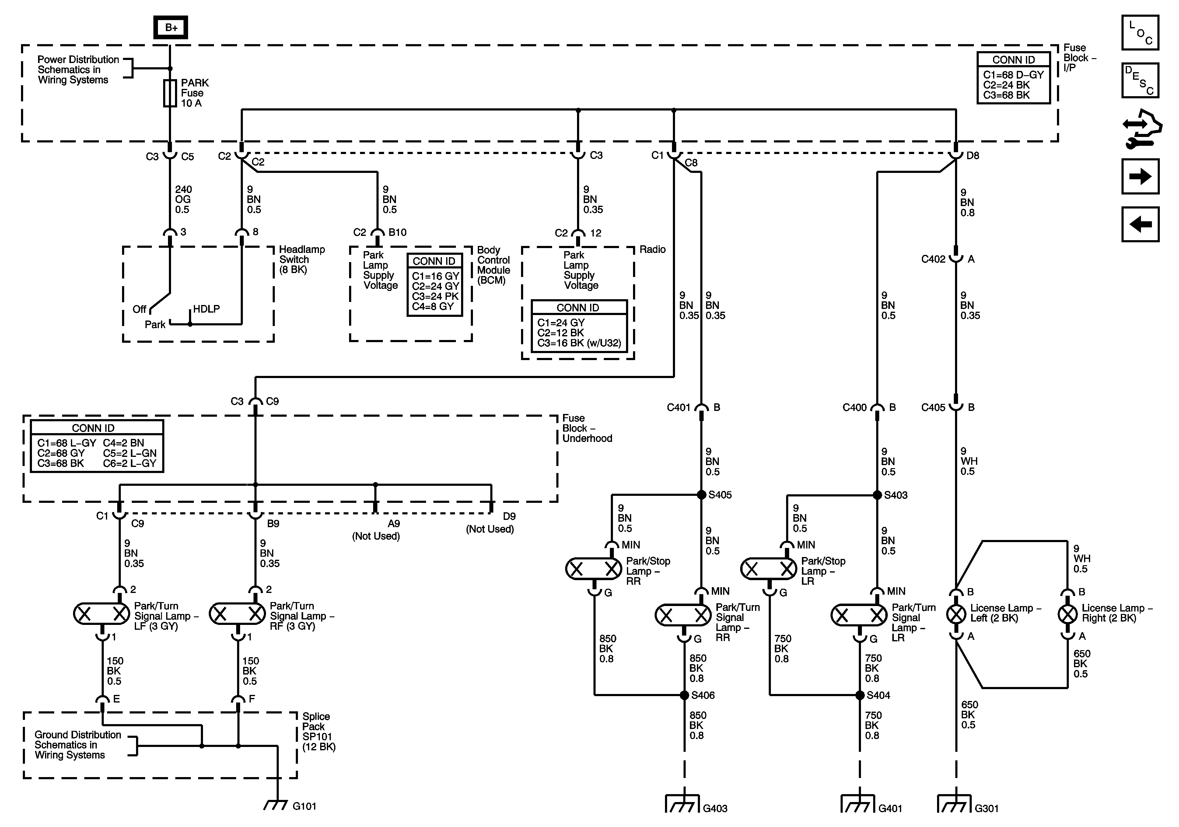
Figure
1:
Park Lamps - w/T82
Master Electrical Component List
Exterior Lighting Systems Description and Operation
Control Module References
Park Lamps - w/o T82
PWR SEAT Circuit Breaker, LH HDLP Fuse, RH HDLP Fuse, BRAKE Fuse, PREM AUD Fuse, BATT FEED Fuse and the HTD SEATS Fuse
RADIO Fuse, LOCK/MIRROR Fuse, BCM/CLUSTER Fuse, INT LTS Fuse, PARK Fuse and the HZRD Fuse
G101
G401 and G403
G401 and G403
G301 - 2 of 2
Figure
2:
Park Lamps - w/o T82
Master Electrical Component List
Exterior Lighting Systems Description and Operation
Control Module References
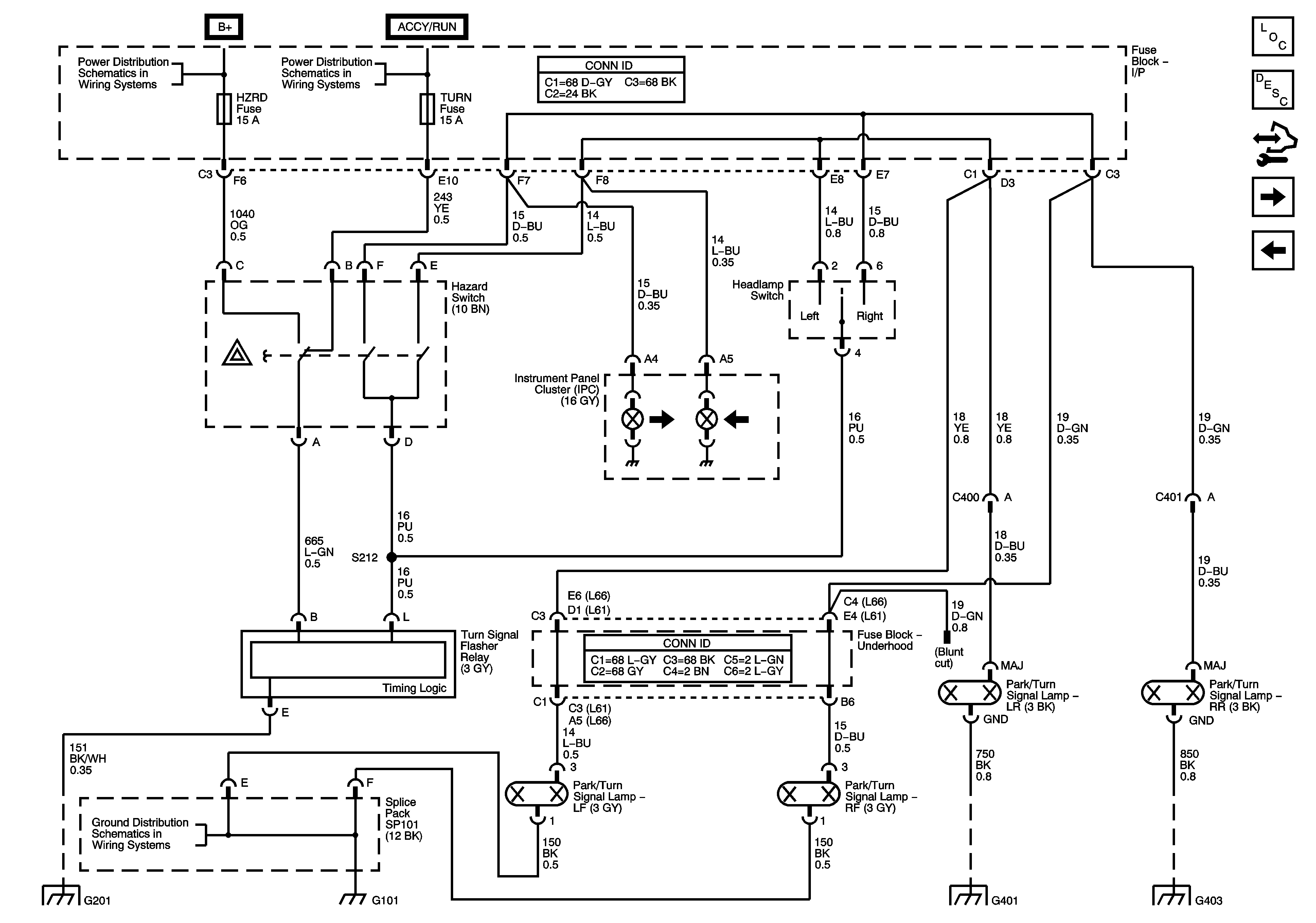
Hazards and Turn Signals
Park Lamps - w/T82
PWR SEAT Circuit Breaker, LH HDLP Fuse, RH HDLP Fuse, BRAKE Fuse, PREM AUD Fuse, BATT FEED Fuse and the HTD SEATS Fuse
G101
G401 and G403
G401 and G403
G301 - 2 of 2
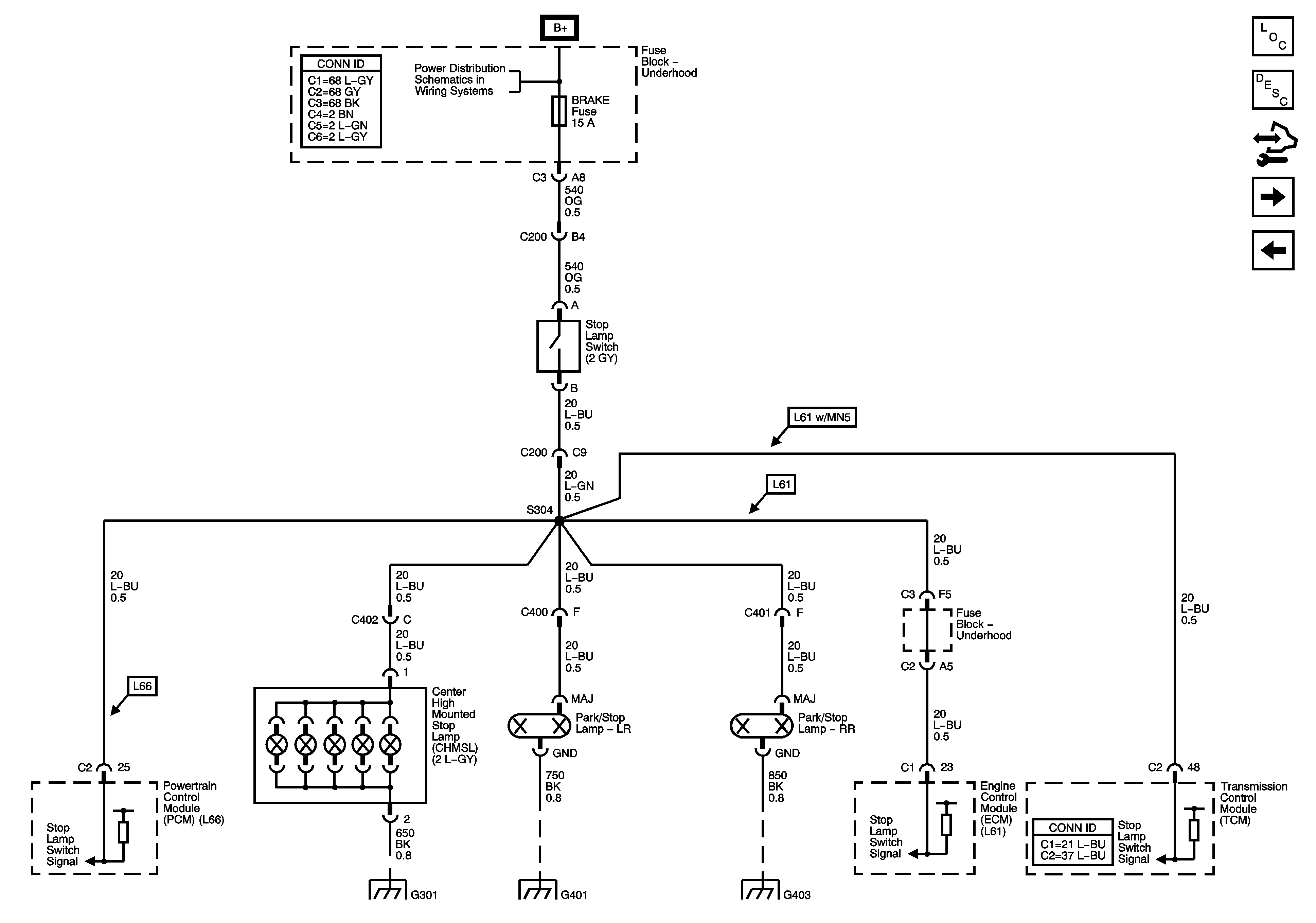
Figure
3:
Hazards and Turn Signals
Master Electrical Component List
Exterior Lighting Systems Description and Operation
Control Module References
Stop Lamps
Park Lamps - w/o T82
PWR SEAT Circuit Breaker, LH HDLP Fuse, RH HDLP Fuse, BRAKE Fuse, PREM AUD Fuse, BATT FEED Fuse and the HTD SEATS Fuse
IGN Fuse and the Ignition Switch Circuits
G101
G401 and G403
G401 and G403
Figure
4:
Stop Lamps
Master Electrical Component List
Exterior Lighting Systems Description and Operation
Control Module References
Backup Lamps
Hazards and Turn Signals
B+ Bussing and the EPS Fuse
G301 - 2 of 2
G401 and G403
G401 and G403
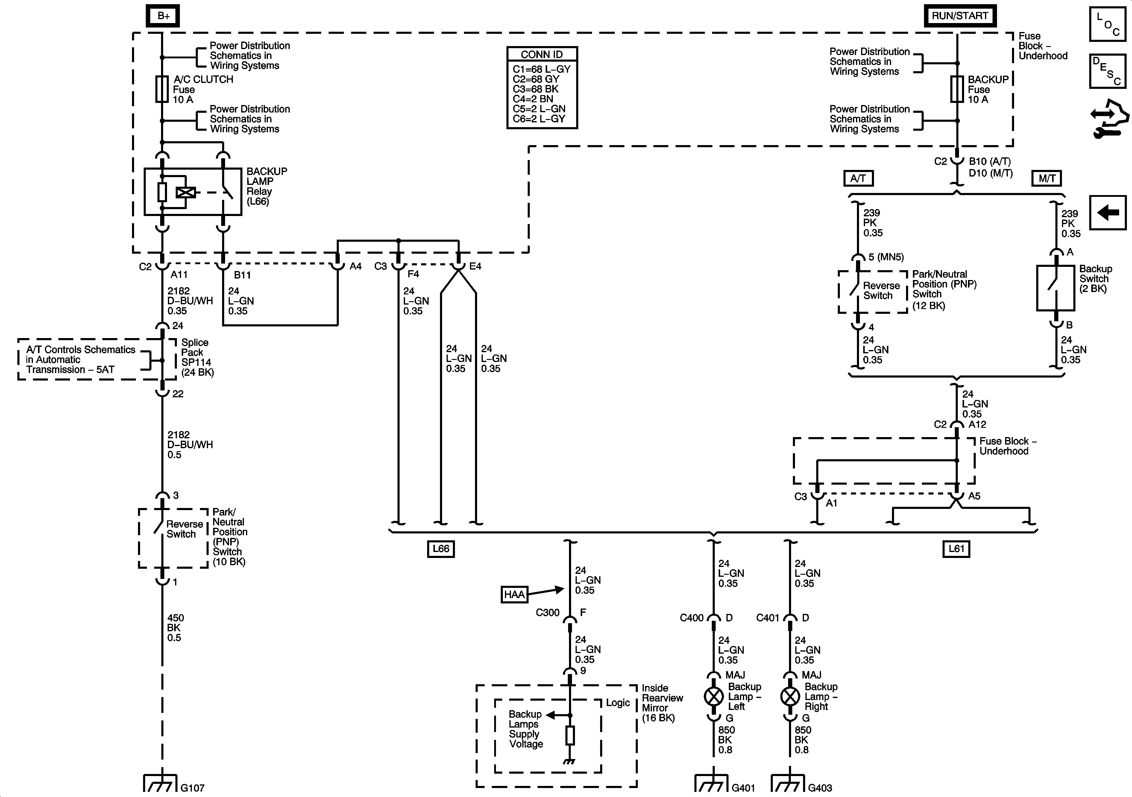
Figure
5:
Backup Lamps
Master Electrical Component List
Exterior Lighting Systems Description and Operation
Control Module References
Stop Lamps
B+ Bussing and the EPS Fuse
B+ Bussing and the EPS Fuse
PNP Switch Signals, OSS, ISS, IPC Indicators and PCM Communication
G107 and G109 - L66
G401 and G403
G401 and G403
IGN Fuse and the Ignition Switch Circuits
BACKUP Fuse, PWR TRAIN Fuse, 10A ABS Fuse and the INJECTORS (L66) Fuse