GM Service Manual Online
For 1990-2009 cars only
Makes
🢒
Saturn
🢒
2007
🢒
VUE - FWD
🢒
Diagnostic Navigation
🢒
Vehicle Diagnostic Information
🢒 Hybrid Controls Schematics
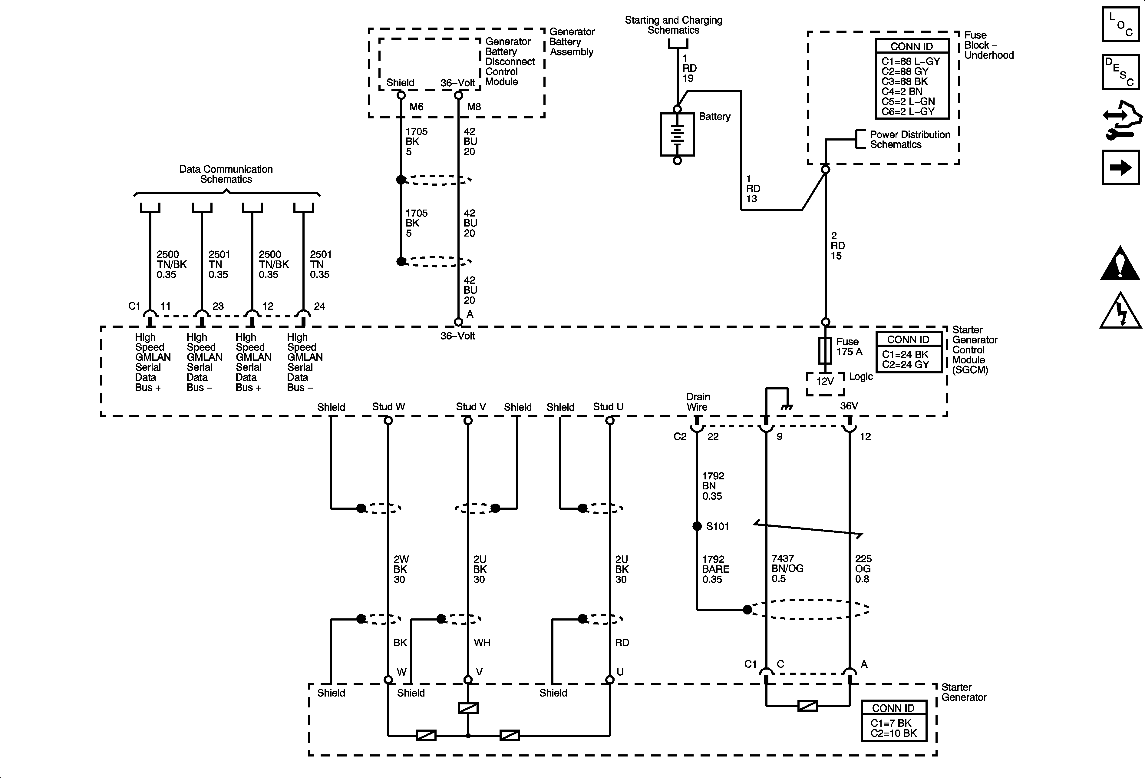
Figure
1:
A/C Field Voltage
Master Electrical Component List
Starter/Generator Description and Operation
Control Module References
Starter Generator Controls
B+ Bus and EPS Fuse
B+ Bus and EPS Fuse
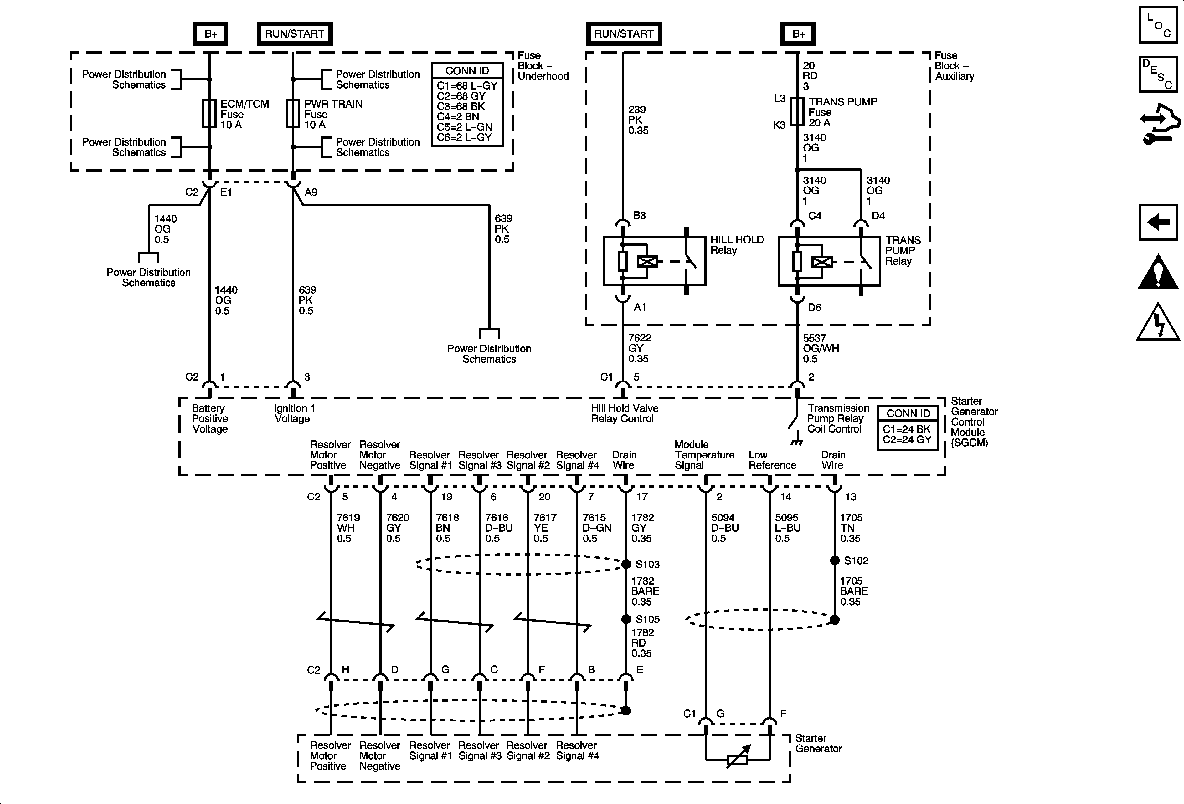
Figure
2:
Starter Generator Controls
Master Electrical Component List
Starter/Generator Description and Operation
Control Module References
A/C Field Voltage
B+ Bus and EPS Fuse
IGN Fuse and Ignition Switch Circuits
SUNROOF, PWR WDW, ABS 10A, ABS 20A, ABS PWR, HVAC BLOWER, AUX1 OUTLET, CIGAR/AUX2, and ECM/PCM Fuses
BACKUP and PWR TRAIN Fuses (HP7)
SUNROOF, PWR WDW, ABS 10A, ABS 20A, ABS PWR, HVAC BLOWER, AUX1 OUTLET, CIGAR/AUX2, and ECM/PCM Fuses
BACKUP and PWR TRAIN Fuses (HP7)