GM Service Manual Online
For 1990-2009 cars only
Makes
🢒
Saturn
🢒
2007
🢒
VUE - FWD
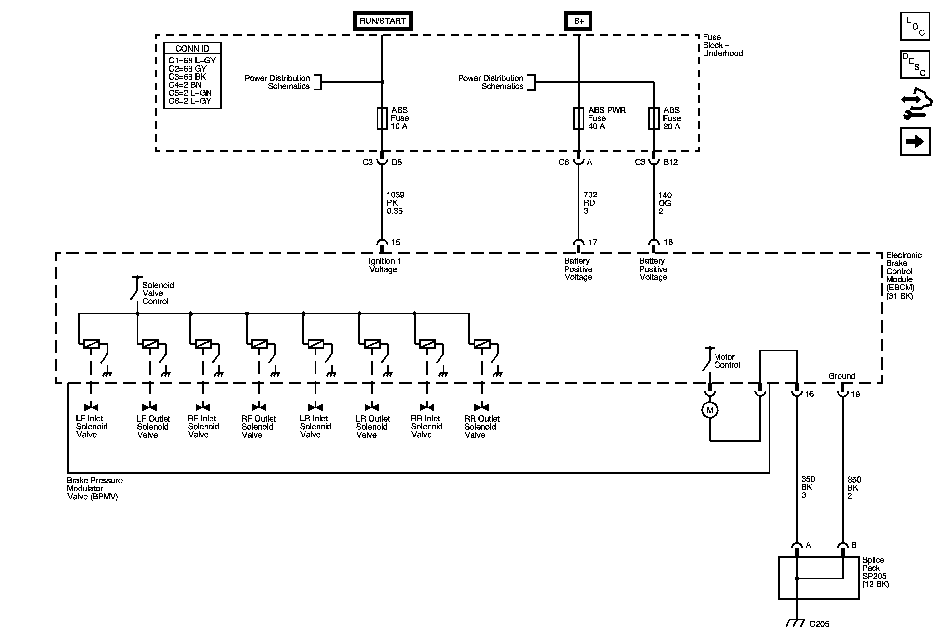
🢒 Power and Ground
Power and Ground
Power and Ground
Master Electrical Component List
ABS Description and Operation
Control Module References
TC Switch, Indicators, and Stop Lamp Switch Signal
IGN Fuse and Ignition Switch Circuits
B+ Bus and EPS Fuse