GM Service Manual Online
For 1990-2009 cars only
Makes
🢒
Saturn
🢒
2007
🢒
VUE - FWD
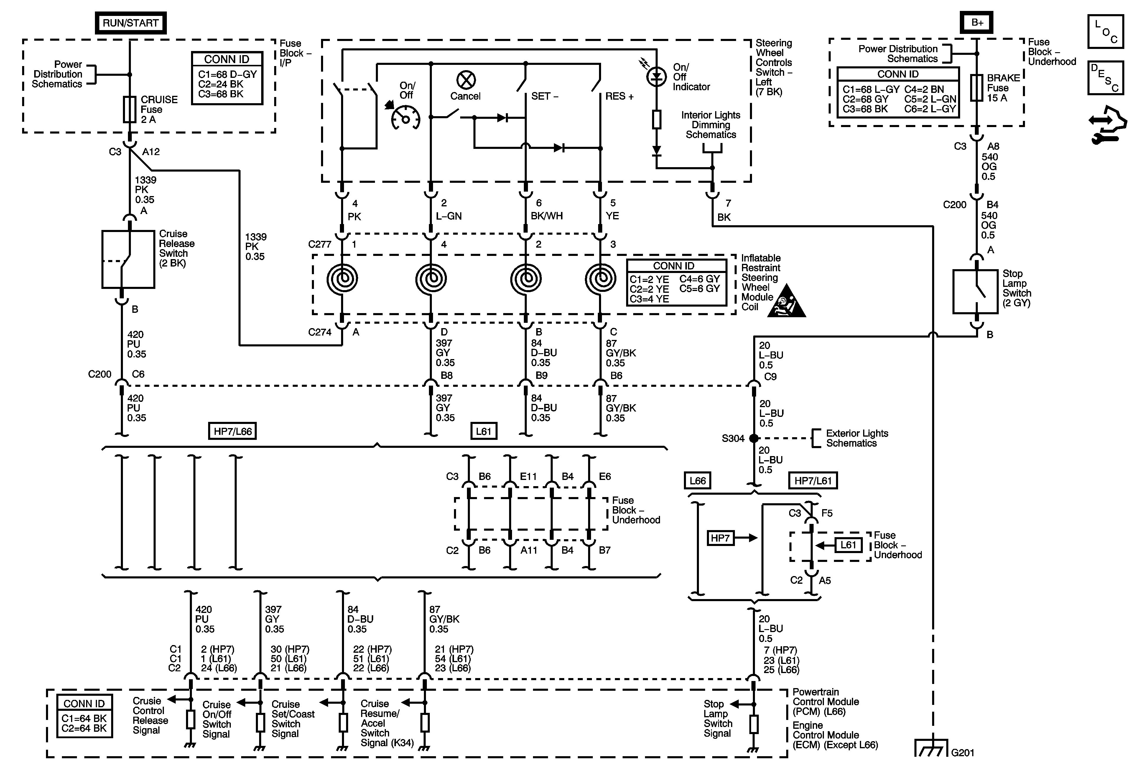
🢒 Cruise Control Schematics
Cruise Control Schematics
Master Electrical Component List
Cruise Control Description and Operation
Control Module References
IGN Fuse and Ignition Switch Circuits
Interior Lights Dimming Schematics
B+ Bus and EPS Fuse
Cruise Control Schematic Icons
Cruise Control Schematic Icons
Stop Lamps
Stop Lamps
G201