GM Service Manual Online
For 1990-2009 cars only
Makes
🢒
Saturn
🢒
2007
🢒
VUE - FWD
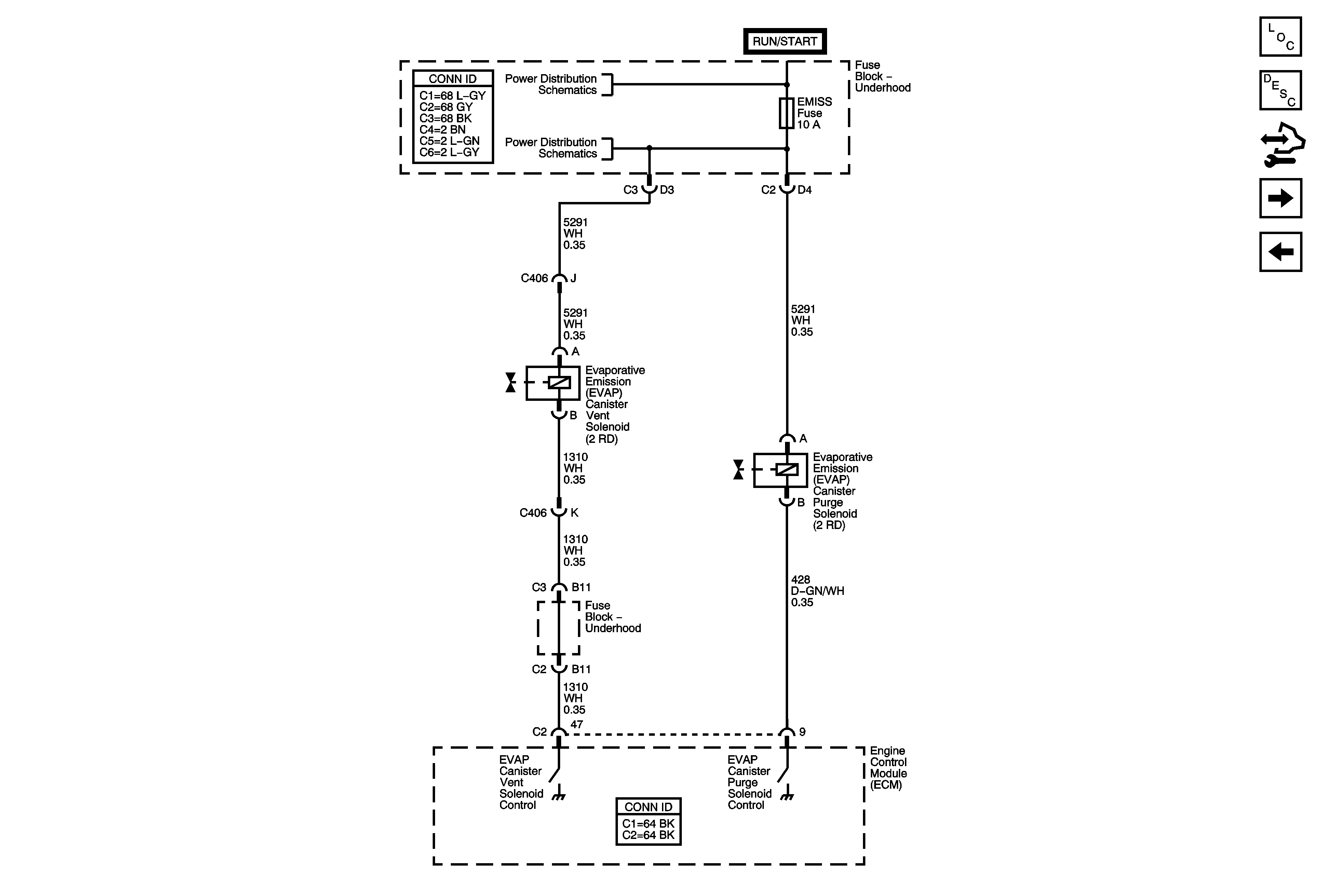
🢒 EVAP Controls
EVAP Controls
EVAP Controls
Master Electrical Component List
Evaporative Emission Control System Description
Control Module References
Controlled/Monitored Subsystem References
Fuel Pump and Injectors
IGN/INJ, EMISS, and ETC Fuses L61
IGN/INJ, EMISS, and ETC Fuses L61