GM Service Manual Online
For 1990-2009 cars only
Makes
🢒
Saturn
🢒
2007
🢒
VUE - FWD
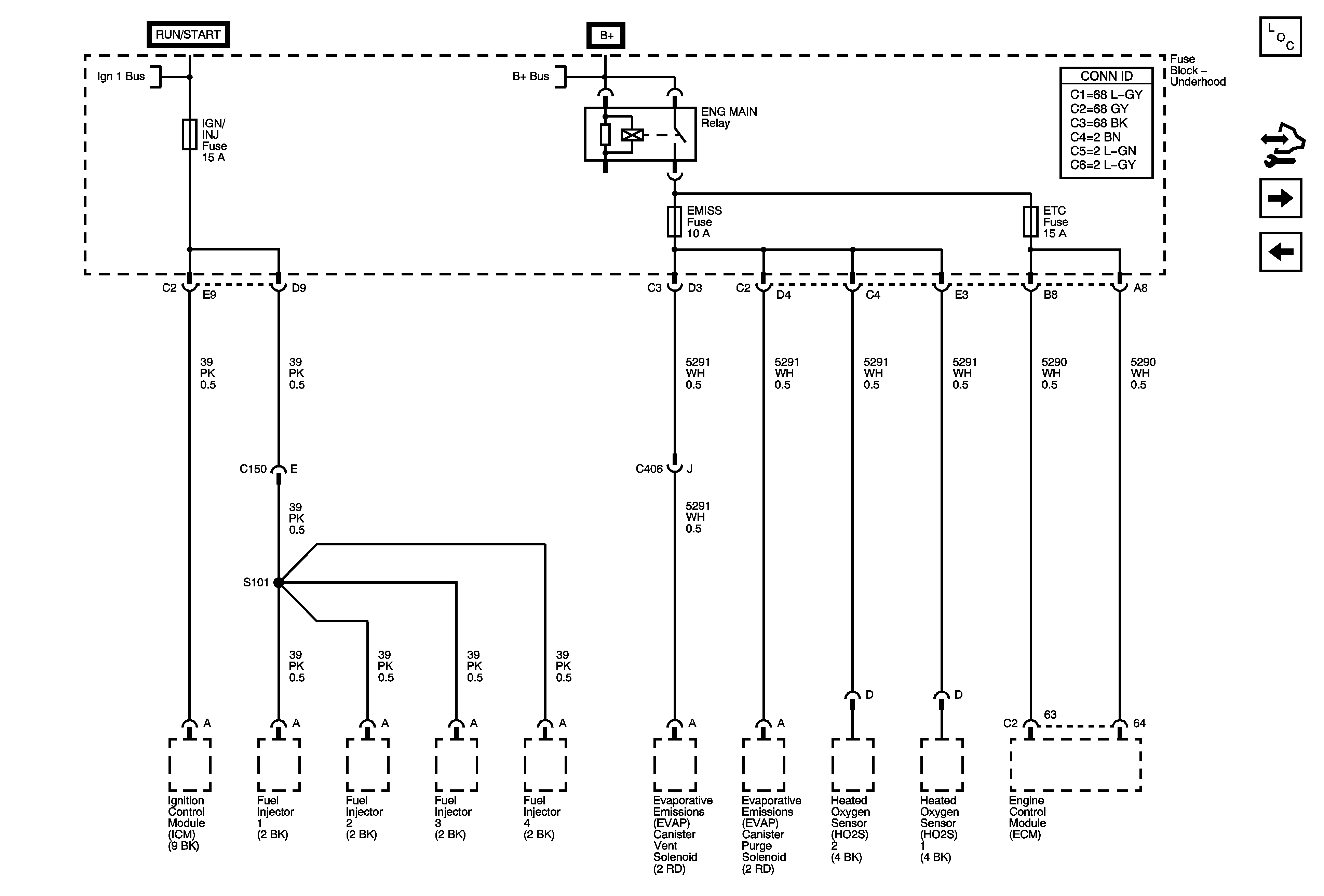
🢒 IGN/INJ, EMISS, and ETC Fuses L61
IGN/INJ, EMISS, and ETC Fuses L61
IGN/INJ, EMISS and ETC Fuses L61
Master Electrical Component List
Control Module References
EMISS, IGN/INJ, and ETC Fuses (HP7)
IGN 1, BCM (IGN), AIR BAG, EPS, and CRUISE Fuses
IGN Fuse and Ignition Switch Circuits
B+ Bus and EPS Fuse