GM Service Manual Online
For 1990-2009 cars only
Makes
🢒
Saturn
🢒
2007
🢒
VUE - FWD
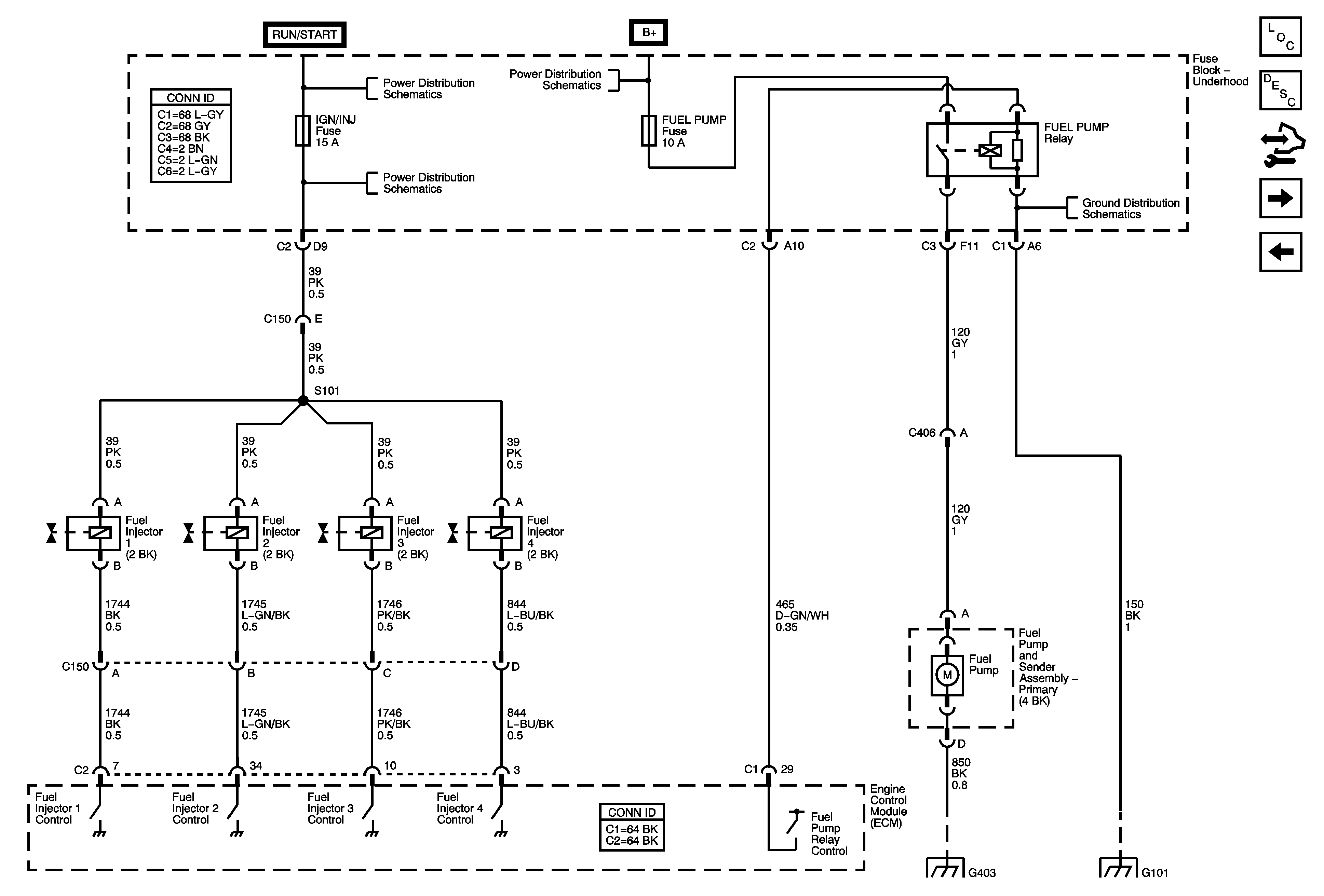
🢒 Fuel Pump and Injectors
Fuel Pump and Injectors
Fuel Pump and Injectors
Master Electrical Component List
Fuel System Description
Control Module References
EVAP Controls
Ignition Controls
IGN Fuse and Ignition Switch Circuits
B+ Bus and EPS Fuse
IGN/INJ, EMISS, and ETC Fuses L61
G101
G401 and G403
G101