GM Service Manual Online
For 1990-2009 cars only
Makes
🢒
Saturn
🢒
2007
🢒
VUE - FWD
🢒 Throttle Actuator Controls
Throttle Actuator Controls
Throttle Actuator Controls
Master Electrical Component List
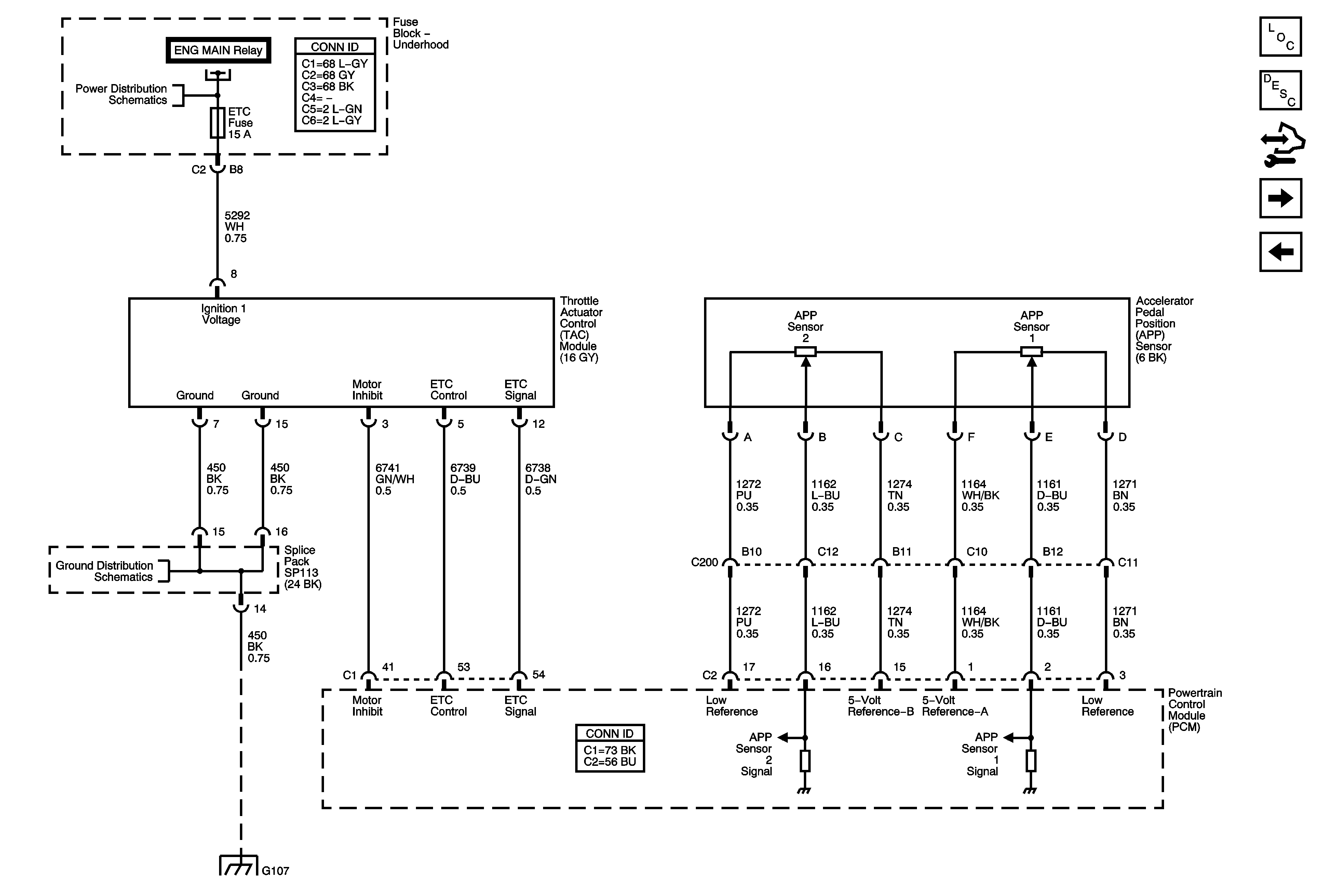
Throttle Actuator Control (TAC) System Description
Control Module References
Ignition Control Modules
Bank 2 Oxygen Sensors
EMISS and ETC Fuses L66
G107 and G109 (L66)
G107 and G109 (L66)