GM Service Manual Online
For 1990-2009 cars only
Makes
🢒
Saturn
🢒
2007
🢒
VUE - FWD
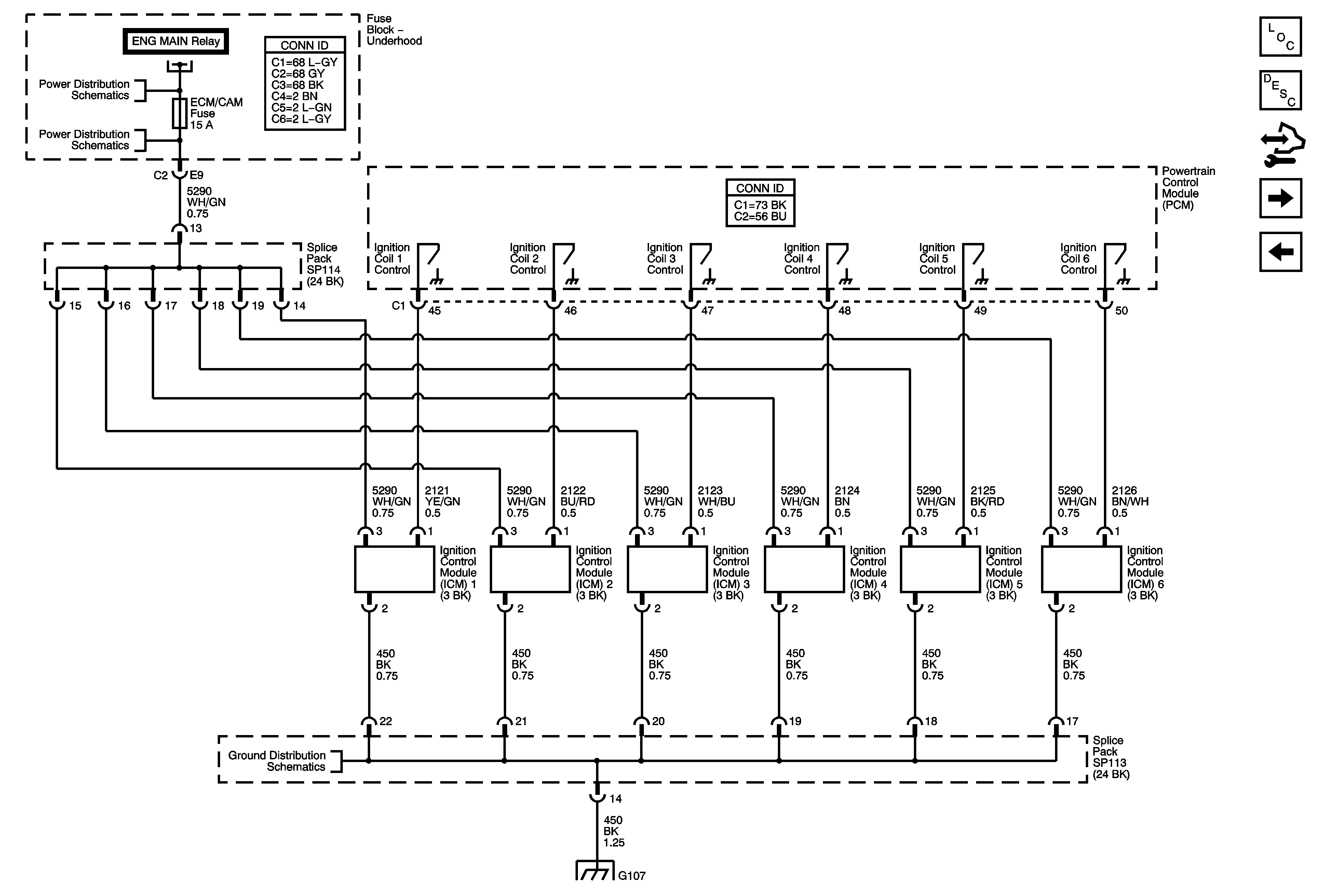
🢒 Ignition Control Modules
Ignition Control Modules
Ignition Control Modules
Master Electrical Component List
Electronic Ignition (EI) System Description
Control Module References
Knock, Crankshaft, and Camshaft Sensors
Throttle Actuator Controls
ECM/CAM Fuse L66
ECM/CAM Fuse L66
G107 and G109 (L66)
G107 and G109 (L66)