GM Service Manual Online
For 1990-2009 cars only
Makes
🢒
Saturn
🢒
2007
🢒
VUE - FWD
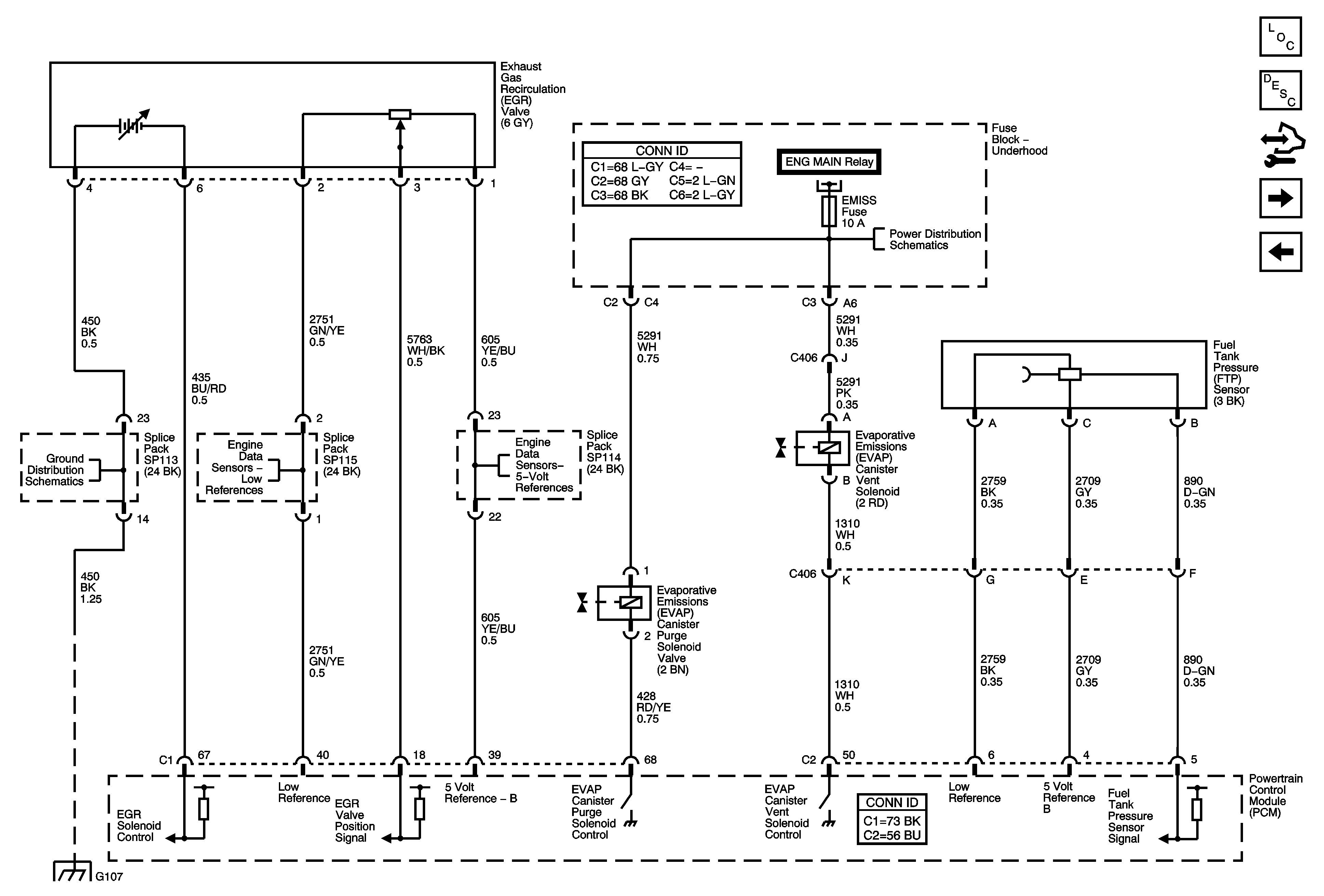
🢒 EVAP Controls
EVAP Controls
EVAP Controls
Master Electrical Component List
Evaporative Emission Control System Description
Control Module References
Controlled/Monitored Subsystem References
Fuel Injectors, Fuel Pump, Rocker Arm Oil Switch and Solenoid
EMISS and ETC Fuses L66
EMISS and ETC Fuses L66
G107 and G109 (L66)
Low References
5-Volt Reference
G107 and G109 (L66)