GM Service Manual Online
For 1990-2009 cars only
Makes
🢒
Saturn
🢒
2007
🢒
VUE - FWD
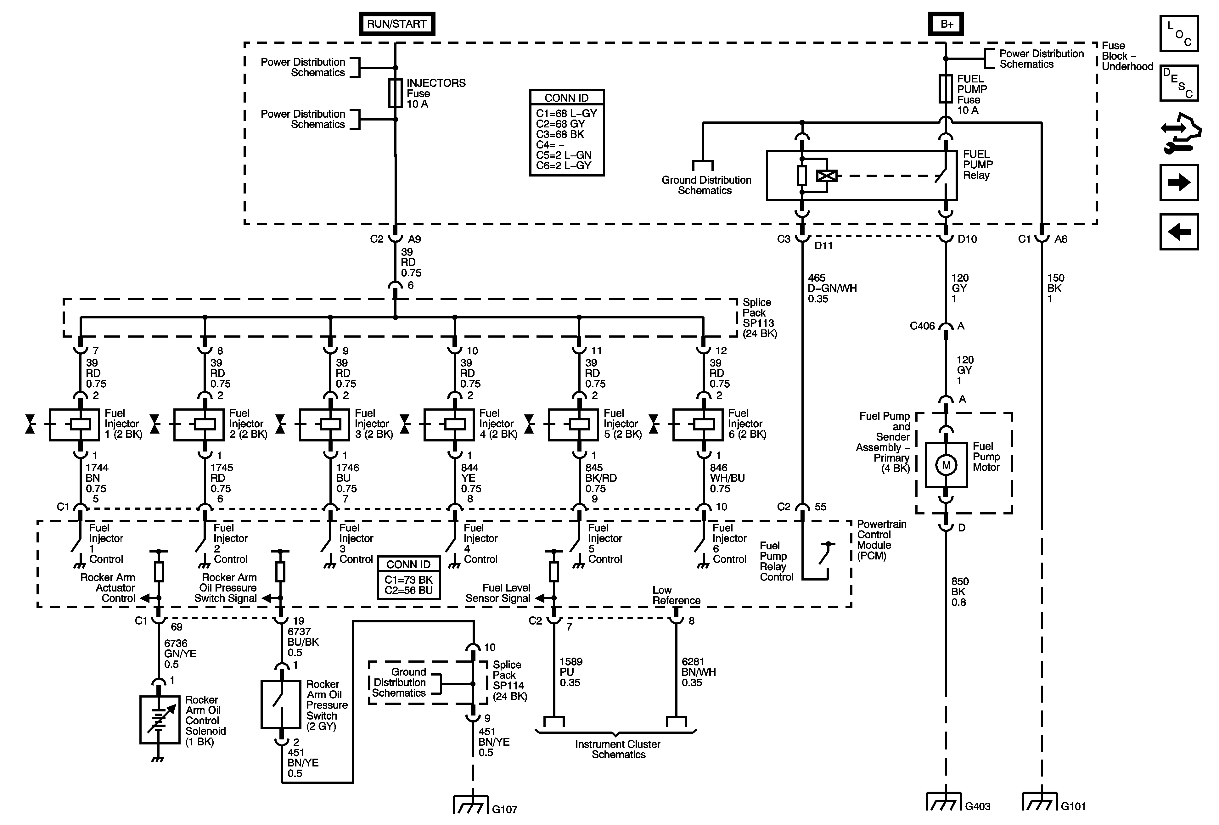
🢒 Fuel Injectors, Fuel Pump, Rocker Arm Oil Switch and Solenoid
Fuel Injectors, Fuel Pump, Rocker Arm Oil Switch and Solenoid
Fuel Injectors, Fuel Pump, Rocker Arm Oil Switch, and Solenoid
Master Electrical Component List
Fuel System Description
Control Module References
EVAP Controls
Knock, Crankshaft, and Camshaft Sensors
IGN Fuse and Ignition Switch Circuits
BACKUP, PWR TRAIN, 10A ABS, and INJECTOR Fuses (Except HP7)
G101
B+ Bus and EPS Fuse
G107 and G109 (L66)
G107 and G109 (L66)
G401 and G403
G101