GM Service Manual Online
For 1990-2009 cars only
Makes
🢒
Saturn
🢒
2007
🢒
VUE - FWD
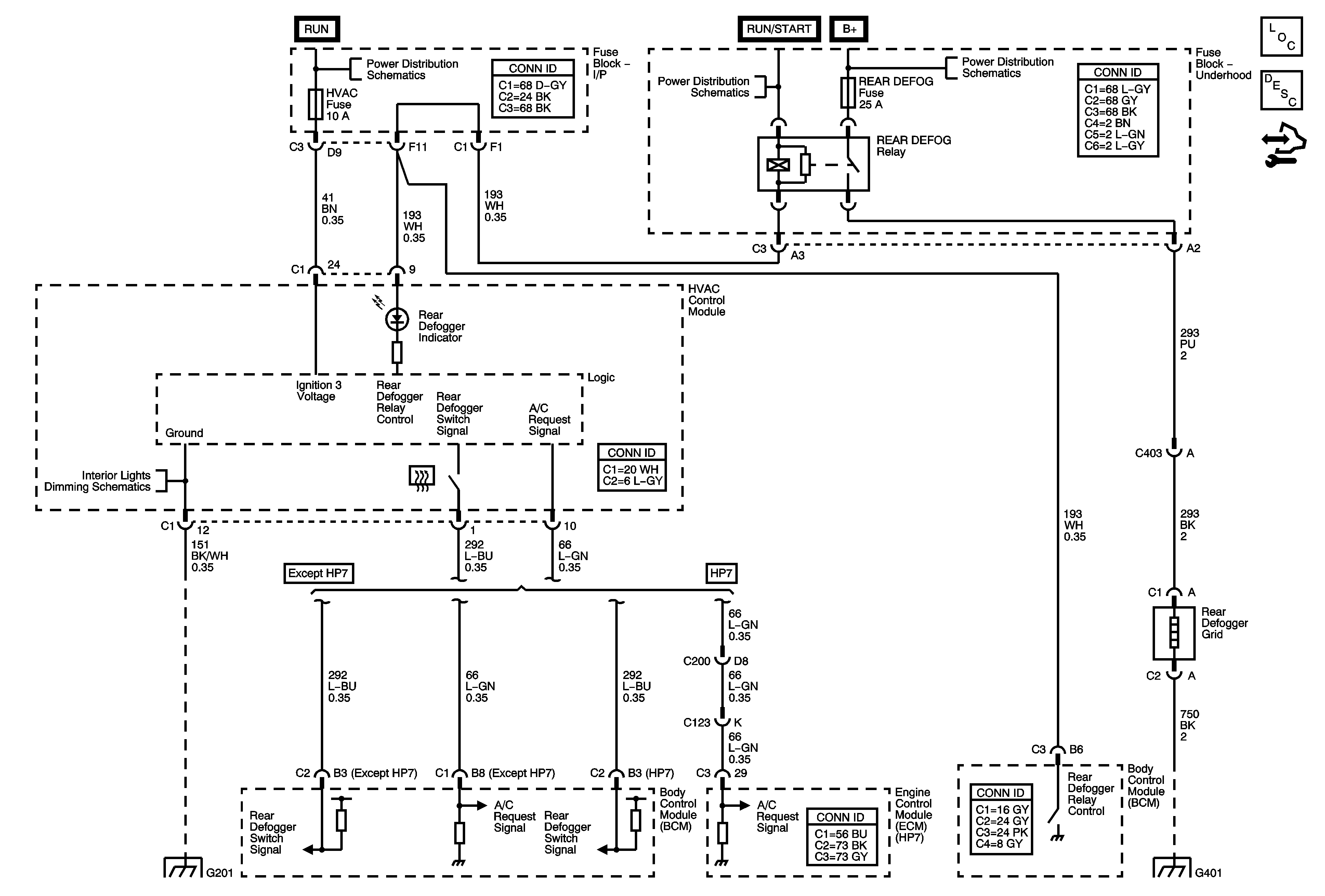
🢒 Defogger Schematics
Defogger Schematics
Master Electrical Component List
Rear Window Defogger Description and Operation
Control Module References
IGN Fuse and Ignition Switch Circuits
IGN Fuse and Ignition Switch Circuits
B+ Bus and EPS Fuse
Interior Lights Dimming Schematics
G201
G401 and G403