GM Service Manual Online
For 1990-2009 cars only
Makes
🢒
Saturn
🢒
2007
🢒
VUE - FWD
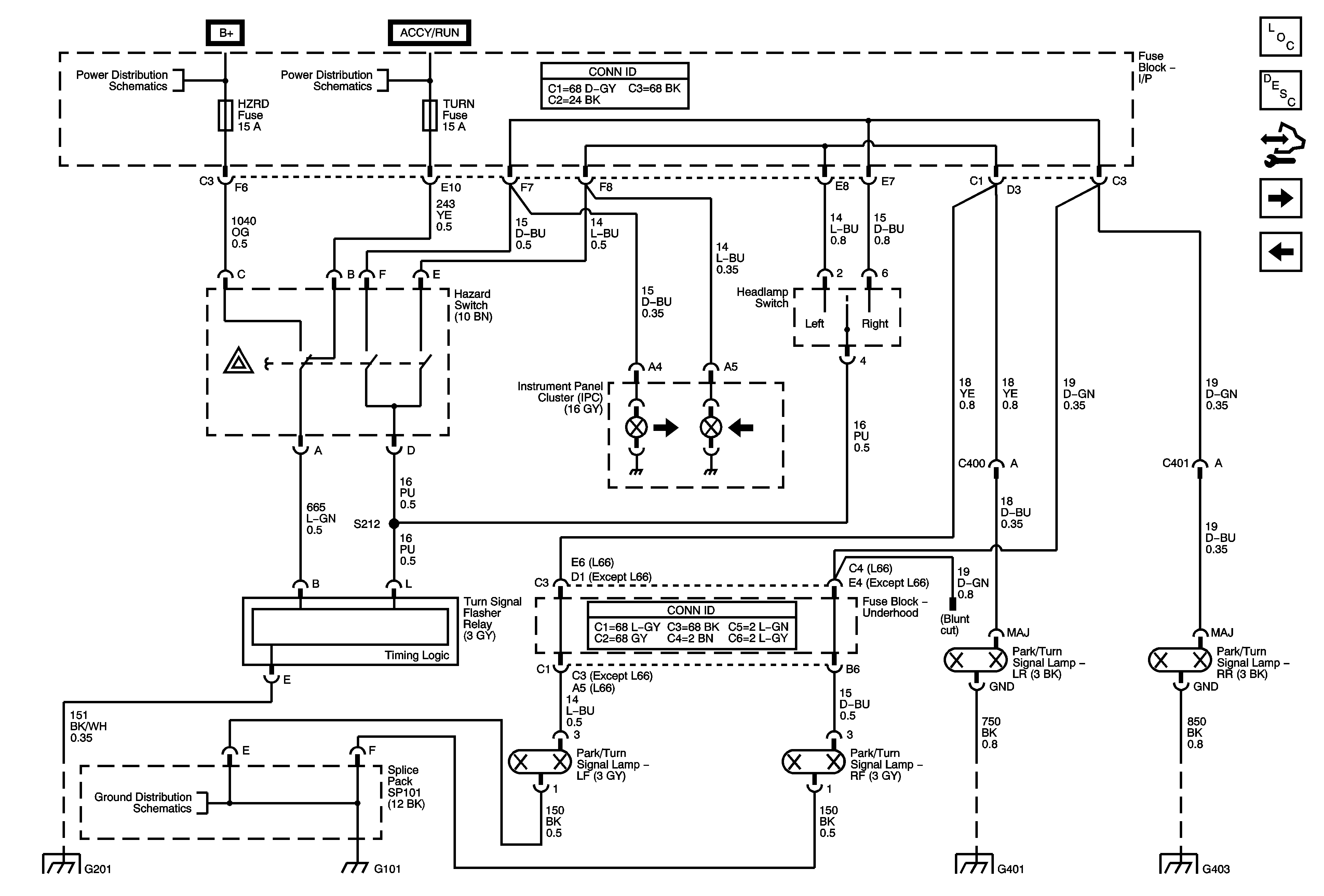
🢒 Hazard Turn Signals
Hazard Turn Signals
Hazard Turn Signals
Master Electrical Component List
Exterior Lighting Systems Description and Operation
Control Module References
Stop Lamps
Park Lamps - L61 w/o T82
PWR SEAT Circuit Breaker, LH HDLP, RH HDLP, BRAKE, PREM AUD, BATT FEED, and HTD SEATS Fuses
IGN Fuse and Ignition Switch Circuits
G101
G201
G401 and G403
G401 and G403