GM Service Manual Online
For 1990-2009 cars only
Makes
🢒
Saturn
🢒
2007
🢒
VUE - FWD
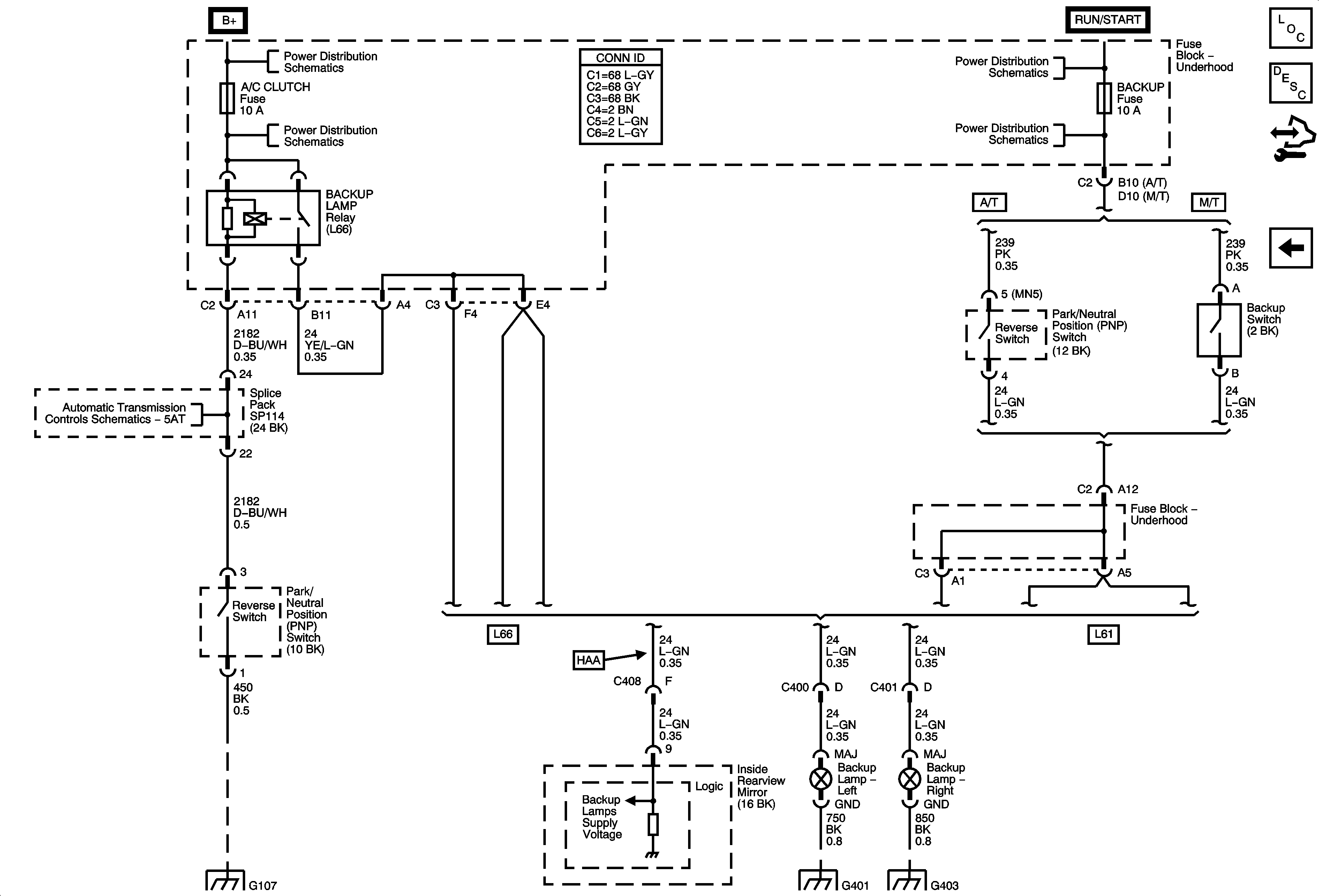
🢒 Backup Lamps
Backup Lamps
Backup Lamps
Master Electrical Component List
Exterior Lighting Systems Description and Operation
Control Module References
Stop Lamps
B+ Bus and EPS Fuse
B+ Bus and EPS Fuse
IGN Fuse and Ignition Switch Circuits
BACKUP, PWR TRAIN, 10A ABS, and INJECTOR Fuses (Except HP7)
PNP Switch, OSS, ISS, Indicators, and PCM Communication
G107 and G109 (L66)
G401 and G403
G401 and G403