GM Service Manual Online
For 1990-2009 cars only
Makes
🢒
Saturn
🢒
2007
🢒
VUE - FWD
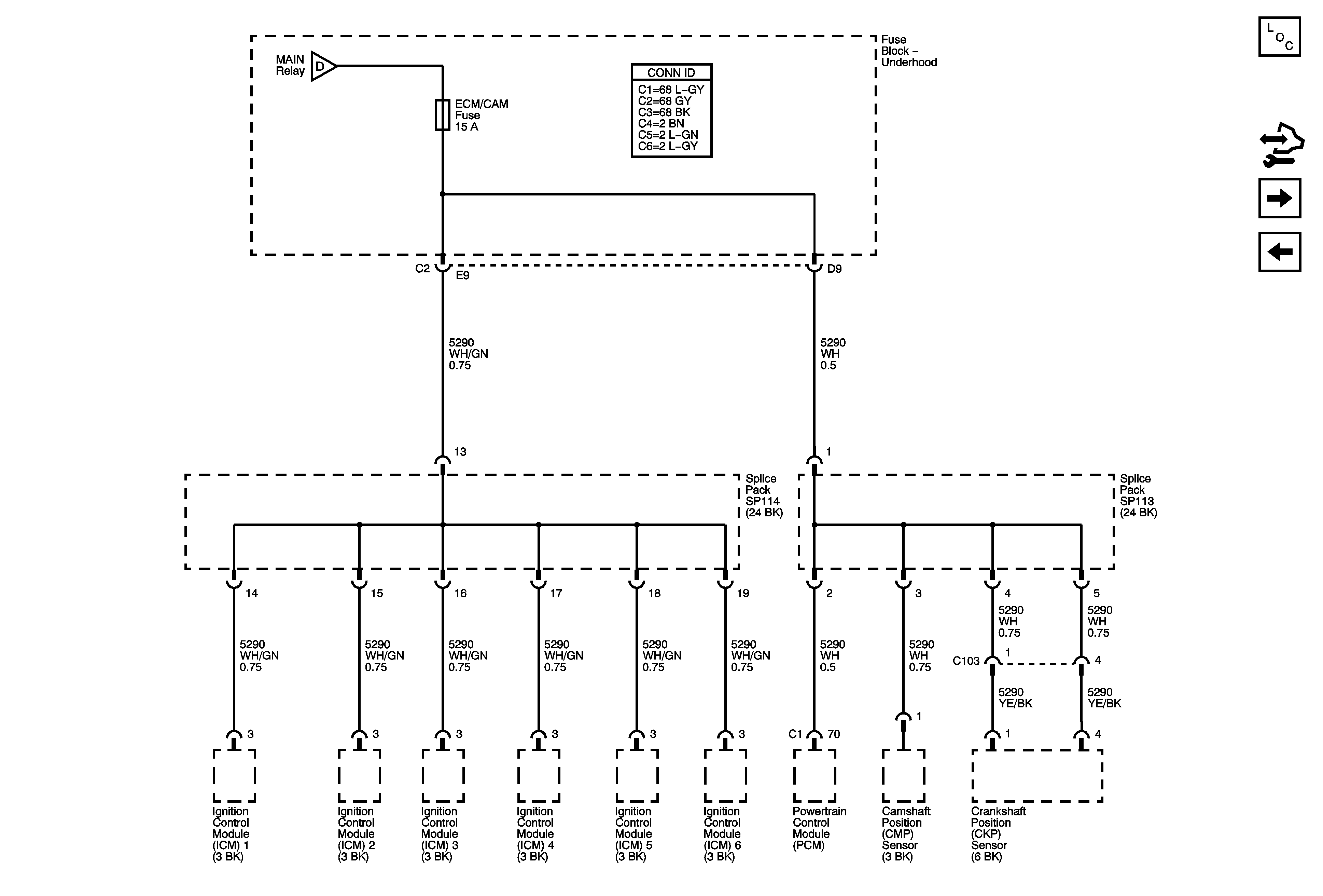
🢒 ECM/CAM Fuse L66
ECM/CAM Fuse L66
ECM/CAM and Fuse L66
Master Electrical Component List
Control Module References
Auxiliary Fuse Block (HP7)
EMISS and ETC Fuses L66
EMISS and ETC Fuses L66