GM Service Manual Online
For 1990-2009 cars only
Makes
🢒
Saturn
🢒
2007
🢒
VUE - FWD
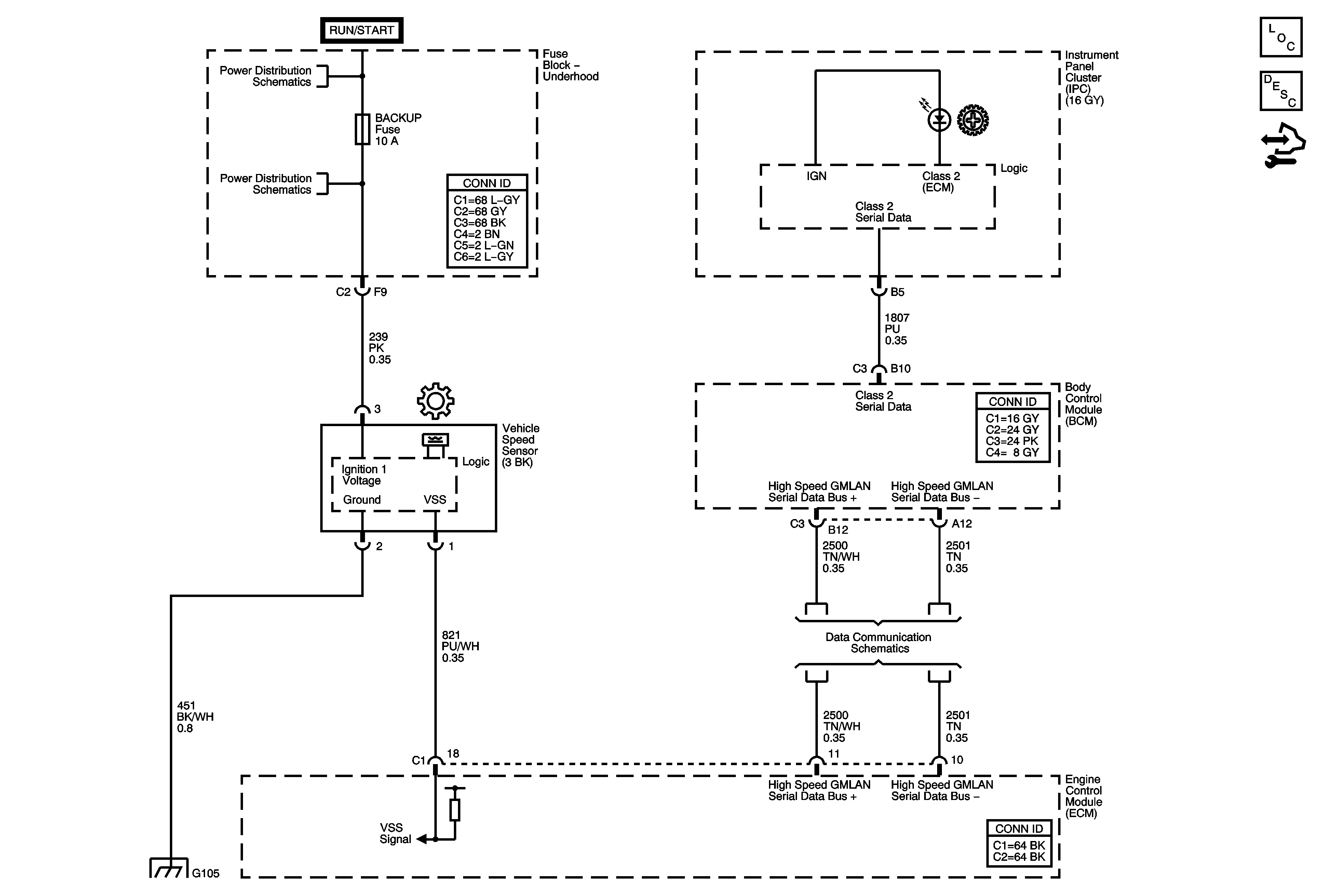
🢒 Manual Transmission Schematics
Manual Transmission Schematics
Master Electrical Component List
Transmission System Description and Operation
Control Module References
IGN Fuse and Ignition Switch Circuits
BACKUP, PWR TRAIN, 10A ABS, and INJECTOR Fuses (Except HP7)
L61 with MG3
G103, G105, and G207